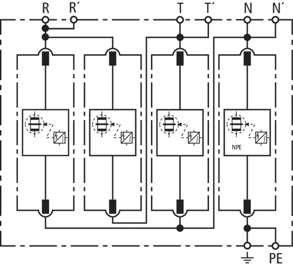
DEHNventil モジュラー(日本仕様)
:quality(98)/www.dehn.jp/store/f/61015002/HDVORSCHAU/951329_118_Collage_16-9.jpg)
:quality(98)/www.dehn.jp/store/f/61015002/HDVORSCHAU/951329_118_Collage_16-9.jpg)
- ベース部とプラグ式保護モジュールで構成された、スパークギャップベースのすぐに配線可能な複合式避雷器
- RADAX-Flow フォロー電流制限による最高の設備稼働率
- 50 kAeff まで、35 A gL/gG ヒューズに対して遮断選択性放電能力最大
- 100 kA (10/350 µs) までの短絡電流
- 端末機器の保護を可能にします
- 観察窓にマーキングによる機能/故障表示
- モジュールリリースボタン付きモジュールロックシステムにより、ツール不要で簡単に保護モジュールを交換できます
- EN 60068-2 に準拠した振動・衝撃テスト済み
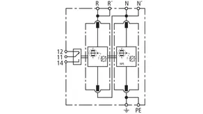
Part No. 951118 DV M 2W 135
GTIN 4013364110571, Customs tariff No. (EU): 85363090, Gross weight: 678.30 g, PU: 1.00 ピース
Technical data
SPD、EN 61643-11 / IEC 61643-11 に準拠した SPD 分類 | タイプ 1 + タイプ 2 / クラス I + クラス II |
公称電圧 AC (UN ) | 1Ø2W100V (50 / 60 Hz) |
交流最高連続電圧 (UC ) | 135 V (50 / 60 Hz) |
最高連続電圧 NPE (UC ) | 255 V (50 / 60 Hz) |
雷インパルス電流 (10/350) [R+N-PE] (I合計 ) | 50 kA |
雷インパルス電流 (10/350) [R-N] (Iimp ) | 25 kA |
雷インパルス電流 (10/350) [N-PE] (Iimp ) | 50 kA |
公称放電電流 (8/20) [R-N] (In ) | 25 kA |
公称放電電流 (8/20) [N-PE] (In ) | 50 kA |
保護レベル [R-N] (UP ) | ≤ 1.5 kV |
保護レベル [N-PE] (UP ) | ≤ 1.5 kV |
フォロー電流消弧能力 [R-N] AC (Ifi ) | 30 kAeff |
フォロー電流消弧能力 [N-PE] AC (Ifi ) | 100 Aeff |
フォロー電流制限/選択性 | 30 kA まで、35 A gL/gG ヒューズがトリップしないeff (想定) |
応答時間 (tA ) | ≤ 100 ns |
I までの最大バックアップヒューズ (R)K = 30 kAeff | 315 A gG |
I における最大バックアップヒューズ (R)K > 30 kAeff | 200 A gG |
最大バックアップヒューズ (R-R´) | 125 A gG |
TOV 電圧 [R-N] (UT) | 単相電源システム - TOV テスト不要 |
TOV 電圧 [N-PE] (UT) – 特徴 | 300 V / 2 秒 – 耐久性 |
TOV 電圧 [N-PE] (UT) – 特徴 | 600 V / 1 秒 – 耐久性 |
動作温度範囲(並列配線) (T上 ) | -40°C~+80°C |
動作温度範囲(貫通配線) (T米国 ) | -40°C~+60°C |
機能/故障表示 | 緑/赤 |
接続断面(R、R'、N、N'、PE、 9) (最小) | 10 mm2 単線/細線 |
接続断面(R、N、PE) (最大) | 50 mm2 撚り線/35 mm2 細線 |
接続断面(R'、N'、 9) (最大) | 35 mm2 撚り線/25 mm2 細線 |
取付方法 | 35 mm DIN レール(EN 60715 準拠) |
ハウジング素材 | 熱可塑性プラスチック、赤色、UL 94 V-0 |
保護等級 | IP 20 |
設置寸法 | 4 TE、DIN 43880 |
認証 | KEMA |
Product 951118 was added to Notepad.
Product 951118 was added to the cart.
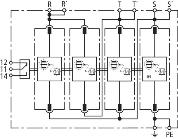
Part No. 951119 DV M 2W 135 FM
GTIN 4013364110588, Customs tariff No. (EU): 85363090, Gross weight: 682.60 g, PU: 1.00 ピース
Technical data
SPD、EN 61643-11 / IEC 61643-11 に準拠した SPD 分類 | タイプ 1 + タイプ 2 / クラス I + クラス II |
公称電圧 AC (UN ) | 1Ø2W100V (50 / 60 Hz) |
交流最高連続電圧 (UC ) | 135 V (50 / 60 Hz) |
最高連続電圧 NPE (UC ) | 255 V (50 / 60 Hz) |
雷インパルス電流 (10/350) [R+N-PE] (I合計 ) | 50 kA |
雷インパルス電流 (10/350) [R-N] (Iimp ) | 25 kA |
雷インパルス電流 (10/350) [N-PE] (Iimp ) | 50 kA |
公称放電電流 (8/20) [R-N] (In ) | 25 kA |
公称放電電流 (8/20) [N-PE] (In ) | 50 kA |
保護レベル [R-N] (UP ) | ≤ 1.5 kV |
保護レベル [N-PE] (UP ) | ≤ 1.5 kV |
フォロー電流消弧能力 [R-N] AC (Ifi ) | 30 kAeff |
フォロー電流消弧能力 [N-PE] AC (Ifi ) | 100 Aeff |
フォロー電流制限/選択性 | 30 kA まで、35 A gL/gG ヒューズがトリップしないeff (想定) |
応答時間 (tA ) | ≤ 100 ns |
I までの最大バックアップヒューズ (R)K = 30 kAeff | 315 A gG |
I における最大バックアップヒューズ (R)K > 30 kAeff | 200 A gG |
最大バックアップヒューズ (R-R´) | 125 A gG |
TOV 電圧 [R-N] (UT) | 単相電源システム - TOV テスト不要 |
TOV 電圧 [N-PE] (UT) – 特徴 | 300 V / 2 秒 – 耐久性 |
TOV 電圧 [N-PE] (UT) – 特徴 | 600 V / 1 秒 – 耐久性 |
動作温度範囲(並列配線) (T上 ) | -40°C~+80°C |
動作温度範囲(貫通配線) (T米国 ) | -40°C~+60°C |
機能/故障表示 | 緑/赤 |
接続断面(R、R'、N、N'、PE、 9) (最小) | 10 mm2 単線/細線 |
接続断面(R、N、PE) (最大) | 50 mm2 撚り線/35 mm2 細線 |
接続断面(R'、N'、 9) (最大) | 35 mm2 撚り線/25 mm2 細線 |
取付方法 | 35 mm DIN レール(EN 60715 準拠) |
ハウジング素材 | 熱可塑性プラスチック、赤色、UL 94 V-0 |
保護等級 | IP 20 |
設置寸法 | 4 TE、DIN 43880 |
FM 接点/接点形式 | 切替接点 |
スイッチング容量 AC | 250 V / 0.5 A |
スイッチング容量 DC | 250 V / 0.1 A、125 V / 0.2 A、75 V / 0.5 A |
FM 端子用接続断面図 | 最大 1.5 mm2 単線/細線 |
認証 | KEMA |
Product 951119 was added to Notepad.
Product 951119 was added to the cart.
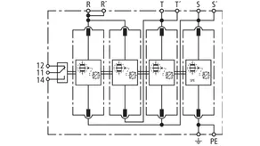
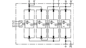
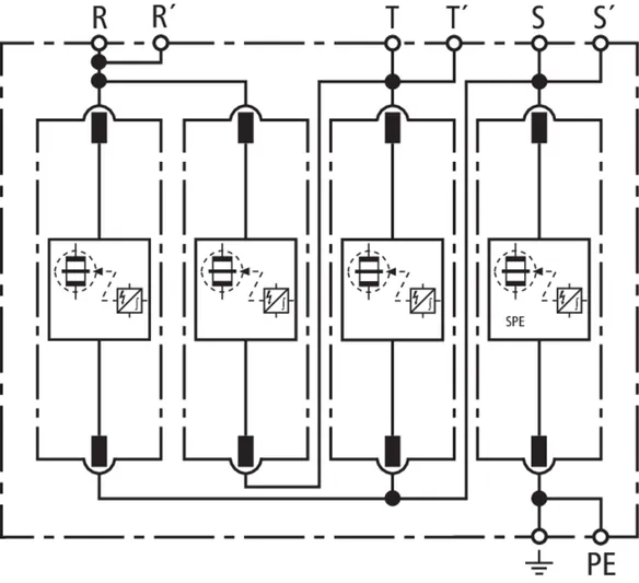
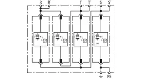
Part No. 951331 DV M 3W 255
GTIN 4013364110632, Customs tariff No. (EU): 85363090, Gross weight: 1.29 kg, PU: 1.00 ピース
Technical data
SPD、EN 61643-11 / IEC 61643-11 に準拠した SPD 分類 | タイプ 1 + タイプ 2 / クラス I + クラス II |
公称電圧 AC (UN ) | 3Ø3W200V (50 / 60 Hz) |
交流最高連続電圧 (UC ) | 264 V (50 / 60 Hz) |
最高連続電圧 S-PE (UC ) | 255 V (50 / 60 Hz) |
雷インパルス電流 (10/350) [R+T+S-PE] (I合計 ) | 75 kA |
雷インパルス電流 (10/350) [R-T,S-T,R-S] (Iimp ) | 25 kA |
雷インパルス電流 (10/350) [S-PE] (Iimp ) | 75 kA |
公称放電電流 (8/20) [R+T+S-PE] (In ) | 75 kA |
公称放電電流 (8/20) [R-T,S-T,R-S] (In ) | 25 kA |
公称放電電流 (8/20) [S-PE] (In ) | 75 kA |
保護レベル [R-T,S-T,R-S] (UP ) | ≤ 1.5 kV |
保護レベル [S-PE] (UP ) | ≤ 1.5 kV |
フォロー電流消弧能力 [R-T,S-T,R-S] AC (Ifi ) | 50 kAeff |
フォロー電流消弧能力 [S-PE] AC (Ifi ) | 100 Aeff |
フォロー電流制限/選択性 | 50kA まで、 35 A gL/gG ヒューズがトリップしないeff (想定) |
応答時間 (tA ) | ≤ 100 ns |
I までの最大バックアップヒューズ (R,T)K = 50 kAeff | 315 A gG |
I における最大バックアップヒューズ (R,T)K > 50 kAeff | 200 A gG |
最大バックアップヒューズ (R-R´,T-T´) | 125 A gG |
TOV 電圧 [R-T,S-T,R-S] (UT) | TOV テスト不要 |
TOV 電圧 [S-PE] (UT) – 特徴 | 300 V / 2 秒 – 耐久性 |
TOV 電圧 [S-PE] (UT) – 特徴 | 600 V / 1 秒 – 耐久性 |
動作温度範囲(並列配線) (T上 ) | -40°C~+80°C |
動作温度範囲(貫通配線) (T米国 ) | -40°C~+60°C |
機能/故障表示 | 緑/赤 |
接続断面(R、R'、T、T'、S、S'、PE、 9) (最小) | 10 mm2 単線/細線 |
接続断面(R、T、S、PE) (最大) | 50 mm2 撚り線/35 mm2 細線 |
接続断面(R´、T´、S´、 9) (最大) | 35 mm2 撚り線/25 mm2 細線 |
取付方法 | 35 mm DIN レール(EN 60715 準拠) |
ハウジング素材 | 熱可塑性プラスチック、赤色、UL 94 V-0 |
保護等級 | IP 20 |
設置寸法 | 8 TE、DIN 43880 |
認証 | KEMA |
Product 951331 was added to Notepad.
Product 951331 was added to the cart.
Part No. 951339 DV M 3W 255 FM
GTIN 4013364110649, Customs tariff No. (EU): 85363090, Gross weight: 1.28 kg, PU: 1.00 ピース
Technical data
SPD、EN 61643-11 / IEC 61643-11 に準拠した SPD 分類 | タイプ 1 + タイプ 2 / クラス I + クラス II |
公称電圧 AC (UN ) | 3Ø3W200V (50 / 60 Hz) |
交流最高連続電圧 (UC ) | 264 V (50 / 60 Hz) |
最高連続電圧 S-PE (UC ) | 255 V (50 / 60 Hz) |
雷インパルス電流 (10/350) [R+T+S-PE] (I合計 ) | 75 kA |
雷インパルス電流 (10/350) [R-T,S-T,R-S] (Iimp ) | 25 kA |
雷インパルス電流 (10/350) [S-PE] (Iimp ) | 75 kA |
公称放電電流 (8/20) [R+T+S-PE] (In ) | 75 kA |
公称放電電流 (8/20) [R-T,S-T,R-S] (In ) | 25 kA |
公称放電電流 (8/20) [S-PE] (In ) | 75 kA |
保護レベル [R-T,S-T,R-S] (UP ) | ≤ 1.5 kV |
保護レベル [S-PE] (UP ) | ≤ 1.5 kV |
フォロー電流消弧能力 [R-T,S-T,R-S] AC (Ifi ) | 50 kAeff |
フォロー電流消弧能力 [S-PE] AC (Ifi ) | 100 Aeff |
フォロー電流制限/選択性 | 50kA まで、 35 A gL/gG ヒューズがトリップしないeff (想定) |
応答時間 (tA ) | ≤ 100 ns |
I までの最大バックアップヒューズ (R,T)K = 50 kAeff | 315 A gG |
I における最大バックアップヒューズ (R,T)K > 50 kAeff | 200 A gG |
最大バックアップヒューズ (R-R´,T-T´) | 125 A gG |
TOV 電圧 [R-T,S-T,R-S] (UT) | TOV テスト不要 |
TOV 電圧 [S-PE] (UT) – 特徴 | 300 V / 2 秒 – 耐久性 |
TOV 電圧 [S-PE] (UT) – 特徴 | 600 V / 1 秒 – 耐久性 |
動作温度範囲(並列配線) (T上 ) | -40°C~+80°C |
動作温度範囲(貫通配線) (T米国 ) | -40°C~+60°C |
機能/故障表示 | 緑/赤 |
接続断面(R、R'、T、T'、S、S'、PE、 9) (最小) | 10 mm2 単線/細線 |
接続断面(R、T、S、PE) (最大) | 50 mm2 撚り線/35 mm2 細線 |
接続断面(R´、T´、S´、 9) (最大) | 35 mm2 撚り線/25 mm2 細線 |
取付方法 | 35 mm DIN レール(EN 60715 準拠) |
ハウジング素材 | 熱可塑性プラスチック、赤色、UL 94 V-0 |
保護等級 | IP 20 |
設置寸法 | 8 TE、DIN 43880 |
FM 接点/接点形式 | 切替接点 |
スイッチング容量 AC | 250 V / 0.5 A |
スイッチング容量 DC | 250 V / 0.1 A、125 V / 0.2 A、75 V / 0.5 A |
FM 端子用接続断面図 | 最大 1.5 mm2 単線/細線 |
認証 | KEMA |
Product 951339 was added to Notepad.
Product 951339 was added to the cart.
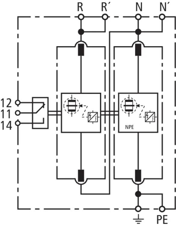
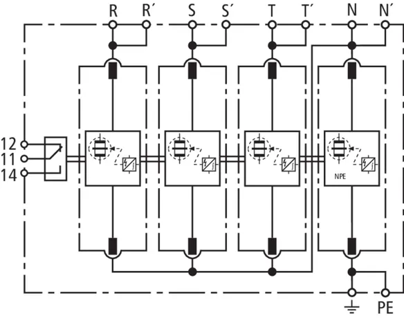
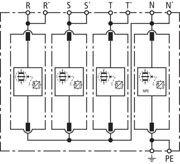
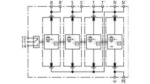
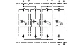
Part No. 951431 DV M 4W 255
GTIN 4013364110663, Customs tariff No. (EU): 85363090, Gross weight: 1.30 kg, PU: 1.00 ピース
Technical data
SPD、EN 61643-11 / IEC 61643-11 に準拠した SPD 分類 | タイプ 1 + タイプ 2 / クラス I + クラス II |
公称電圧 AC (UN ) | 3Ø3W200V * 1Ø3W100/200V (50 / 60 Hz) |
連続最高電圧 [R,S,T-N] AC (UC ) | 264 V (50 / 60 Hz) |
連続最高電圧 [N-PE] AC (UC ) | 255 V (50 / 60 Hz) |
雷インパルス電流 (10/350) [R+S+T+N-PE] (I合計 ) | 100 kA |
雷インパルス電流 (10/350) [R,S,T-N] (Iimp ) | 25 kA |
雷インパルス電流 (10/350) [N-PE] (Iimp ) | 100 kA |
公称放電電流 (8/20) [R+T+S+N-PE] (In ) | 100 kA |
公称放電電流 (8/20) [R,S,T-N] (In ) | 25 kA |
公称放電電流 (8/20) [N-PE] (In ) | 100 kA |
保護レベル [R,S,T-N] (UP ) | ≤ 1.5 kV |
保護レベル [N-PE] (UP ) | ≤ 1.5 kV |
フォロー電流消弧能力 [R,S,T-N] AC (Ifi ) | 50 kAeff |
フォロー電流消弧能力 [N-PE] AC (Ifi ) | 100 Aeff |
フォロー電流制限/選択性 | 50kA まで、 35 A gL/gG ヒューズがトリップしないeff (想定) |
応答時間 (tA ) | ≤ 100 ns |
I までの最大バックアップヒューズ (R,S,T)K = 50 kAeff | 315 A gG |
I における最大バックアップヒューズ (R,S,T)K > 50 kAeff | 200 A gG |
最大バックアップヒューズ (R-R´,S-S´,T-T´) | 125 A gG |
TOV 電圧 [R,S,T-N] (UT) | UT = 220 V < UC – TOV テスト不要 |
TOV 電圧 [N-PE] (UT) – 特徴 | 300 V / 2 秒 – 耐久性 |
TOV 電圧 [N-PE] (UT) – 特徴 | 600 V / 1 秒 – 耐久性 |
動作温度範囲(並列配線) (T上 ) | -40°C~+80°C |
動作温度範囲(貫通配線) (T米国 ) | -40°C~+60°C |
機能/故障表示 | 緑/赤 |
接続断面(R、R´、S、S´、T、T´、N、N´、PE、 9) (最小) | 10 mm2 単線/細線 |
接続断面(R、S、T、N、PE) (最大) | 50 mm2 撚り線/35 mm2 細線 |
接続断面(R'、S'、T'、N'、 9) (最大) | 35 mm2 撚り線/25 mm2 細線 |
取付方法 | 35 mm DIN レール(EN 60715 準拠) |
ハウジング素材 | 熱可塑性プラスチック、赤色、UL 94 V-0 |
保護等級 | IP 20 |
設置寸法 | 8 TE、DIN 43880 |
認証 | KEMA |
Product 951431 was added to Notepad.
Product 951431 was added to the cart.
Part No. 951439 DV M 4W 255 FM
GTIN 4013364110670, Customs tariff No. (EU): 85363090, Gross weight: 1.31 kg, PU: 1.00 ピース
Technical data
SPD、EN 61643-11 / IEC 61643-11 に準拠した SPD 分類 | タイプ 1 + タイプ 2 / クラス I + クラス II |
公称電圧 AC (UN ) | 3Ø3W200V * 1Ø3W100/200V (50 / 60 Hz) |
連続最高電圧 [R,S,T-N] AC (UC ) | 264 V (50 / 60 Hz) |
連続最高電圧 [N-PE] AC (UC ) | 255 V (50 / 60 Hz) |
雷インパルス電流 (10/350) [R+S+T+N-PE] (I合計 ) | 100 kA |
雷インパルス電流 (10/350) [R,S,T-N] (Iimp ) | 25 kA |
雷インパルス電流 (10/350) [N-PE] (Iimp ) | 100 kA |
公称放電電流 (8/20) [R+T+S+N-PE] (In ) | 100 kA |
公称放電電流 (8/20) [R,S,T-N] (In ) | 25 kA |
公称放電電流 (8/20) [N-PE] (In ) | 100 kA |
保護レベル [R,S,T-N] (UP ) | ≤ 1.5 kV |
保護レベル [N-PE] (UP ) | ≤ 1.5 kV |
フォロー電流消弧能力 [R,S,T-N] AC (Ifi ) | 50 kAeff |
フォロー電流消弧能力 [N-PE] AC (Ifi ) | 100 Aeff |
フォロー電流制限/選択性 | 50kA まで、 35 A gL/gG ヒューズがトリップしないeff (想定) |
応答時間 (tA ) | ≤ 100 ns |
I までの最大バックアップヒューズ (R,S,T)K = 50 kAeff | 315 A gG |
I における最大バックアップヒューズ (R,S,T)K > 50 kAeff | 200 A gG |
最大バックアップヒューズ (R-R´,S-S´,T-T´) | 125 A gG |
TOV 電圧 [R,S,T-N] (UT) | UT = 220 V < UC – TOV テスト不要 |
TOV 電圧 [N-PE] (UT) – 特徴 | 300 V / 2 秒 – 耐久性 |
TOV 電圧 [N-PE] (UT) – 特徴 | 600 V / 1 秒 – 耐久性 |
動作温度範囲(並列配線) (T上 ) | -40°C~+80°C |
動作温度範囲(貫通配線) (T米国 ) | -40°C~+60°C |
機能/故障表示 | 緑/赤 |
接続断面(R、R´、S、S´、T、T´、N、N´、PE、 9) (最小) | 10 mm2 単線/細線 |
接続断面(R、S、T、N、PE) (最大) | 50 mm2 撚り線/35 mm2 細線 |
接続断面(R'、S'、T'、N'、 9) (最大) | 35 mm2 撚り線/25 mm2 細線 |
取付方法 | 35 mm DIN レール(EN 60715 準拠) |
ハウジング素材 | 熱可塑性プラスチック、赤色、UL 94 V-0 |
保護等級 | IP 20 |
設置寸法 | 8 TE、DIN 43880 |
FM 接点/接点形式 | 切替接点 |
スイッチング容量 AC | 250 V / 0.5 A |
スイッチング容量 DC | 250 V / 0.1 A、125 V / 0.2 A、75 V / 0.5 A |
FM 端子用接続断面図 | 最大 1.5 mm2 単線/細線 |
認証 | KEMA |
Product 951439 was added to Notepad.
Product 951439 was added to the cart.
Part No. 951321 DV M 3W 255 135
GTIN 4013364110601, Customs tariff No. (EU): 85363090, Gross weight: 1.36 kg, PU: 1.00 ピース
Technical data
SPD、EN 61643-11 / IEC 61643-11 に準拠した SPD 分類 | タイプ 1 + タイプ 2 / クラス I + クラス II |
公称電圧 AC (UN ) | 1Ø3W100/200V (50 / 60 Hz) |
連続最高電圧 [R,T-N] AC (UC ) | 135 V (50 / 60 Hz) |
連続最高電圧 [R-T] AC (UC ) | 264 V (50 / 60 Hz) |
連続最高電圧 [N-PE] AC (UC ) | 255 V (50 / 60 Hz) |
雷インパルス電流 (10/350) [R+T+N-PE] (I合計 ) | 75 kA |
雷インパルス電流 (10/350) [R-N,T-N, R-T] (Iimp ) | 25 kA |
雷インパルス電流 (10/350) [N-PE] (Iimp ) | 75 kA |
公称放電電流 (8/20) [R+T+N-PE] (In ) | 75 kA |
公称放電電流 (8/20) [R-N,T-N, R-T] (In ) | 25 kA |
公称放電電流 (8/20) [N-PE] (In ) | 75 kA |
保護レベル [R-N,T-N, R-T] (UP ) | ≤ 1.5 kV |
保護レベル [N-PE] (UP ) | ≤ 1.5 kV |
フォロー電流消弧能力 [R,T-N] AC (Ifi ) | 30 kAeff |
フォロー電流消弧能力 [R-T] AC (Ifi ) | 50 kAeff |
フォロー電流消弧能力 [N-PE] AC (Ifi ) | 100 Aeff |
フォロー電流制限/選択性 | 30 kA まで、35 A gL/gG ヒューズがトリップしないeff (想定) |
応答時間 (tA ) | ≤ 100 ns |
I までの最大バックアップヒューズ (R,T)K = 30 kAeff | 315 A gG |
I における最大バックアップヒューズ (R,T)K > 30 kAeff | 200 A gG |
最大バックアップヒューズ (R-R´,T-T´) | 125 A gG |
TOV 電圧 [R-T] (UT) | UT = 220 V < UC – TOV テスト不要 |
TOV 電圧 [R,T-N] (UT) – 特徴 | 220 V / 120 分 – 耐久性 |
TOV 電圧 [N-PE] (UT) – 特徴 | 300 V / 2 秒 – 耐久性 |
TOV 電圧 [N-PE] (UT) – 特徴 | 600 V / 1 秒 – 耐久性 |
動作温度範囲(並列配線) (T上 ) | -40°C~+80°C |
動作温度範囲(貫通配線) (T米国 ) | -40°C~+60°C |
機能/故障表示 | 緑/赤 |
接続断面(R、R'、T、T'、N、N'、PE、 9) (最小) | 10 mm2 単線/細線 |
接続断面(R、T、N、PE) (最大) | 50 mm2 撚り線/35 mm2 細線 |
接続断面 (R´、T´、N´、 9) (最大) | 35 mm2 撚り線/25 mm2 細線 |
取付方法 | 35 mm DIN レール(EN 60715 準拠) |
ハウジング素材 | 熱可塑性プラスチック、赤色、UL 94 V-0 |
保護等級 | IP 20 |
設置寸法 | 8 TE、DIN 43880 |
認証 | KEMA |
Product 951321 was added to Notepad.
Product 951321 was added to the cart.
Part No. 951329 DV M 3W 255 135 FM
GTIN 4013364110618, Customs tariff No. (EU): 85363090, Gross weight: 1.26 kg, PU: 1.00 ピース
Technical data
SPD、EN 61643-11 / IEC 61643-11 に準拠した SPD 分類 | タイプ 1 + タイプ 2 / クラス I + クラス II |
公称電圧 AC (UN ) | 1Ø3W100/200V (50 / 60 Hz) |
連続最高電圧 [R,T-N] AC (UC ) | 135 V (50 / 60 Hz) |
連続最高電圧 [R-T] AC (UC ) | 264 V (50 / 60 Hz) |
連続最高電圧 [N-PE] AC (UC ) | 255 V (50 / 60 Hz) |
雷インパルス電流 (10/350) [R+T+N-PE] (I合計 ) | 75 kA |
雷インパルス電流 (10/350) [R-N,T-N, R-T] (Iimp ) | 25 kA |
雷インパルス電流 (10/350) [N-PE] (Iimp ) | 75 kA |
公称放電電流 (8/20) [R+T+N-PE] (In ) | 75 kA |
公称放電電流 (8/20) [R-N,T-N, R-T] (In ) | 25 kA |
公称放電電流 (8/20) [N-PE] (In ) | 75 kA |
保護レベル [R-N,T-N, R-T] (UP ) | ≤ 1.5 kV |
保護レベル [N-PE] (UP ) | ≤ 1.5 kV |
フォロー電流消弧能力 [R,T-N] AC (Ifi ) | 30 kAeff |
フォロー電流消弧能力 [R-T] AC (Ifi ) | 50 kAeff |
フォロー電流消弧能力 [N-PE] AC (Ifi ) | 100 Aeff |
フォロー電流制限/選択性 | 30 kA まで、35 A gL/gG ヒューズがトリップしないeff (想定) |
応答時間 (tA ) | ≤ 100 ns |
I までの最大バックアップヒューズ (R,T)K = 30 kAeff | 315 A gG |
I における最大バックアップヒューズ (R,T)K > 30 kAeff | 200 A gG |
最大バックアップヒューズ (R-R´,T-T´) | 125 A gG |
TOV 電圧 [R-T] (UT) | UT = 220 V < UC – TOV テスト不要 |
TOV 電圧 [R,T-N] (UT) – 特徴 | 220 V / 120 分 – 耐久性 |
TOV 電圧 [N-PE] (UT) – 特徴 | 300 V / 2 秒 – 耐久性 |
TOV 電圧 [N-PE] (UT) – 特徴 | 600 V / 1 秒 – 耐久性 |
動作温度範囲(並列配線) (T上 ) | -40°C~+80°C |
動作温度範囲(貫通配線) (T米国 ) | -40°C~+60°C |
機能/故障表示 | 緑/赤 |
接続断面(R、R'、T、T'、N、N'、PE、 9) (最小) | 10 mm2 単線/細線 |
接続断面(R、T、N、PE) (最大) | 50 mm2 撚り線/35 mm2 細線 |
接続断面 (R´、T´、N´、 9) (最大) | 35 mm2 撚り線/25 mm2 細線 |
取付方法 | 35 mm DIN レール(EN 60715 準拠) |
ハウジング素材 | 熱可塑性プラスチック、赤色、UL 94 V-0 |
保護等級 | IP 20 |
設置寸法 | 8 TE、DIN 43880 |
FM 接点/接点形式 | 切替接点 |
スイッチング容量 AC | 250 V / 0.5 A |
スイッチング容量 DC | 250 V / 0.1 A、125 V / 0.2 A、75 V / 0.5 A |
FM 端子用接続断面図 | 最大 1.5 mm2 単線/細線 |
認証 | KEMA |