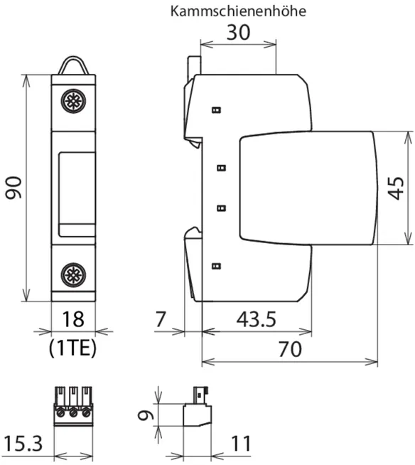
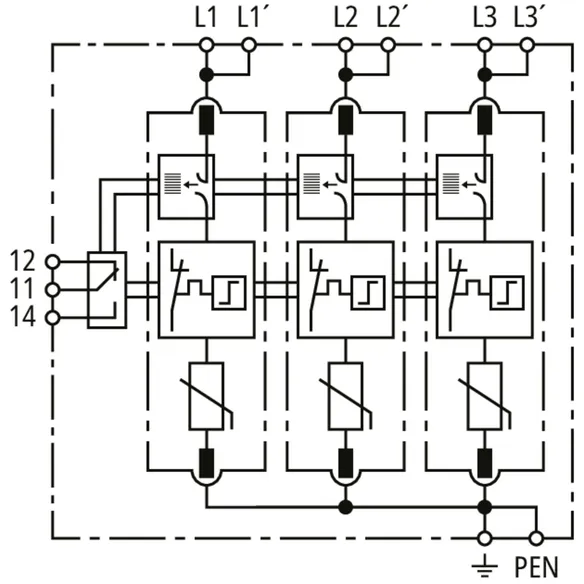
寸法決定が確実な高度回路遮断を備えた DEHNguard モジュラー

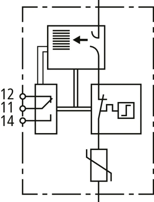
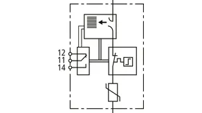
  • 新しい「高度回路遮断」 (ACI) 技術は保護モジュールに統合され、スイッチ/スパークギャップの組み合わせで構成されます
  • ACI 技術により、追加の外部バックアップヒューズが不要
  • 小さな接続断面 6 mm2 (銅製で)で十分対応可能 *)
  • 440 V (AC) における TOV 耐性
  • 35 A gG システムヒューズとの選択接続により、高いシステム可用性を確保
  • ACI スイッチングユニットによるガルバニック絶縁により、完全な漏れ電流フリー
  • Red/Line 製品ラインの中でエネルギー調整されています。
  • EN 60068-2 に準拠した振動・衝撃テスト済み
  • プッシュイン接続技術
*) すべての活線導体の配線は、接地・短絡対策を実施する必要があります

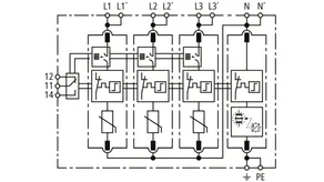
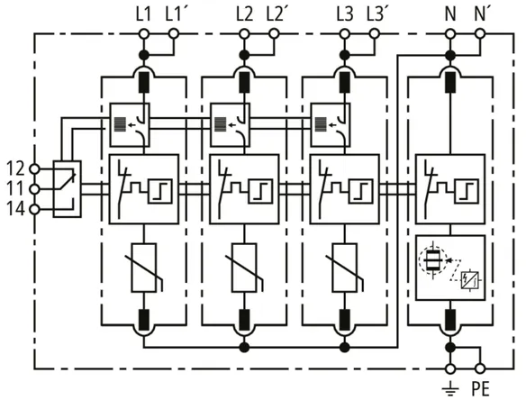
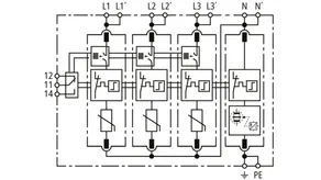
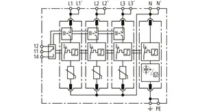
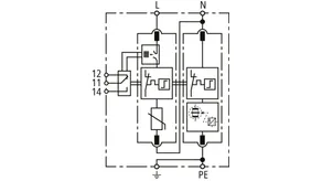
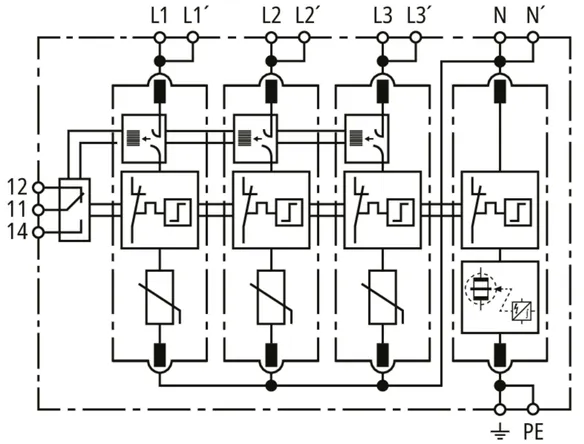
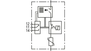
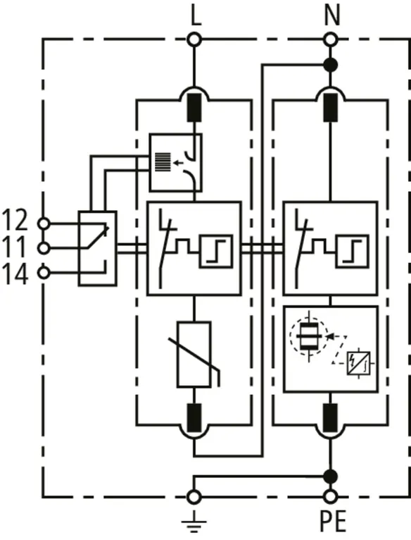
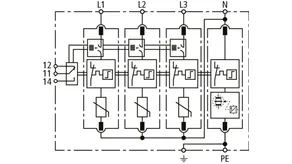
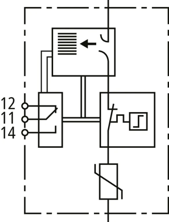
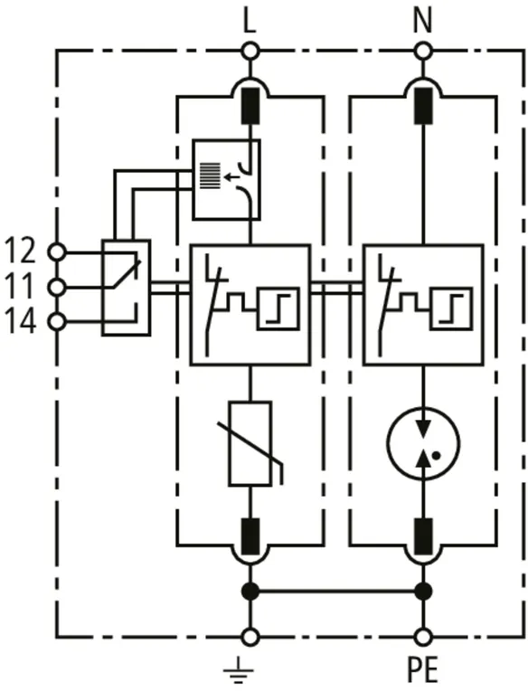
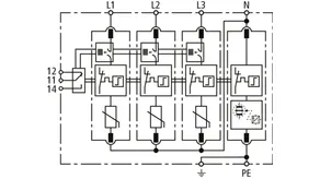
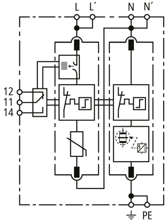
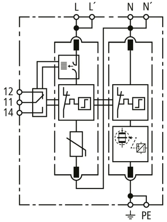
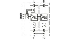
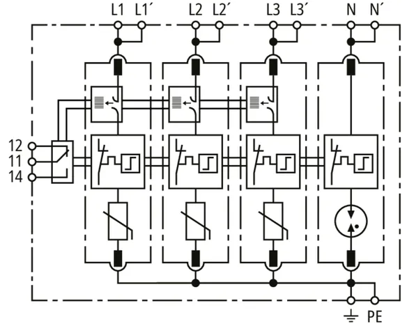
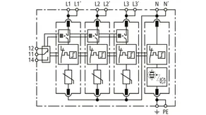
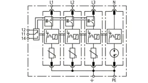
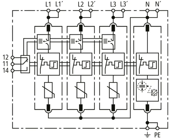
DEHNguard MD TNS ACI 275 FM

TN-S システム(4+0 回路)向けの高度回路遮断 (ACI) 付きモジュール式過電圧避雷器、無電位遠隔信号接点付き。

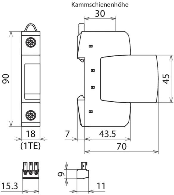
1 Product

Part No. 943440 DG MD TNS ACI 275 FM

GTIN 4013364477131, Customs tariff No. (EU): 85363030, Gross weight: 380.00 g, PU: 1.00 ピース


Images

Additional information

過電圧避雷器 DEHNguard MD TNS ACI 275 FM
ACI 技術採用
4 極モジュール式のプラグ式過電圧避雷器
ACI スイッチス/パークギャップ内蔵
230/400 V TN-S システム用、幅 4TE
遠隔信号接点付き
EN 61643-11 に準拠したタイプ 2 避雷器
故障報告
連続最高電圧:275 V ac
保護レベル:<= 1.5 kV
公称放電電流:20 kA
短絡耐性:25 kAeff
追加の外部バックアップヒューズ不要
DIN EN 62305-4 に準拠したエネルギー調整
Red/Line シリーズの避雷器

Brand: DEHN
タイプ: DG MD TNS ACI 275 FM
記事番号: 943440
or equivalent.

Certificates

 

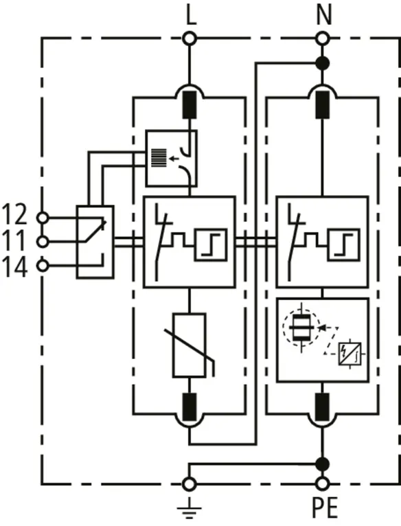
ACI-Technology

A further development of CI technology, ACI technology consists of a switch/spark gap combination connected in series with a heavyduty varistor. This ensures the simple design and safe operation of the surge protective device. Other features are safe dimensioning, TOV withstand, a connection cross-section of only 6 mm² Cu and zero leakage current. Surge arresters with ACI technology offer maximum safety and system availability.

Technical data

SPD、EN 61643-11 / IEC 61643-11 に準拠 タイプ 2 / クラス II
交流最高連続電圧 [L-PE] (UC ) 275 V (50 / 60 Hz)
公称放電電流 (8/20 µs) (In ) 20 kA
保護レベル [L-PE]/[N-PE] (UP ) ≤ 1.5 / ≤ 1.5 kV
追加の外部バックアップヒューズが必要 いいえ
TOV 電圧 [L-N] (UT) – 特徴 335 V / 5 秒 – 耐久性
TOV 電圧 (UT) – 特徴 440 V / 120 分 – 耐久性
漏れ電流 漏れ電流無し
認証 DEKRA

Product 943440 was added to Notepad.

Product 943440 was added to the cart.


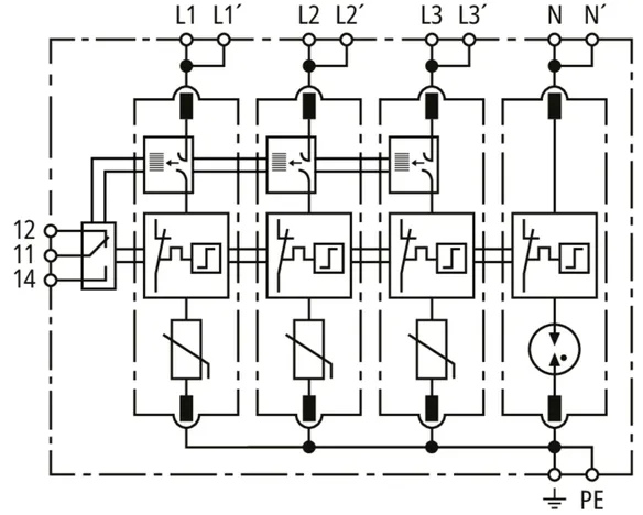
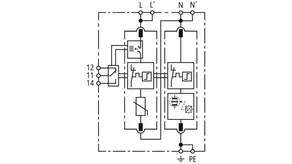
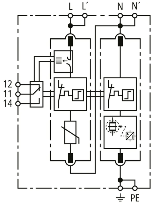
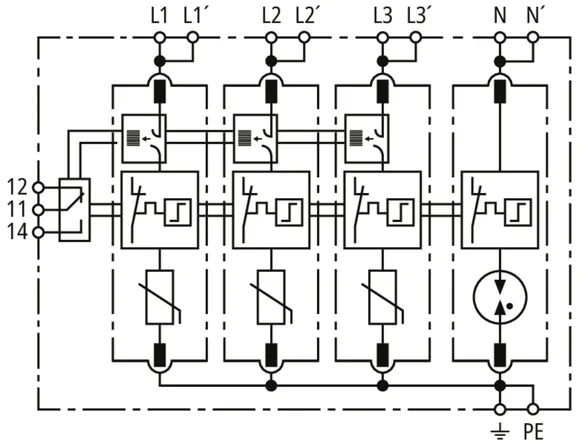
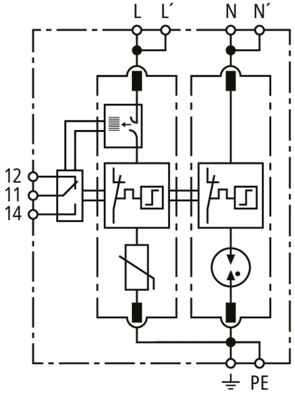
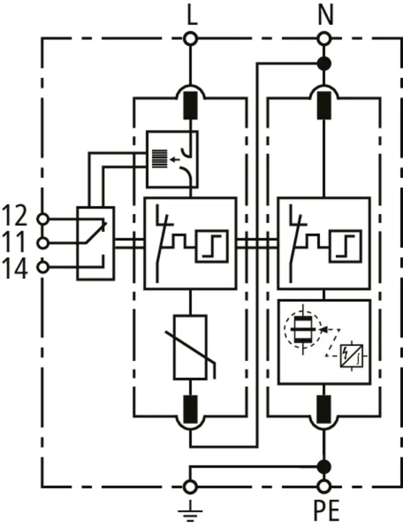
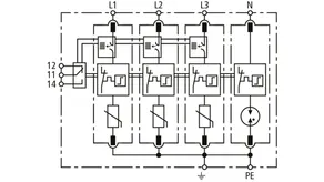
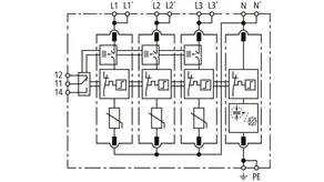
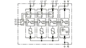
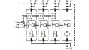
DEHNguard MD TT ACI ...FM

TT- および TN-S システム(3+1 回路)向けの高度回路遮断 (ACI) 付きモジュール式過電圧避雷器、無電位遠隔信号接点付き。

2 Products

Part No. 943341 DG MD TT ACI 275 FM

GTIN 4013364477179, Customs tariff No. (EU): 85363030, Gross weight: 250.00 g, PU: 1.00 ピース


Images

Additional information

過電圧避雷器 DEHNguard MD TT ACI 275 FM
ACI 技術採用
4 極モジュール式のプラグ式過電圧避雷器
ACI スイッチス/パークギャップ内蔵
230/400 V TT-および TN-S システム用、幅 4TE
遠隔信号接点付き
EN 61643-11 に準拠したタイプ 2 避雷器
故障報告
連続最高電圧:275 V ac
保護レベル:<= 1.5 kV
公称放電電流:20 kA
短絡耐性:25 kAeff
追加の外部バックアップヒューズ不要
DIN EN 62305-4 に準拠したエネルギー調整
Red/Line シリーズの避雷器

Brand: DEHN
タイプ: DG MD TT ACI 275 FM
記事番号: 943341
or equivalent.

 

ACI-Technology

A further development of CI technology, ACI technology consists of a switch/spark gap combination connected in series with a heavyduty varistor. This ensures the simple design and safe operation of the surge protective device. Other features are safe dimensioning, TOV withstand, a connection cross-section of only 6 mm² Cu and zero leakage current. Surge arresters with ACI technology offer maximum safety and system availability.

Technical data

SPD、EN 61643-11 / IEC 61643-11 に準拠 タイプ 2 / クラス II
交流最高連続電圧 [L-N] (UC ) 275 V (50 / 60 Hz)
公称放電電流 (8/20 µs) [L-N] (In ) 20 kA
保護レベル [L-N]/[N-PE] (UP ) ≤ 1.5 / ≤ 1.5 kV
追加の外部バックアップヒューズが必要 いいえ
TOV 電圧 [L-N] (UT) – 特徴 335 V / 5 秒 – 耐久性
TOV 電圧 [L-N] (UT) – 特徴 440 V / 120 分 – 強度
TOV 電圧 [N-PE] (UT) – 特徴 1200 V / 200 ミリ秒 – 耐久性
漏れ電流 漏れ電流無し
認証 DEKRA

Product 943341 was added to Notepad.

Product 943341 was added to the cart.

Part No. 943342 DG MD TT ACI 385 FM

GTIN 4013364522251, Customs tariff No. (EU): 85363030, Gross weight: 250.00 g, PU: 1.00 ピース


Images

Additional information

過電圧避雷器 DEHNguard MD TT ACI 385 FM
ACI 技術採用
4 極モジュール式のプラグ式過電圧避雷器
ACI スイッチス/パークギャップ内蔵
230/400 V TT-および TN-S システム用、幅 4TE
遠隔信号接点付き
EN 61643-11 に準拠したタイプ 2 避雷器
故障報告
連続最高電圧:385 V ac
保護レベル:<= 1.5 kV
公称放電電流:20 kA
短絡耐性:25 kAeff
追加の外部バックアップヒューズ不要
DIN EN 62305-4 に準拠したエネルギー調整
Red/Line シリーズの避雷器

Brand: DEHN
タイプ: DG MD TT ACI 385 FM
記事番号: 943342
or equivalent.

 

ACI-Technology

A further development of CI technology, ACI technology consists of a switch/spark gap combination connected in series with a heavyduty varistor. This ensures the simple design and safe operation of the surge protective device. Other features are safe dimensioning, TOV withstand, a connection cross-section of only 6 mm² Cu and zero leakage current. Surge arresters with ACI technology offer maximum safety and system availability.

Technical data

SPD、EN 61643-11 / IEC 61643-11 に準拠 タイプ 2 / クラス II
交流最高連続電圧 [L-N] (UC ) 385 V (50 / 60 Hz)
公称放電電流 (8/20 µs) [L-N] (In ) 20 kA
最大放電電流 (8/20 µs) [L-N] (I最大 ) 40 kA
最大放電電流 (8/20 µs) [N-PE] (I最大 ) 120 kA
保護レベル [L-N]/[N-PE] (UP ) ≤ 1.5 / ≤ 1.5 kV
追加の外部バックアップヒューズが必要 いいえ
TOV 電圧 [L-N] (UT) – 特徴 335 V / 5 秒 – 耐久性
TOV 電圧 [L-N] (UT) – 特徴 440 V / 120 分 – 強度
TOV 電圧 [N-PE] (UT) – 特徴 1200 V / 200 ミリ秒 – 耐久性
漏れ電流 漏れ電流無し
認証 DEKRA

Product 943342 was added to Notepad.

Product 943342 was added to the cart.


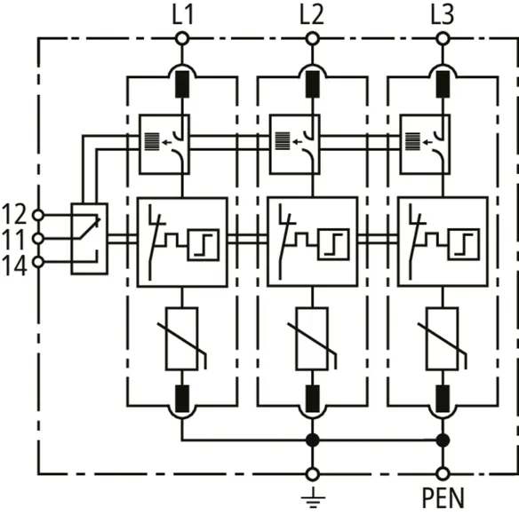
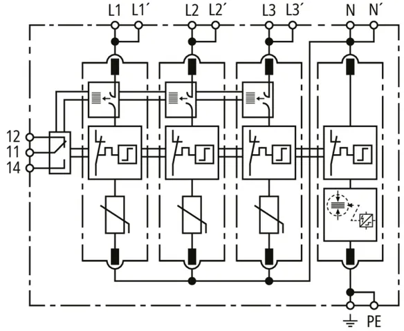
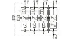
DEHNguard MP TNC ACI 275 FM

TN-C システム向けの高度回路遮断 (ACI) 付きモジュール式避雷器。

1 Product

Part No. 942330 DG MP TNC ACI 275 FM

GTIN 4013364495319, Customs tariff No. (EU): 85363030, Gross weight: 348.11 g, PU: 1.00 ピース


Images

Additional information

過電圧避雷器 DEHNguard MP TNC ACI 275 FM





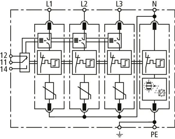
3 極モジュール式、プラグ式過電圧避雷器、統合 ACI スイッチ/スパークギャップを備え、分岐配線および貫通配線用二重プッシュイン接続端子が搭載されています。TN-S システム向け、幅 3TE
遠隔信号接点付き
EN 61643-11 に準拠したタイプ 2 避雷器
故障報告
連続最高電圧:275 V ac
保護レベル:<= 1.5 kV
公称放電電流:20 kA
短絡耐性:25 kAeff
DIN EN 62305-4 に準拠したエネルギー調整
Red/Line シリーズの避雷器

Brand: DEHN
タイプ: DG MP TNC ACI 275 FM
記事番号: 942330
or equivalent.

Certificates

 

ACI-Technology

A further development of CI technology, ACI technology consists of a switch/spark gap combination connected in series with a heavyduty varistor. This ensures the simple design and safe operation of the surge protective device. Other features are safe dimensioning, TOV withstand, a connection cross-section of only 6 mm² Cu and zero leakage current. Surge arresters with ACI technology offer maximum safety and system availability.

Technical data

SPD、EN 61643-11 / IEC 61643-11 に準拠 タイプ 2 / クラス II
交流最高連続電圧 (UC ) 275 V (50 / 60 Hz)
公称放電電流 (8/20 µs) (In ) 20 kA
保護レベル (UP ) ≤ 1.5 kV
追加の外部バックアップヒューズが必要 いいえ
TOV 電圧 (UT) – 特徴 335 V / 5 秒 – 耐久性
TOV 電圧 (UT) – 特徴 440 V / 120 分 – 耐久性
漏れ電流 漏れ電流無し
認証 KEMA、VDE

Product 942330 was added to Notepad.

Product 942330 was added to the cart.


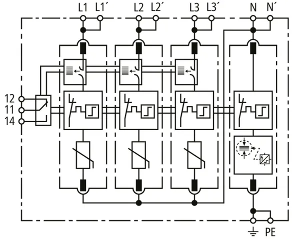
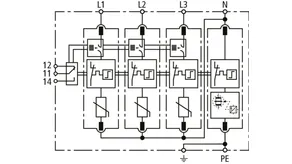
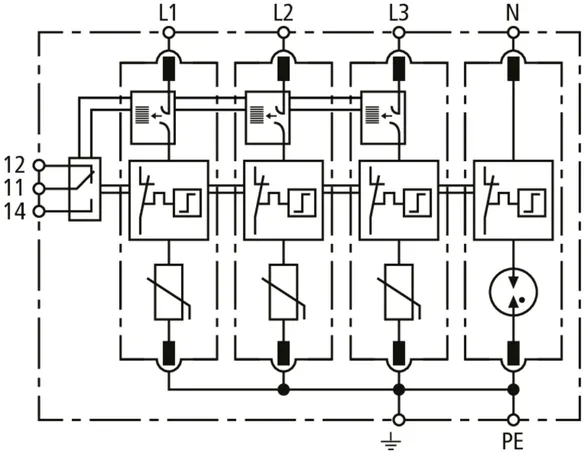
DEHNguard MP TNS ACI ...FM

TN-S システム向けの高度回路遮断 (ACI) 付きモジュール式避雷器。

1 Product

Part No. 942440 DG MP TNS ACI 275 FM

GTIN 4013364477148, Customs tariff No. (EU): 85363030, Gross weight: 377.08 g, PU: 1.00 ピース


Images

Additional information

過電圧避雷器 DEHNguard MP TNS ACI 275 FM





4 極モジュール式、プラグ式過電圧避雷器、統合 ACI スイッチ/スパークギャップを備え、分岐配線および貫通配線用二重プッシュイン接続端子が搭載されています。TN-S システム向け、幅 4TE
遠隔信号接点付き
EN 61643-11 に準拠したタイプ 2 避雷器
故障報告
連続最高電圧:275 V ac
保護レベル:<= 1.5 kV
公称放電電流:20 kA
短絡耐性:25 kAeff
DIN EN 62305-4 に準拠したエネルギー調整
Red/Line シリーズの避雷器

Brand: DEHN
タイプ: DG MP TNS ACI 275 FM
記事番号: 942440
or equivalent.

Certificates

 

ACI-Technology

A further development of CI technology, ACI technology consists of a switch/spark gap combination connected in series with a heavyduty varistor. This ensures the simple design and safe operation of the surge protective device. Other features are safe dimensioning, TOV withstand, a connection cross-section of only 6 mm² Cu and zero leakage current. Surge arresters with ACI technology offer maximum safety and system availability.

Technical data

SPD、EN 61643-11 / IEC 61643-11 に準拠 タイプ 2 / クラス II
交流最高連続電圧 [L-PE] (UC ) 275 V (50 / 60 Hz)
公称放電電流 (8/20 µs) (In ) 20 kA
保護レベル [L-PE]/[N-PE] (UP ) ≤ 1.5 / ≤ 1.5 kV
追加の外部バックアップヒューズが必要 いいえ
TOV 電圧 (UT) – 特徴 335 V / 5 秒 – 耐久性
TOV 電圧 (UT) – 特徴 440 V / 120 分 – 耐久性
漏れ電流 漏れ電流無し
認証 KEMA、VDE

Product 942440 was added to Notepad.

Product 942440 was added to the cart.


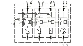
DEHNguard MP TT ACI ...FM

TT- および TN-S システム(3+1 回路)向けの高度回路遮断 (ACI) 付きモジュール式過電圧避雷器。

2 Products

Part No. 942341 DG MP TT ACI 275 FM

GTIN 4013364477186, Customs tariff No. (EU): 85363030, Gross weight: 377.71 g, PU: 1.00 ピース


Images

Additional information

過電圧避雷器 DEHNguard MP TT ACI 275 FM





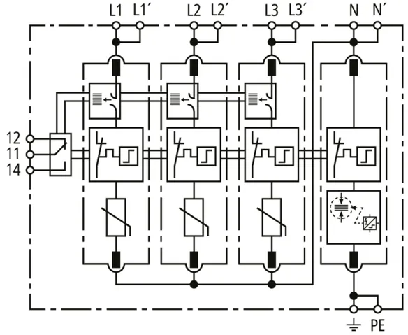
4 極モジュール式、プラグ式過電圧避雷器、統合 ACI スイッチ/スパークギャップを備え、分岐配線および貫通配線用二重プッシュイン接続端子が搭載されています。TT-および TN-S システム向け、幅 4TE
遠隔信号接点付き
EN 61643-11 に準拠したタイプ 2 避雷器
故障報告
連続最高電圧:275 V ac
保護レベル:<= 1.5 kV
公称放電電流:20 kA
短絡耐性:25 kAeff
DIN EN 62305-4 に準拠したエネルギー調整
Red/Line シリーズの避雷器

Brand: DEHN
タイプ: DG MP TT ACI 275 FM
記事番号: 942341
or equivalent.

Certificates

 

ACI-Technology

A further development of CI technology, ACI technology consists of a switch/spark gap combination connected in series with a heavyduty varistor. This ensures the simple design and safe operation of the surge protective device. Other features are safe dimensioning, TOV withstand, a connection cross-section of only 6 mm² Cu and zero leakage current. Surge arresters with ACI technology offer maximum safety and system availability.

Technical data

SPD、EN 61643-11 / IEC 61643-11 に準拠 タイプ 2 / クラス II
交流最高連続電圧 [L-N] (UC ) 275 V (50 / 60 Hz)
公称放電電流 (8/20 µs) [L-N] (In ) 20 kA
保護レベル [L-N]/[N-PE] (UP ) ≤ 1.5 / ≤ 1.5 kV
追加の外部バックアップヒューズが必要 いいえ
TOV 電圧 [L-N] (UT) – 特徴 335 V / 5 秒 – 耐久性
TOV 電圧 [L-N] (UT) – 特徴 440 V / 120 分 – 強度
TOV 電圧 [N-PE] (UT) – 特徴 1200 V / 200 ミリ秒 – 耐久性
漏れ電流 漏れ電流無し
認証 KEMA、VDE

Product 942341 was added to Notepad.

Product 942341 was added to the cart.

Part No. 942342 DG MP TT ACI 385 FM

GTIN 4013364484870, Customs tariff No. (EU): 85363030, Gross weight: 439.00 g, PU: 1.00 ピース


Images

Additional information

過電圧避雷器 DEHNguard MP TT ACI 385 FM





4 極モジュール式、プラグ式過電圧避雷器、統合 ACI スイッチ/スパークギャップを備え、分岐配線および貫通配線用二重プッシュイン接続端子が搭載されています。TT-および TN-S システム向け、幅 4TE
遠隔信号接点付き
EN 61643-11 に準拠したタイプ 2 避雷器
故障報告
連続最高電圧:385 V ac
保護レベル:<= 1.5 kV
公称放電電流:20 kA
短絡耐性:25 kAeff
DIN EN 62305-4 に準拠したエネルギー調整
Red/Line シリーズの避雷器

Brand: DEHN
タイプ: DG MP TT ACI 385 FM
記事番号: 942342
or equivalent.

Certificates

 

ACI-Technology

A further development of CI technology, ACI technology consists of a switch/spark gap combination connected in series with a heavyduty varistor. This ensures the simple design and safe operation of the surge protective device. Other features are safe dimensioning, TOV withstand, a connection cross-section of only 6 mm² Cu and zero leakage current. Surge arresters with ACI technology offer maximum safety and system availability.

Technical data

SPD、EN 61643-11 / IEC 61643-11 に準拠 タイプ 2 / クラス II
交流最高連続電圧 [L-N] (UC ) 385 V (50 / 60 Hz)
公称放電電流 (8/20 µs) (In ) 20 kA
最大放電電流 (8/20 µs) [L-N] (I最大 ) 40 kA
保護レベル [L-N]/[N-PE] (UP ) ≤ 1.5 / ≤ 1.5 kV
追加の外部バックアップヒューズが必要 いいえ
TOV 電圧 [L-N] (UT) – 特徴 335 V / 5 秒 – 耐久性
TOV 電圧 [L-N] (UT) – 特徴 440 V / 120 分 – 強度
TOV 電圧 [N-PE] (UT) – 特徴 1200 V / 200 ミリ秒 – 耐久性
漏れ電流 漏れ電流無し
認証 KEMA、VDE

Product 942342 was added to Notepad.

Product 942342 was added to the cart.


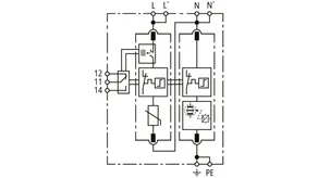
DEHNguard MP TN ACI 275 FM

高度回路遮断 (ACI) 付きモジュール式避雷器 単相 230 V-TN システム用。

1 Product

Part No. 942220 DG MP TN ACI 275 FM

GTIN 4013364495425, Customs tariff No. (EU): 85363030, Gross weight: 234.63 g, PU: 1.00 ピース


Images

Additional information

過電圧避雷器 DEHNguard MP TN ACI 275 FM





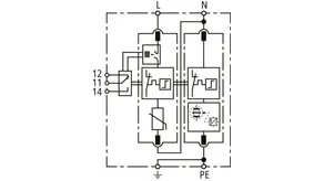
2 極モジュール式、プラグ式過電圧避雷器、統合 ACI スイッチ/スパークギャップを備え、分岐配線および貫通配線用二重プッシュイン接続端子が搭載されています。TN システム向け、幅 2TE
遠隔信号接点付き
EN 61643-11 に準拠したタイプ 2 避雷器
故障報告
連続最高電圧:275 V ac
保護レベル:<= 1.5 kV
公称放電電流:20 kA
短絡耐性:25 kAeff
DIN EN 62305-4 に準拠したエネルギー調整
Red/Line シリーズの避雷器

Brand: DEHN
タイプ: DG MP TN ACI 275 FM
記事番号: 942220
or equivalent.

Certificates

 

ACI-Technology

A further development of CI technology, ACI technology consists of a switch/spark gap combination connected in series with a heavyduty varistor. This ensures the simple design and safe operation of the surge protective device. Other features are safe dimensioning, TOV withstand, a connection cross-section of only 6 mm² Cu and zero leakage current. Surge arresters with ACI technology offer maximum safety and system availability.

Technical data

SPD、EN 61643-11 / IEC 61643-11 に準拠 タイプ 2 / クラス II
交流最高連続電圧 [L-PE] (UC ) 275 V (50 / 60 Hz)
公称放電電流 (8/20 µs) (In ) 20 kA
保護レベル [L-PE]/[N-PE] (UP ) ≤ 1.5 / ≤ 1.5 kV
追加の外部バックアップヒューズが必要 いいえ
TOV 電圧 (UT) – 特徴 335 V / 5 秒 – 耐久性
TOV 電圧 (UT) – 特徴 440 V / 120 分 – 耐久性
漏れ電流 漏れ電流無し
認証 KEMA、VDE

Product 942220 was added to Notepad.

Product 942220 was added to the cart.


DEHNguard MP TT 2P ACI ...FM

2 Products

Part No. 942121 DG MP TT 2P ACI 275 FM

GTIN 4013364495364, Customs tariff No. (EU): 85363030, Gross weight: 250.04 g, PU: 1.00 ピース


Images

Additional information

過電圧避雷器 DEHNguard MP TT 2P ACI 275 FM





2 極モジュール式、プラグ式過電圧避雷器、統合 ACI スイッチ/スパークギャップを備え、分岐配線および貫通配線用二重プッシュイン接続端子が搭載されています。TT-および TN システム向け、幅 2TE
遠隔信号接点付き
EN 61643-11 に準拠したタイプ 2 避雷器
故障報告
連続最高電圧:275 V ac
保護レベル:<= 1.5 kV
公称放電電流:20 kA
短絡耐性:25 kAeff
DIN EN 62305-4 に準拠したエネルギー調整
Red/Line シリーズの避雷器

Brand: DEHN
タイプ: DG MP TT 2P ACI 275 FM
記事番号: 942121
or equivalent.

Certificates

 

ACI-Technology

A further development of CI technology, ACI technology consists of a switch/spark gap combination connected in series with a heavyduty varistor. This ensures the simple design and safe operation of the surge protective device. Other features are safe dimensioning, TOV withstand, a connection cross-section of only 6 mm² Cu and zero leakage current. Surge arresters with ACI technology offer maximum safety and system availability.

Technical data

SPD、EN 61643-11 / IEC 61643-11 に準拠 タイプ 2 / クラス II
交流最高連続電圧 [L-N] (UC ) 275 V (50 / 60 Hz)
公称放電電流 (8/20 µs) [L-N] (In ) 20 kA
保護レベル [L-N]/[N-PE] (UP ) ≤ 1.5 / ≤ 1.5 kV
追加の外部バックアップヒューズが必要 いいえ
TOV 電圧 [L-N] (UT) – 特徴 335 V / 5 秒 – 耐久性
TOV 電圧 [L-N] (UT) – 特徴 440 V / 120 分 – 強度
TOV 電圧 [N-PE] (UT) – 特徴 1200 V / 200 ミリ秒 – 耐久性
漏れ電流 漏れ電流無し
認証 KEMA、VDE

Product 942121 was added to Notepad.

Product 942121 was added to the cart.

Part No. 942122 DG MP TT 2P ACI 385 FM

GTIN 4013364495371, Customs tariff No. (EU): 85363030, Gross weight: 250.24 g, PU: 1.00 ピース


Images

Additional information

過電圧避雷器 DEHNguard MP TT 2P ACI 385 FM





2 極モジュール式、プラグ式過電圧避雷器、統合 ACI スイッチ/スパークギャップを備え、分岐配線および貫通配線用二重プッシュイン接続端子が搭載されています。TT-および TN システム向け、幅 2TE
遠隔信号接点付き
EN 61643-11 に準拠したタイプ 2 避雷器
故障報告
連続最高電圧:385 V ac
保護レベル:<= 1.5 kV
公称放電電流:20 kA
短絡耐性:25 kAeff
DIN EN 62305-4 に準拠したエネルギー調整
Red/Line シリーズの避雷器

Brand: DEHN
タイプ: DG MP TT 2P ACI 385 FM
記事番号: 942122
or equivalent.

Certificates

 

ACI-Technology

A further development of CI technology, ACI technology consists of a switch/spark gap combination connected in series with a heavyduty varistor. This ensures the simple design and safe operation of the surge protective device. Other features are safe dimensioning, TOV withstand, a connection cross-section of only 6 mm² Cu and zero leakage current. Surge arresters with ACI technology offer maximum safety and system availability.

Technical data

SPD、EN 61643-11 / IEC 61643-11 に準拠 タイプ 2 / クラス II
交流最高連続電圧 [L-N] (UC ) 385 V (50 / 60 Hz)
公称放電電流 (8/20 µs) (In ) 20 kA
最大放電電流 (8/20 µs) [L-N] (I最大 ) 40 kA
保護レベル [L-N]/[N-PE] (UP ) ≤ 1.5 / ≤ 1.5 kV
追加の外部バックアップヒューズが必要 いいえ
TOV 電圧 [L-N] (UT) – 特徴 335 V / 5 秒 – 耐久性
TOV 電圧 [L-N] (UT) – 特徴 440 V / 120 分 – 強度
TOV 電圧 [N-PE] (UT) – 特徴 1200 V / 200 ミリ秒 – 耐久性
漏れ電流 漏れ電流無し
認証 KEMA、VDE

Product 942122 was added to Notepad.

Product 942122 was added to the cart.


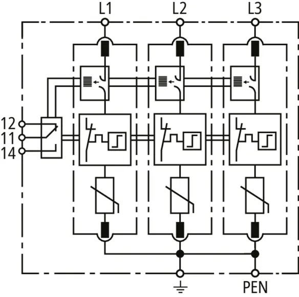
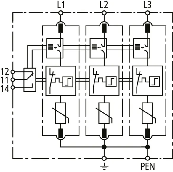
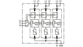
DEHNguard M TNC ACI 275 FM

TN-C システム向けの高度回路遮断 (ACI) 付きモジュール式避雷器。

1 Product

Part No. 952330 DG M TNC ACI 275 FM

GTIN 4013364376649, Customs tariff No. (EU): 85363030, Gross weight: 360.00 g, PU: 1.00 ピース


Images

Additional information

ACI 技術を採用した過電圧避雷器 DEHNguard M TNC ACI 275 FM


3 極モジュール式、プラグ式過電圧避雷器、230/400 V TN-C システム用統合 ACI スイッチ/スパークギャップを備えています。幅 3TE
遠隔信号接点付き
EN 61643-11 に準拠したタイプ 2 避雷器
連続最高電圧:275 V ac
保護レベル:<= 1.5 kV
公称放電電流:20 kA
追加の外部バックアップヒューズ不要
DIN EN 62305-4 に準拠したエネルギー調整
Red/Line シリーズの避雷器
避雷器用機械的の故障インジケータ

Brand: DEHN
タイプ: DG M TNC ACI 275 FM
記事番号: 952330
or equivalent.

Certificates

 

ACI-Technology

A further development of CI technology, ACI technology consists of a switch/spark gap combination connected in series with a heavyduty varistor. This ensures the simple design and safe operation of the surge protective device. Other features are safe dimensioning, TOV withstand, a connection cross-section of only 6 mm² Cu and zero leakage current. Surge arresters with ACI technology offer maximum safety and system availability.

Technical data

SPD、EN 61643-11 / IEC 61643-11 に準拠 タイプ 2 / クラス II
交流最高連続電圧 (UC ) 275 V (50 / 60 Hz)
公称放電電流 (8/20 µs) (In ) 20 kA
保護レベル (UP ) ≤ 1.5 kV
追加の外部バックアップヒューズが必要 いいえ
TOV 電圧 (UT) – 特徴 440 V / 120 分 – 耐久性
漏れ電流 漏れ電流無し
認証 KEMA

Product 952330 was added to Notepad.

Product 952330 was added to the cart.


DEHNguard M TNC ACI 385 FM

1 Product

Part No. 952340 DG M TNC ACI 385 FM

GTIN 4013364560840, Customs tariff No. (EU): 85363030, Gross weight: 383.80 g, PU: 1.00 ピース


Images

Additional information

準拠のノルウェーITネットワーク向け:ACI 技術を採用した過電圧避雷器 DEHNguard M TNC ACI 385 FM
3 極モジュール式のプラグ式過電圧避雷器
ACI スイッチス/パークギャップ内蔵
230/400 V TN-C システム用、幅 3TE
遠隔信号接点付き
EN 61643-11 に準拠したタイプ 2 避雷器
連続最高電圧:285 V ac
保護レベル:<= 1.5 kV
公称放電電流:20 kA
追加の外部バックアップヒューズ不要
DIN EN 62305-4 に準拠したエネルギー調整
Red/Line シリーズの避雷器
避雷器用機械的の故障インジケータ

Brand: DEHN
タイプ: DG M TNC ACI 385 FM
記事番号: 952340
or equivalent.

Certificates

 

ACI-Technology

A further development of CI technology, ACI technology consists of a switch/spark gap combination connected in series with a heavyduty varistor. This ensures the simple design and safe operation of the surge protective device. Other features are safe dimensioning, TOV withstand, a connection cross-section of only 6 mm² Cu and zero leakage current. Surge arresters with ACI technology offer maximum safety and system availability.

Technical data

SPD、EN 61643-11 / IEC 61643-11 に準拠 タイプ 2 / クラス II
交流最高連続電圧 (UC ) 385 V (50 / 60 Hz)
公称放電電流 (8/20 µs) (In ) 20 kA
最大放電電流 (8/20 µs) (I最大 ) 40 kA
保護レベル (UP ) ≤ 1.5 kV
追加の外部バックアップヒューズが必要 いいえ
TOV 電圧 (UT) – 特徴 440 V / 120 分 – 耐久性
漏れ電流 漏れ電流無し
認証 KEMA

Product 952340 was added to Notepad.

Product 952340 was added to the cart.


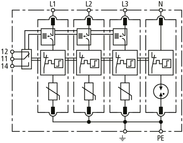
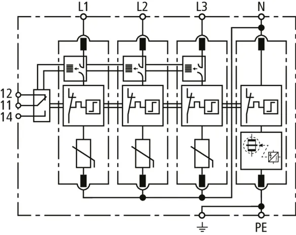
DEHNguard M TNS ACI 275 FM

TN-S システム向けの高度回路遮断 (ACI) 付きモジュール式避雷器。

1 Product

Part No. 952440 DG M TNS ACI 275 FM

GTIN 4013364376625, Customs tariff No. (EU): 85363030, Gross weight: 450.00 g, PU: 1.00 ピース


Images

Additional information

ACI 技術を採用した過電圧避雷器 DEHNguard M TNS ACI 275 FM


4 極モジュール式、プラグ式過電圧避雷器、230/400 V TN-S システム用統合 ACI スイッチ/スパークギャップを備えています。幅 4TE
遠隔信号接点付き
EN 61643-11 に準拠したタイプ 2 避雷器
連続最高電圧:275 V ac
保護レベル:<= 1.5 kV
公称放電電流:20 kA
追加の外部バックアップヒューズ不要
DIN EN 62305-4 に準拠したエネルギー調整
Red/Line シリーズの避雷器
避雷器用機械的の故障インジケータ

Brand: DEHN
タイプ: DG M TNS ACI 275 FM
記事番号: 952440
or equivalent.

Certificates

 

ACI-Technology

A further development of CI technology, ACI technology consists of a switch/spark gap combination connected in series with a heavyduty varistor. This ensures the simple design and safe operation of the surge protective device. Other features are safe dimensioning, TOV withstand, a connection cross-section of only 6 mm² Cu and zero leakage current. Surge arresters with ACI technology offer maximum safety and system availability.

Technical data

SPD、EN 61643-11 / IEC 61643-11 に準拠 タイプ 2 / クラス II
交流最高連続電圧 [L-PE] (UC ) 275 V (50 / 60 Hz)
公称放電電流 (8/20 µs) (In ) 20 kA
保護レベル [L-PE]/[N-PE] (UP ) ≤ 1.5 / ≤ 1.5 kV
追加の外部バックアップヒューズが必要 いいえ
TOV 電圧 (UT) – 特徴 440 V / 120 分 – 耐久性
漏れ電流 漏れ電流無し
認証 KEMA

Product 952440 was added to Notepad.

Product 952440 was added to the cart.


DEHNguard M TT ACI ...FM

高度回路遮断 (ACI) 付きモジュール式避雷器 TT- および TN-S システム(3+1 回路)向け。

2 Products

Part No. 952341 DG M TT ACI 275 FM

GTIN 4013364376632, Customs tariff No. (EU): 85363030, Gross weight: 455.00 g, PU: 1.00 ピース


Images

Additional information

ACI 技術を採用した過電圧避雷器 DEHNguard M TT ACI 275 FM


4 極モジュール式、プラグ式過電圧避雷器、230/400 V TT-および TN-S システム用統合 ACI スイッチ/スパークギャップを備えています。幅 4TE
遠隔信号接点付き
EN 61643-11 に準拠したタイプ 2 避雷器
連続最高電圧:275 V ac
保護レベル:<= 1.5 kV
公称放電電流:20 kA
追加の外部バックアップヒューズ不要
DIN EN 62305-4 に準拠したエネルギー調整
Red/Line シリーズの避雷器
避雷器用機械的の故障インジケータ

Brand: DEHN
タイプ: DG M TT ACI 275 FM
記事番号: 952341
or equivalent.

Certificates

 

ACI-Technology

A further development of CI technology, ACI technology consists of a switch/spark gap combination connected in series with a heavyduty varistor. This ensures the simple design and safe operation of the surge protective device. Other features are safe dimensioning, TOV withstand, a connection cross-section of only 6 mm² Cu and zero leakage current. Surge arresters with ACI technology offer maximum safety and system availability.

Technical data

SPD、EN 61643-11 / IEC 61643-11 に準拠 タイプ 2 / クラス II
交流最高連続電圧 [L-N] (UC ) 275 V (50 / 60 Hz)
公称放電電流 (8/20 µs) [L-N] (In ) 20 kA
保護レベル [L-N]/[N-PE] (UP ) ≤ 1.5 / ≤ 1.5 kV
追加の外部バックアップヒューズが必要 いいえ
TOV 電圧 [L-N] (UT) – 特徴 440 V / 120 分 – 強度
TOV 電圧 [N-PE] (UT) – 特徴 1200 V / 200 ミリ秒 – 耐久性
漏れ電流 漏れ電流無し
認証 KEMA

Product 952341 was added to Notepad.

Product 952341 was added to the cart.

Part No. 952342 DG M TT ACI 385 FM

GTIN 4013364387850, Customs tariff No. (EU): 85363030, Gross weight: 520.00 g, PU: 1.00 ピース


Images

Additional information

ACI 技術を採用した過電圧避雷器 DEHNguard M TT ACI 385 FM


4 極モジュール式、プラグ式過電圧避雷器、230/400 V TT-および TN-S システム用統合 ACI スイッチ/スパークギャップを備えています。幅 4TE
遠隔信号接点付き
EN 61643-11 に準拠したタイプ 2 避雷器
連続最高電圧:385 V ac
保護レベル:<= 1.5 kV
公称放電電流:20 kA
追加の外部バックアップヒューズ不要
DIN EN 62305-4 に準拠したエネルギー調整
Red/Line シリーズの避雷器
避雷器用機械的の故障インジケータ

Brand: DEHN
タイプ: DG M TT ACI 385 FM
記事番号: 952342
or equivalent.

Certificates

 

ACI-Technology

A further development of CI technology, ACI technology consists of a switch/spark gap combination connected in series with a heavyduty varistor. This ensures the simple design and safe operation of the surge protective device. Other features are safe dimensioning, TOV withstand, a connection cross-section of only 6 mm² Cu and zero leakage current. Surge arresters with ACI technology offer maximum safety and system availability.

Technical data

SPD、EN 61643-11 / IEC 61643-11 に準拠 タイプ 2 / クラス II
交流最高連続電圧 [L-N] (UC ) 385 V (50 / 60 Hz)
公称放電電流 (8/20 µs) [L-N] (In ) 20 kA
最大放電電流 (8/20 µs) [L-N] (I最大 ) 40 kA
最大放電電流 (8/20 µs) [N-PE] (I最大 ) 120 kA
保護レベル [L-N]/[N-PE] (UP ) ≤ 1.5 / ≤ 1.5 kV
追加の外部バックアップヒューズが必要 いいえ
TOV 電圧 [L-N] (UT) – 特徴 440 V / 120 分 – 強度
TOV 電圧 [N-PE] (UT) – 特徴 1200 V / 200 ミリ秒 – 耐久性
漏れ電流 漏れ電流無し
認証 KEMA

Product 952342 was added to Notepad.

Product 952342 was added to the cart.


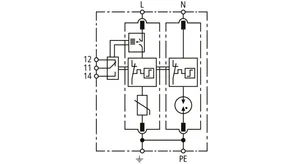
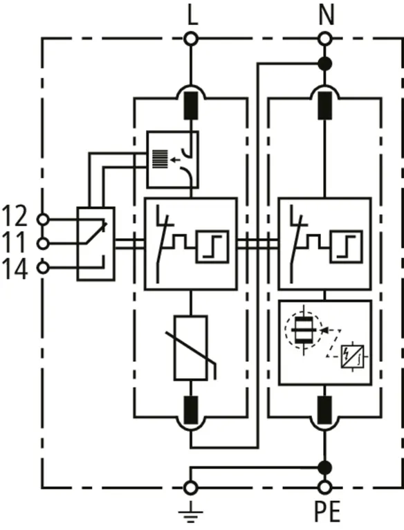
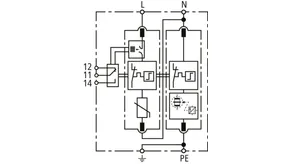
DEHNguard M TN ACI 275 FM

高度回路遮断 (ACI) 付きモジュール式避雷器 単相 230 V-TN システム用。

1 Product

Part No. 952220 DG M TN ACI 275 FM

GTIN 4013364376656, Customs tariff No. (EU): 85363030, Gross weight: 245.00 g, PU: 1.00 ピース


Images

Additional information

ACI 技術を採用した過電圧避雷器 DEHNguard M TN ACI 275 FM


2 極モジュール式、プラグ式過電圧避雷器、単相 230 V TN システム用統合 ACI スイッチ/スパークギャップを備えています。幅 2TE
遠隔信号接点付き
EN 61643-11 に準拠したタイプ 2 避雷器
連続最高電圧:275 V ac
保護レベル:<= 1.5 kV
公称放電電流:20 kA
追加の外部バックアップヒューズ不要
DIN EN 62305-4 に準拠したエネルギー調整
Red/Line シリーズの避雷器
避雷器用機械的の故障インジケータ

Brand: DEHN
タイプ: DG M TN ACI 275 FM
記事番号: 952220
or equivalent.

Certificates

 

ACI-Technology

A further development of CI technology, ACI technology consists of a switch/spark gap combination connected in series with a heavyduty varistor. This ensures the simple design and safe operation of the surge protective device. Other features are safe dimensioning, TOV withstand, a connection cross-section of only 6 mm² Cu and zero leakage current. Surge arresters with ACI technology offer maximum safety and system availability.

Technical data

SPD、EN 61643-11 / IEC 61643-11 に準拠 タイプ 2 / クラス II
交流最高連続電圧 [L-PE] (UC ) 275 V (50 / 60 Hz)
公称放電電流 (8/20 µs) (In ) 20 kA
保護レベル [L-PE]/[N-PE] (UP ) ≤ 1.5 / ≤ 1.5 kV
追加の外部バックアップヒューズが必要 いいえ
TOV 電圧 (UT) – 特徴 440 V / 120 分 – 耐久性
漏れ電流 漏れ電流無し
認証 KEMA

Product 952220 was added to Notepad.

Product 952220 was added to the cart.


DEHNguard M TT 2P ACI ...FM

高度回路遮断 (ACI) 付きモジュール式避雷器 単相 230 V-TT- および TN システム(1+1 回路)向け

2 Products

Part No. 952121 DG M TT 2P ACI 275 FM

GTIN 4013364376663, Customs tariff No. (EU): 85363030, Gross weight: 255.00 g, PU: 1.00 ピース


Images

Additional information

ACI 技術を採用した過電圧避雷器 DEHNguard M TT 2P ACI 275 FM


2 極モジュール式、プラグ式過電圧避雷器、単相 230 V TT-および TN システム用統合 ACI スイッチ/スパークギャップを備えています。幅 2TE
遠隔信号接点付き
EN 61643-11 に準拠したタイプ 2 避雷器
連続最高電圧:275 V ac
保護レベル:<= 1.5 kV
公称放電電流:20 kA
追加の外部バックアップヒューズ不要
DIN EN 62305-4 に準拠したエネルギー調整
Red/Line シリーズの避雷器
避雷器用機械的の故障インジケータ

Brand: DEHN
タイプ: DG M TT 2P ACI 275 FM
記事番号: 952121
or equivalent.

Certificates

 

ACI-Technology

A further development of CI technology, ACI technology consists of a switch/spark gap combination connected in series with a heavyduty varistor. This ensures the simple design and safe operation of the surge protective device. Other features are safe dimensioning, TOV withstand, a connection cross-section of only 6 mm² Cu and zero leakage current. Surge arresters with ACI technology offer maximum safety and system availability.

Technical data

SPD、EN 61643-11 / IEC 61643-11 に準拠 タイプ 2 / クラス II
交流最高連続電圧 [L-N] (UC ) 275 V (50 / 60 Hz)
公称放電電流 (8/20 µs) [L-N] (In ) 20 kA
保護レベル [L-N]/[N-PE] (UP ) ≤ 1.5 / ≤ 1.5 kV
追加の外部バックアップヒューズが必要 いいえ
TOV 電圧 [L-N] (UT) – 特徴 440 V / 120 分 – 強度
TOV 電圧 [N-PE] (UT) – 特徴 1200 V / 200 ミリ秒 – 耐久性
漏れ電流 漏れ電流無し
認証 KEMA

Product 952121 was added to Notepad.

Product 952121 was added to the cart.

Part No. 952122 DG M TT 2P ACI 385 FM

GTIN 4013364387867, Customs tariff No. (EU): 85363030, Gross weight: 298.00 g, PU: 1.00 ピース


Images

Additional information

ACI 技術を採用した過電圧避雷器 DEHNguard M TT 2P ACI 385 FM


2 極モジュール式、プラグ式過電圧避雷器、TT-および TN システム用統合 ACI スイッチ/スパークギャップを備えています。幅 2TE
遠隔信号接点付き
EN 61643-11 に準拠したタイプ 2 避雷器
連続最高電圧:385 V ac
保護レベル:<= 1.5 kV
公称放電電流:20 kA
追加の外部バックアップヒューズ不要
DIN EN 62305-4 に準拠したエネルギー調整
Red/Line シリーズの避雷器
避雷器用機械的の故障インジケータ

Brand: DEHN
タイプ: DG M TT 2P ACI 385 FM
記事番号: 952122
or equivalent.

Certificates

 

ACI-Technology

A further development of CI technology, ACI technology consists of a switch/spark gap combination connected in series with a heavyduty varistor. This ensures the simple design and safe operation of the surge protective device. Other features are safe dimensioning, TOV withstand, a connection cross-section of only 6 mm² Cu and zero leakage current. Surge arresters with ACI technology offer maximum safety and system availability.

Technical data

SPD、EN 61643-11 / IEC 61643-11 に準拠 タイプ 2 / クラス II
交流最高連続電圧 [L-N] (UC ) 385 V (50 / 60 Hz)
公称放電電流 (8/20 µs) [L-N] (In ) 20 kA
最大放電電流 (8/20 µs) [L-N] (I最大 ) 40 kA
最大放電電流 (8/20 µs) [N-PE] (I最大 ) 120 kA
保護レベル [L-N]/[N-PE] (UP ) ≤ 1.5 / ≤ 1.5 kV
追加の外部バックアップヒューズが必要 いいえ
TOV 電圧 [L-N] (UT) – 特徴 440 V / 120 分 – 強度
TOV 電圧 [N-PE] (UT) – 特徴 1200 V / 200 ミリ秒 – 耐久性
漏れ電流 漏れ電流無し
認証 KEMA

Product 952122 was added to Notepad.

Product 952122 was added to the cart.


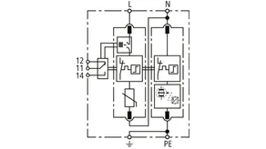
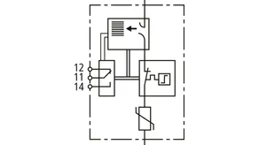
DEHNguard S ACI ...FM

高度回路遮断 (ACI) 搭載の単極分割コア過電圧避雷器。ベース部とプラグ式保護モジュールで構成されています。

2 Products

Part No. 952100 DG S ACI 275 FM

GTIN 4013364376526, Customs tariff No. (EU): 85363030, Gross weight: 142.10 g, PU: 1.00 ピース


Images

Additional information

ACI 技術を採用した過電圧避雷器 DEHNguard S ACI 275 FM

1 極モジュール式、プラグ式過電圧避雷器、統合 ACI スイッチ/スパークギャップを備えています。幅 1TE
遠隔信号接点付き
EN 61643-11 に準拠したタイプ 2 避雷器
連続最高電圧:275 V ac
保護レベル:<= 1.5 kV
公称放電電流:20 kA
追加の外部バックアップヒューズ不要
DIN EN 62305-4 に準拠したエネルギー調整
Red/Line シリーズの避雷器
避雷器用機械的の故障インジケータ

Brand: DEHN
タイプ: DG S ACI 275 FM
記事番号: 952100
or equivalent.

Certificates

 

ACI-Technology

A further development of CI technology, ACI technology consists of a switch/spark gap combination connected in series with a heavyduty varistor. This ensures the simple design and safe operation of the surge protective device. Other features are safe dimensioning, TOV withstand, a connection cross-section of only 6 mm² Cu and zero leakage current. Surge arresters with ACI technology offer maximum safety and system availability.

Technical data

SPD、EN 61643-11 / IEC 61643-11 に準拠 タイプ 2 / クラス II
交流最高連続電圧 (UC ) 275 V (50 / 60 Hz)
公称放電電流 (8/20 µs) (In ) 20 kA
保護レベル (UP ) ≤ 1.5 kV
追加の外部バックアップヒューズが必要 いいえ
TOV 電圧 (UT) – 特徴 440 V / 120 分 – 耐久性
漏れ電流 漏れ電流無し
認証 KEMA

Product 952100 was added to Notepad.

Product 952100 was added to the cart.

Part No. 952113 DG S ACI 385 FM

GTIN 4013364387874, Customs tariff No. (EU): 85363030, Gross weight: 158.00 g, PU: 1.00 ピース


Images

Additional information

ACI 技術を採用した過電圧避雷器 DEHNguard S ACI 275 FM

1 極モジュール式、プラグ式過電圧避雷器、統合 ACI スイッチ/スパークギャップを備えています。幅 1TE
遠隔信号接点付き
EN 61643-11 に準拠したタイプ 2 避雷器
連続最高電圧:275 V ac
保護レベル:<= 1.5 kV
公称放電電流:20 kA
追加の外部バックアップヒューズ不要
DIN EN 62305-4 に準拠したエネルギー調整
Red/Line シリーズの避雷器
避雷器用機械的の故障インジケータ

Brand: DEHN
タイプ: DG S ACI 385 FM
記事番号: 952113
or equivalent.

 

ACI-Technology

A further development of CI technology, ACI technology consists of a switch/spark gap combination connected in series with a heavyduty varistor. This ensures the simple design and safe operation of the surge protective device. Other features are safe dimensioning, TOV withstand, a connection cross-section of only 6 mm² Cu and zero leakage current. Surge arresters with ACI technology offer maximum safety and system availability.

Technical data

SPD、EN 61643-11 / IEC 61643-11 に準拠 タイプ 2 / クラス II
交流最高連続電圧 (UC ) 385 V (50 / 60 Hz)
公称放電電流 (8/20 µs) (In ) 20 kA
最大放電電流 (8/20 µs) (I最大 ) 40 kA
保護レベル (UP ) ≤ 1.5 kV
追加の外部バックアップヒューズが必要 いいえ
TOV 電圧 (UT) – 特徴 440 V / 120 分 – 耐久性
漏れ電流 漏れ電流無し
認証 KEMA

Product 952113 was added to Notepad.

Product 952113 was added to the cart.


back to top