DEHNventil モジュラー
:quality(98)/www.dehn.jp/store/f/63451286/HDVORSCHAU/956315a0001_16-9.jpg)
:quality(98)/www.dehn.jp/store/f/63451286/HDVORSCHAU/956315a0001_16-9.jpg)
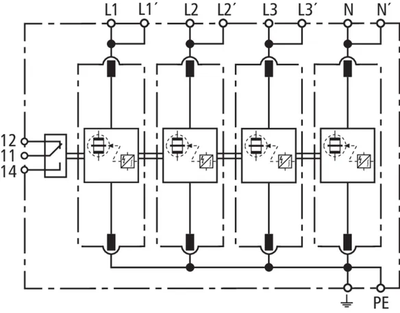
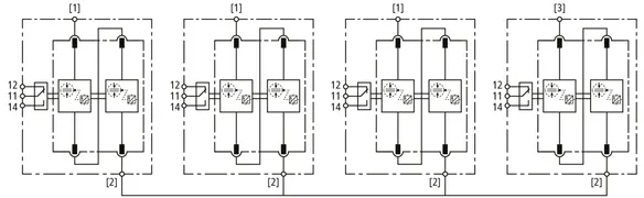
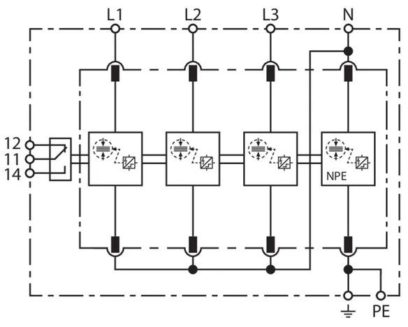
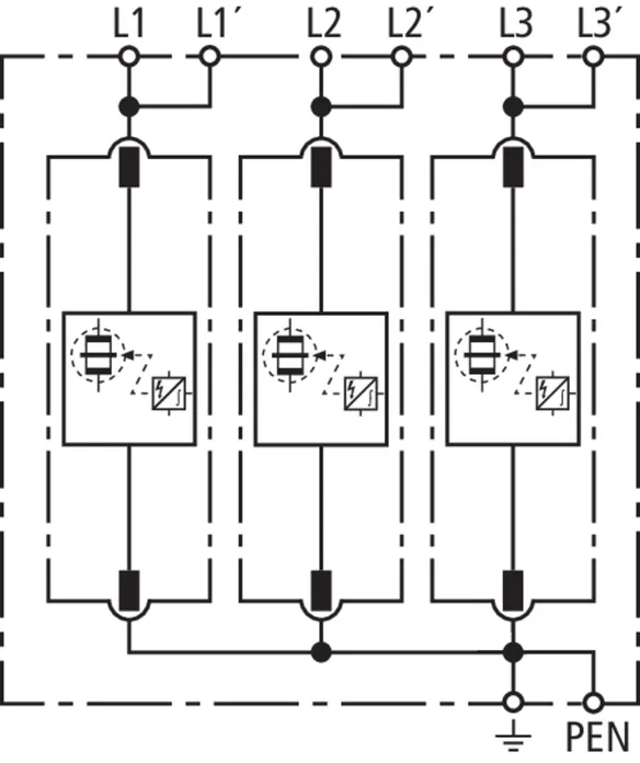
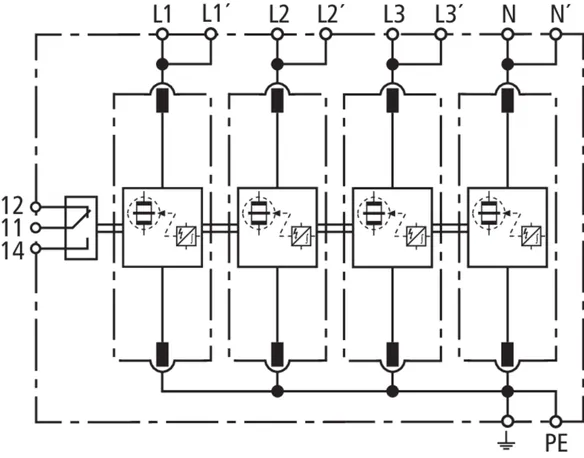
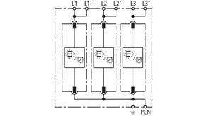
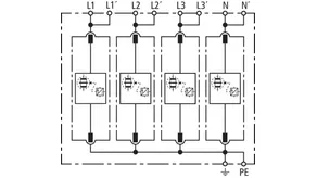
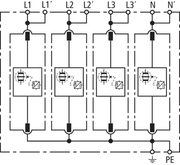
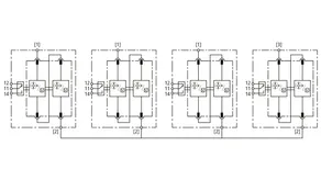
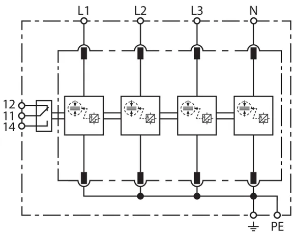
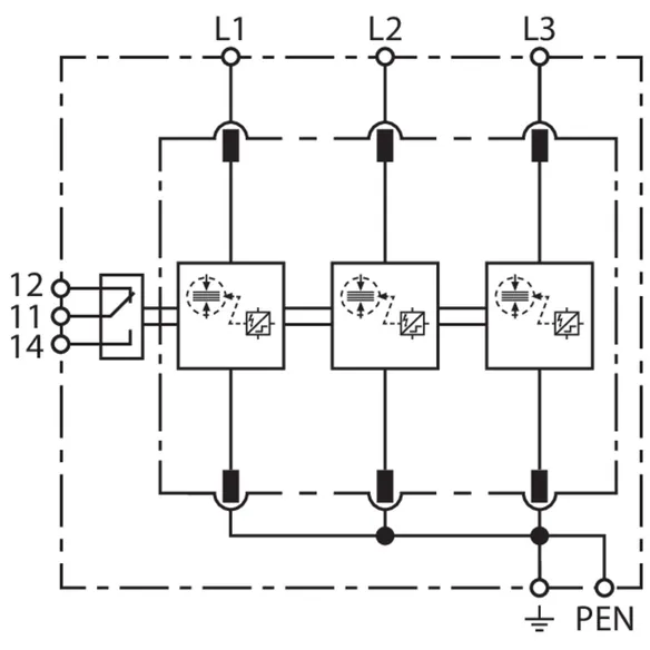
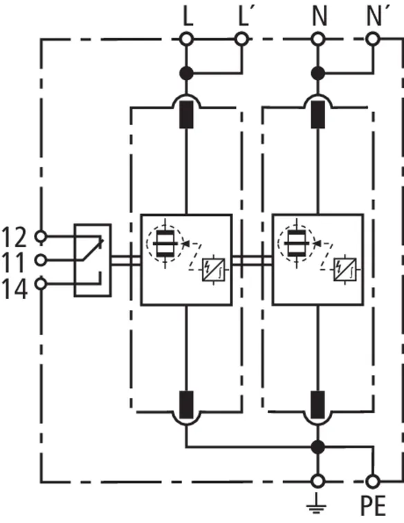
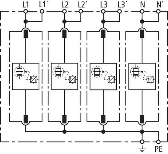
- ベース部と 1 個のプラグ式保護モジュールで構成された、スパークギャップベースの、すぐに配線可能な複合式避雷器タイプ 1 + タイプ 2 + タイプ 3
- 高性能で機器に優しい RAC スパークギャップテクノロジー
- 50 kAeff の短絡電流まで、20 A gG ヒューズに対して遮断選択性
- 最大 100 kA (10/350 μs) の放電容量
- 端末機器の保護を可能にします
- 観察窓に緑-赤のマーキングにによる機能/故障表示、あらゆる保護パスを監視します
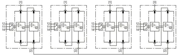
- モジュールリリースボタン付きモジュールロックシステムにより、ツール不要で簡単に保護モジュールを交換できます。
Details
:quality(98)/www.dehn.jp/store/f/63451287/HDVORSCHAU/954315a0004.jpg)
:quality(98)/www.dehn.jp/store/f/63451287/HDVORSCHAU/954315a0004.jpg)
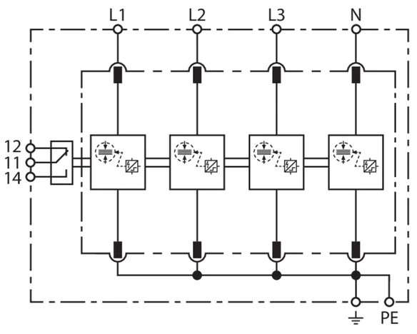
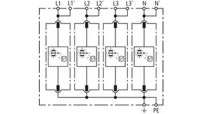
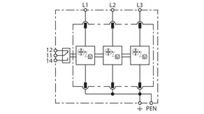
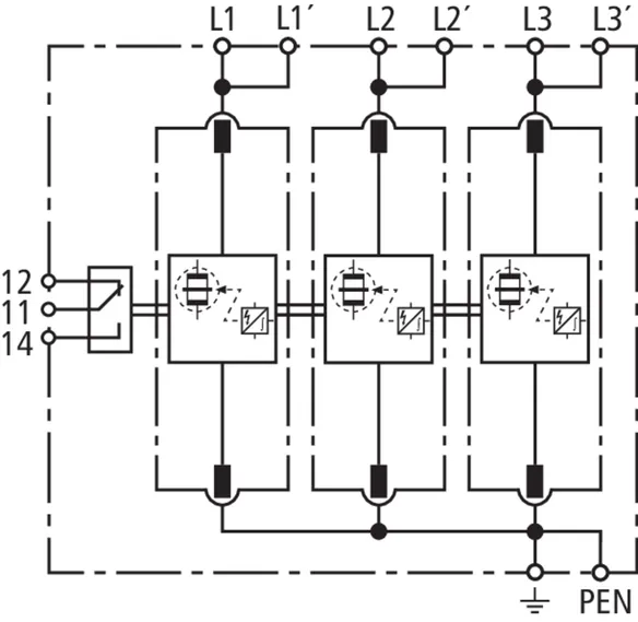
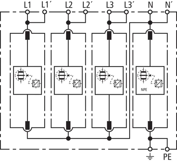
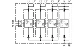
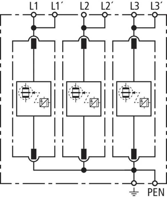
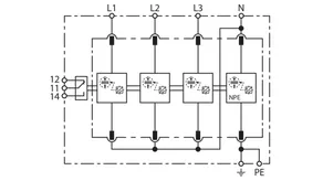
Part No. 956305 DV M2 TNC 255 FM
GTIN 4013364510586, Customs tariff No. (EU): 85363090, Gross weight: 519.19 g, PU: 1.00 ピース
Technical data
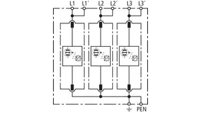
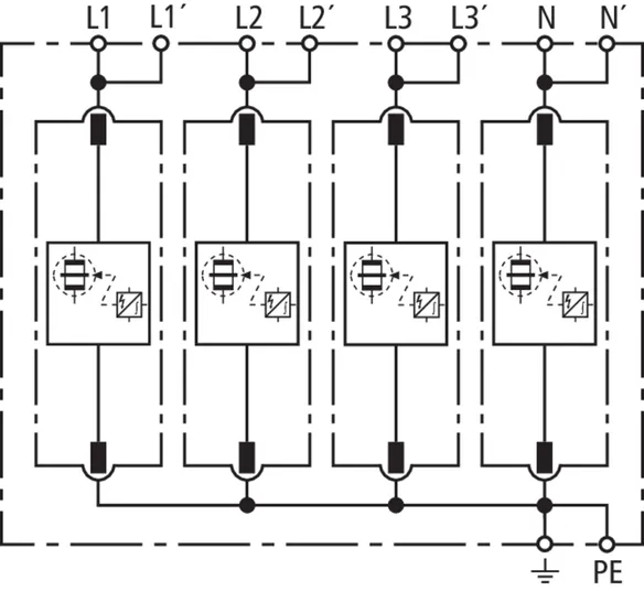
SPD、EN 61643-11 / ... IEC 61643-11 に準拠 | タイプ 1 + タイプ 2 + タイプ 3 / クラス I + クラス II + クラス III |
雷インパルス電流 (10/350 µs) [L1+L2+L3-PEN] (I合計 ) | 75 kA |
雷インパルス電流 (10/350 µs) [L-PEN] (Iimp ) | 25 kA |
保護レベル (UP ) | ≤ 1.5 kV |
最大バックアップヒューズ (L)、I までK = 50 kAeff | 250 A gG |
認証 | VDE、KEMA、UL |
FM 接点/接点形式 | あり/切り替え接点 |
詳細技術仕様: | 想定短絡電流が 50 kA 以上の開閉装置での使用eff |
– 最大予想短絡電流 | 100 kAeff (220 kAピーク) |
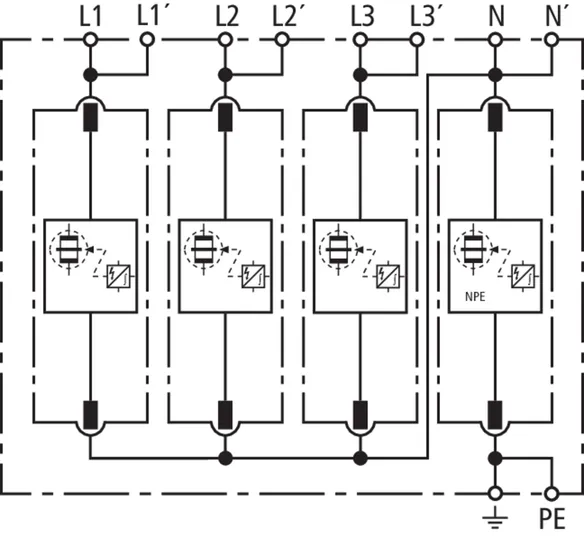
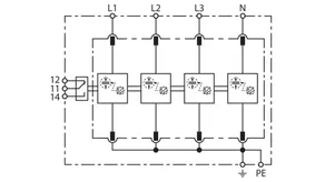
Part No. 956405 DV M2 TNS 255 FM
GTIN 4013364510562, Customs tariff No. (EU): 85363090, Gross weight: 583.68 g, PU: 1.00 ピース
Technical data
SPD、EN 61643-11 / ... IEC 61643-11 に準拠 | タイプ 1 + タイプ 2 + タイプ 3 / クラス I + クラス II + クラス III |
雷インパルス電流 (10/350 µs) [L1+L2+L3+N-PE] (I合計 ) | 100 kA |
雷インパルス電流 (10/350 µs) [L, N-PE] (Iimp ) | 25 kA |
保護レベル [L-PE]/[N-PE] (UP ) | ≤ 1.5 / ≤ 1.5 kV |
最大バックアップヒューズ (L)、I までK = 50 kAeff | 250 A gG |
認証 | VDE、KEMA、UL |
FM 接点/接点形式 | あり/切り替え接点 |
詳細技術仕様: | 想定短絡電流が 50 kA 以上の開閉装置での使用eff |
– 最大予想短絡電流 | 100 kAeff (220 kAピーク) |
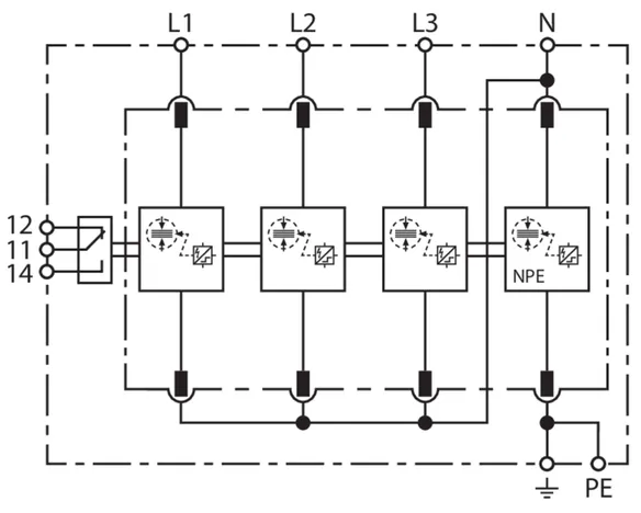
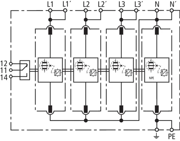
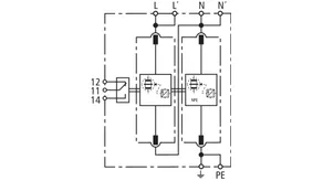
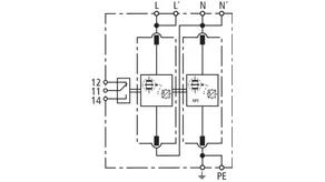
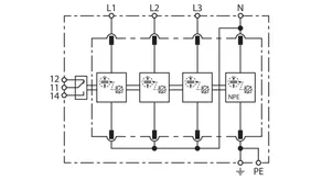
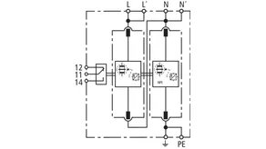
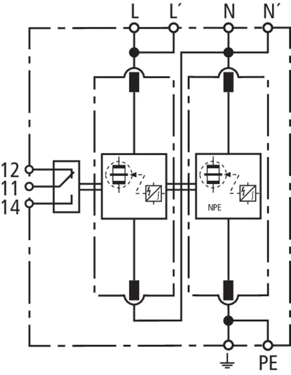
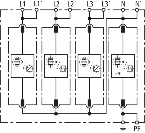
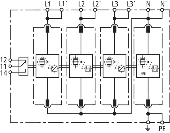
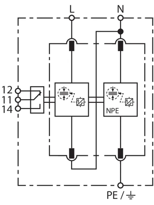
Part No. 956315 DV M2 TT 255 FM
GTIN 4013364528963, Customs tariff No. (EU): 85363090, Gross weight: 616.00 g, PU: 1.00 ピース
Technical data
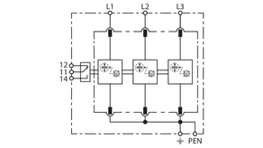
SPD、EN 61643-11 / ... IEC 61643-11 に準拠 | タイプ 1 + タイプ 2 + タイプ 3 / クラス I + クラス II + クラス III |
雷インパルス電流 (10/350 µs) [L1+L2+L3+N-PE] (I合計 ) | 100 kA |
雷インパルス電流 (10/350 µs) [L-N]/[N-PE] (Iimp ) | 25 / 100 kA |
保護レベル [L-N]/[N-PE] (UP ) | ≤ 1.5 / ≤ 1.5 kV |
最大バックアップヒューズ (L)、I までK = 50 kAeff | 250 A gG |
認証 | VDE、KEMA、UL |
FM 接点/接点形式 | あり/切り替え接点 |
詳細技術仕様: | 想定短絡電流が 50 kA 以上の開閉装置での使用eff |
– 最大予想短絡電流 | 100 kAeff (220 kAピーク) |
補足情報: | --------------------------------- |
– 保護レベル [L-PE] (UP ) | 1.8 kV |
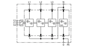
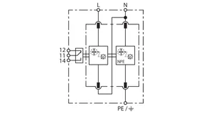
Part No. 956205 DV M2 TN 255 FM
GTIN 4013364510579, Customs tariff No. (EU): 85363090, Gross weight: 311.29 g, PU: 1.00 ピース
Technical data
SPD、EN 61643-11 / ... IEC 61643-11 に準拠 | タイプ 1 + タイプ 2 + タイプ 3 / クラス I + クラス II + クラス III |
雷インパルス電流 (10/350 µs) [L+N-PE] (I合計 ) | 50 kA |
雷インパルス電流 (10/350 µs) [L, N-PE] (Iimp ) | 25 kA |
保護レベル [L-PE]/[N-PE] (UP ) | ≤ 1.5 / ≤ 1.5 kV |
最大バックアップヒューズ (L)、I までK = 50 kAeff | 250 A gG |
認証 | VDE、KEMA、UL |
FM 接点/接点形式 | あり/切り替え接点 |
詳細技術仕様: | 想定短絡電流が 50 kA 以上の開閉装置での使用eff |
– 最大予想短絡電流 | 100 kAeff (220 kAピーク) |
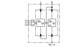
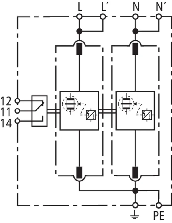
Part No. 956115 DV M2 TT 2P 255 FM
GTIN 4013364546929, Customs tariff No. (EU): 85363090, Gross weight: 327.00 g, PU: 1.00 ピース
Technical data
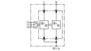
SPD、EN 61643-11 / ... IEC 61643-11 に準拠 | タイプ 1 + タイプ 2 + タイプ 3 / クラス I + クラス II + クラス III |
雷インパルス電流 (10/350 µs) [L+N-PE] (I合計 ) | 50 kA |
雷インパルス電流 (10/350 µs) [L-N]/[N-PE] (Iimp ) | 25 / 50 kA |
保護レベル [L-N]/[N-PE] (UP ) | ≤ 1.5 / ≤ 1.5 kV |
最大バックアップヒューズ (L)、I までK = 50 kAeff | 250 A gG |
認証 | VDE、KEMA、UL |
FM 接点/接点形式 | あり/切り替え接点 |
詳細技術仕様: | 想定短絡電流が 50 kA 以上の開閉装置での使用eff |
– 最大予想短絡電流 | 100 kAeff (220 kAピーク) |
補足情報: | --------------------------------- |
– 保護レベル [L-PE] (UP ) | 1.8 kV |
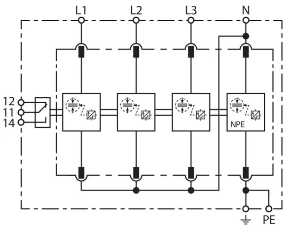
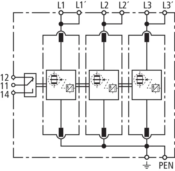
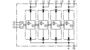
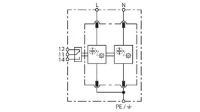
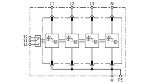
Part No. 951300 DV M TNC 255
GTIN 4013364108134, Customs tariff No. (EU): 85363090, Gross weight: 1004.00 g, PU: 1.00 ピース
Technical data
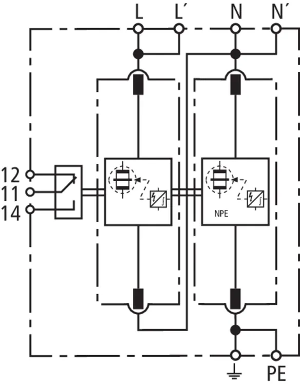
SPD、EN 61643-11 / ... IEC 61643-11 に準拠 | タイプ 1 + タイプ 2 / クラス I + クラス II |
雷インパルス電流 (10/350 µs) [L1+L2+L3-PEN] (I合計 ) | 75 kA |
雷インパルス電流 (10/350 µs) [L-PEN] (Iimp ) | 25 kA |
保護レベル (UP ) | ≤ 1.5 kV |
最大バックアップヒューズ (L)、I までK = 50 kAeff | 315 A gG |
認証 | KEMA, VDE, UL |
詳細技術仕様: | 想定短絡電流が 50 kA 以上の開閉装置での使用eff |
– 最大予想短絡電流 | 100 kAeff (220 kAピーク) |
Part No. 951305 DV M TNC 255 FM
GTIN 4013364108141, Customs tariff No. (EU): 85363090, Gross weight: 1020.00 g, PU: 1.00 ピース
Technical data
SPD、EN 61643-11 / ... IEC 61643-11 に準拠 | タイプ 1 + タイプ 2 / クラス I + クラス II |
雷インパルス電流 (10/350 µs) [L1+L2+L3-PEN] (I合計 ) | 75 kA |
雷インパルス電流 (10/350 µs) [L-PEN] (Iimp ) | 25 kA |
保護レベル (UP ) | ≤ 1.5 kV |
最大バックアップヒューズ (L)、I までK = 50 kAeff | 315 A gG |
認証 | KEMA, VDE, UL |
FM 接点/接点形式 | 切替接点 |
詳細技術仕様: | 想定短絡電流が 50 kA 以上の開閉装置での使用eff |
– 最大予想短絡電流 | 100 kAeff (220 kAピーク) |
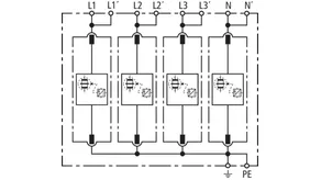
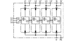
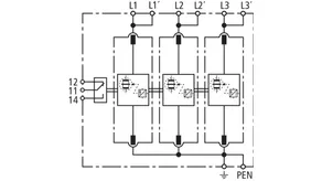
Part No. 951400 DV M TNS 255
GTIN 4013364108158, Customs tariff No. (EU): 85363090, Gross weight: 1.40 kg, PU: 1.00 ピース
Technical data
SPD、EN 61643-11 / ... IEC 61643-11 に準拠 | タイプ 1 + タイプ 2 / クラス I + クラス II |
雷インパルス電流 (10/350 µs) [L1+L2+L3+N-PE] (I合計 ) | 100 kA |
雷インパルス電流 (10/350 µs) [L, N-PE] (Iimp ) | 25 kA |
保護レベル [L-PE]/[N-PE] (UP ) | ≤ 1.5 / ≤ 1.5 kV |
最大バックアップヒューズ (L)、I までK = 50 kAeff | 315 A gG |
認証 | KEMA, VDE, UL |
詳細技術仕様: | 想定短絡電流が 50 kA 以上の開閉装置での使用eff |
– 最大予想短絡電流 | 100 kAeff (220 kAピーク) |
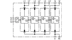
Part No. 951405 DV M TNS 255 FM
GTIN 4013364108165, Customs tariff No. (EU): 85363090, Gross weight: 1.40 kg, PU: 1.00 ピース
Technical data
SPD、EN 61643-11 / ... IEC 61643-11 に準拠 | タイプ 1 + タイプ 2 / クラス I + クラス II |
雷インパルス電流 (10/350 µs) [L1+L2+L3+N-PE] (I合計 ) | 100 kA |
雷インパルス電流 (10/350 µs) [L, N-PE] (Iimp ) | 25 kA |
保護レベル [L-PE]/[N-PE] (UP ) | ≤ 1.5 / ≤ 1.5 kV |
最大バックアップヒューズ (L)、I までK = 50 kAeff | 315 A gG |
認証 | KEMA, VDE, UL |
FM 接点/接点形式 | 切替接点 |
詳細技術仕様: | 想定短絡電流が 50 kA 以上の開閉装置での使用eff |
– 最大予想短絡電流 | 100 kAeff (220 kAピーク) |
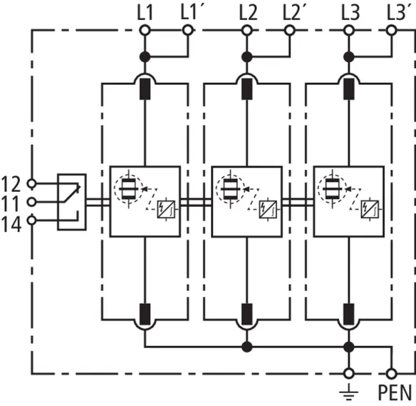
Part No. 951310 DV M TT 255
GTIN 4013364108172, Customs tariff No. (EU): 85363090, Gross weight: 1.31 kg, PU: 1.00 ピース
Technical data
SPD、EN 61643-11 / ... IEC 61643-11 に準拠 | タイプ 1 + タイプ 2 / クラス I + クラス II |
雷インパルス電流 (10/350 µs) [L1+L2+L3+N-PE] (I合計 ) | 100 kA |
雷インパルス電流 (10/350 µs) [L-N]/[N-PE] (Iimp ) | 25 / 100 kA |
保護レベル [L-N]/[N-PE] (UP ) | ≤ 1.5 / ≤ 1.5 kV |
最大バックアップヒューズ (L)、I までK = 50 kAeff | 315 A gG |
認証 | KEMA, VDE, UL |
詳細技術仕様: | 想定短絡電流が 50 kA 以上の開閉装置での使用eff |
– 最大予想短絡電流 | 100 kAeff (220 kAピーク) |
補足情報: | --------------------------------- |
– 保護レベル [L-PE] (UP ) | 2.2 kV |
Part No. 951315 DV M TT 255 FM
GTIN 4013364108189, Customs tariff No. (EU): 85363090, Gross weight: 1.32 kg, PU: 1.00 ピース
Technical data
SPD、EN 61643-11 / ... IEC 61643-11 に準拠 | タイプ 1 + タイプ 2 / クラス I + クラス II |
雷インパルス電流 (10/350 µs) [L1+L2+L3+N-PE] (I合計 ) | 100 kA |
雷インパルス電流 (10/350 µs) [L-N]/[N-PE] (Iimp ) | 25 / 100 kA |
保護レベル [L-N]/[N-PE] (UP ) | ≤ 1.5 / ≤ 1.5 kV |
最大バックアップヒューズ (L)、I までK = 50 kAeff | 315 A gG |
認証 | KEMA, VDE, UL |
FM 接点/接点形式 | 切替接点 |
詳細技術仕様: | 想定短絡電流が 50 kA 以上の開閉装置での使用eff |
– 最大予想短絡電流 | 100 kAeff (220 kAピーク) |
補足情報: | --------------------------------- |
– 保護レベル [L-PE] (UP ) | 2.2 kV |
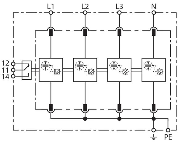
Part No. 951200 DV M TN 255
GTIN 4013364108097, Customs tariff No. (EU): 85363090, Gross weight: 754.00 g, PU: 1.00 ピース
Technical data
SPD、EN 61643-11 / ... IEC 61643-11 に準拠 | タイプ 1 + タイプ 2 / クラス I + クラス II |
雷インパルス電流 (10/350 µs) [L+N-PE] (I合計 ) | 50 kA |
雷インパルス電流 (10/350 µs) [L, N-PE] (Iimp ) | 25 kA |
保護レベル [L-PE]/[N-PE] (UP ) | ≤ 1.5 / ≤ 1.5 kV |
最大バックアップヒューズ (L)、I までK = 50 kAeff | 315 A gG |
認証 | KEMA, VDE, UL |
詳細技術仕様: | 想定短絡電流が 50 kA 以上の開閉装置での使用eff |
– 最大予想短絡電流 | 100 kAeff (220 kAピーク) |
Part No. 951205 DV M TN 255 FM
GTIN 4013364108103, Customs tariff No. (EU): 85363090, Gross weight: 698.50 g, PU: 1.00 ピース
Technical data
SPD、EN 61643-11 / ... IEC 61643-11 に準拠 | タイプ 1 + タイプ 2 / クラス I + クラス II |
雷インパルス電流 (10/350 µs) [L+N-PE] (I合計 ) | 50 kA |
雷インパルス電流 (10/350 µs) [L, N-PE] (Iimp ) | 25 kA |
保護レベル [L-PE]/[N-PE] (UP ) | ≤ 1.5 / ≤ 1.5 kV |
最大バックアップヒューズ (L)、I までK = 50 kAeff | 315 A gG |
認証 | KEMA, VDE, UL |
FM 接点/接点形式 | 切替接点 |
詳細技術仕様: | 想定短絡電流が 50 kA 以上の開閉装置での使用eff |
– 最大予想短絡電流 | 100 kAeff (220 kAピーク) |
Part No. 951110 DV M TT 2P 255
GTIN 4013364108110, Customs tariff No. (EU): 85363090, Gross weight: 688.59 g, PU: 1.00 ピース
Technical data
SPD、EN 61643-11 / ... IEC 61643-11 に準拠 | タイプ 1 + タイプ 2 / クラス I + クラス II |
雷インパルス電流 (10/350 µs) [L+N-PE] (I合計 ) | 50 kA |
雷インパルス電流 (10/350 µs) [L-N]/[N-PE] (Iimp ) | 25 / 50 kA |
保護レベル [L-N]/[N-PE] (UP ) | ≤ 1.5 / ≤ 1.5 kV |
最大バックアップヒューズ (L)、I までK = 50 kAeff | 315 A gG |
認証 | KEMA, VDE, UL |
詳細技術仕様: | 想定短絡電流が 50 kA 以上の開閉装置での使用eff |
– 最大予想短絡電流 | 100 kAeff (220 kAピーク) |
補足情報: | --------------------------------- |
– 保護レベル [L-PE] (UP ) | 2.2 kV |
Part No. 951115 DV M TT 2P 255 FM
GTIN 4013364108127, Customs tariff No. (EU): 85363090, Gross weight: 694.38 g, PU: 1.00 ピース
Technical data
SPD、EN 61643-11 / ... IEC 61643-11 に準拠 | タイプ 1 + タイプ 2 / クラス I + クラス II |
雷インパルス電流 (10/350 µs) [L+N-PE] (I合計 ) | 50 kA |
雷インパルス電流 (10/350 µs) [L-N]/[N-PE] (Iimp ) | 25 / 50 kA |
保護レベル [L-N]/[N-PE] (UP ) | ≤ 1.5 / ≤ 1.5 kV |
最大バックアップヒューズ (L)、I までK = 50 kAeff | 315 A gG |
認証 | KEMA, VDE, UL |
FM 接点/接点形式 | 切替接点 |
詳細技術仕様: | 想定短絡電流が 50 kA 以上の開閉装置での使用eff |
– 最大予想短絡電流 | 100 kAeff (220 kAピーク) |
補足情報: | --------------------------------- |
– 保護レベル [L-PE] (UP ) | 2.2 kV |
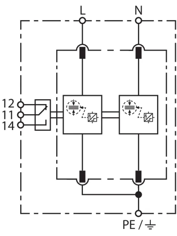
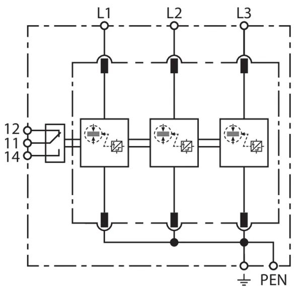
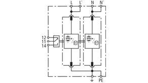
Part No. 961151 DV M2 880 FM
GTIN 4013364532557, Customs tariff No. (EU): 85363090, Gross weight: 1.07 kg, PU: 1.00 ピース
Technical data
SPD、EN 61643-11 / ... IEC 61643-11 に準拠 | タイプ 1 + タイプ 2 / クラス I + クラス II |
雷インパルス電流 (10/350 µs) [1,2-3] (Iimp ) | 12.5 kA |
最大バックアップヒューズ (L)、I までK = 50 kAeff | 160 A gG |
FM 接点/接点形式 | あり/切り替え接点 |
補足情報: | --------------------------------- |
– アンチ PID 電圧 (U1-3 + UPID ) | 508 VAC + 750 VDC – 強度 |