DEHNsecure モジュラー

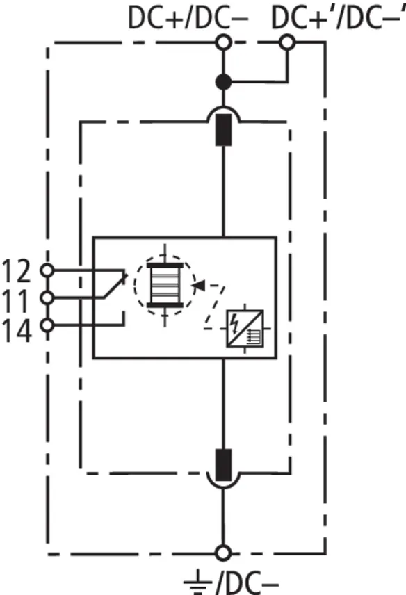
  • ベース部とプラグ式保護モジュールで構成される、スパークギャップに基づく協調型避雷電流雷器
  • 直流回路の使用に特別に設計されるスパークギャップ技術
  • 25 kA (10/350 µs) の高い雷電流放電容量
  • 過電圧保護装置 DEHNguard SE DC との直接協調
  • 低保護レベル
  • 観察窓に緑-赤のマーキングにによる機能/故障表示
  • モジュールリリースボタン付きモジュールロックシステムにより、ツール不要で簡単に保護モジュールを交換できます。

DEHNsecure M 1 ...

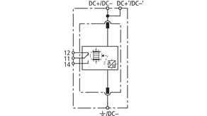
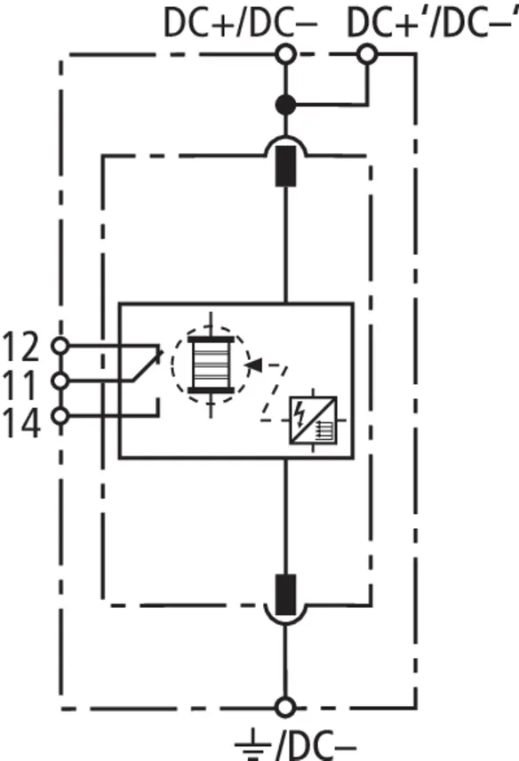
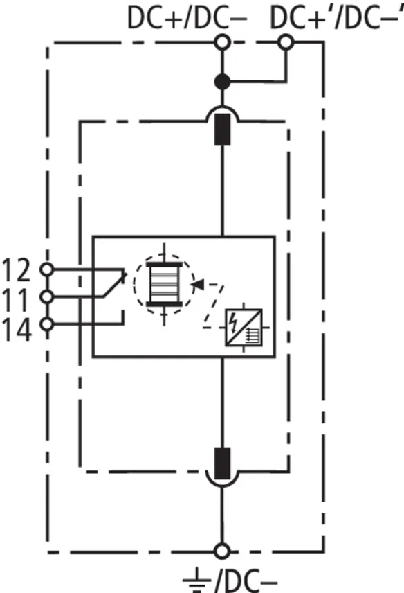
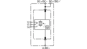
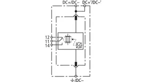
単極、モジュール式、直流用協調型雷電流避雷器。

3 Products

Part No. 971121 DSE M 1 60

GTIN 4013364138582, Customs tariff No. (EU): 85363090, Gross weight: 300.00 g, PU: 1.00 ピース


Images

Additional information

協調型雷電流避雷器 DEHNsecure M 1 60
単極モジュール式のプラグ式協調型雷電流避雷器
直流用途用、幅 2TE
EN 61643-11 に準拠したタイプ 1 避雷器
直流回路の使用に特別に設計されています
スパークギャップテクノロジー
故障報告
連続最高電圧:60 V dc
保護レベル:<= 1.5 kV
雷インパルス電流 (10/350):25 kA
短絡耐性 DC:25 kA
DIN EN 62305-4 に準拠したエネルギー調整
Red/Line シリーズの避雷器

Brand: DEHN
タイプ: DSE M 1 60
記事番号: 971121
or equivalent.

Certificates

 

Wave breaker function

In the case of spark-gap-based type 1 arresters, the entire current flows through the type 1 arrester during the discharge process. Like a wave breaker, the incoming energy is greatly broken down, which significantly relieves the downstream SPDs. All type 1 arresters in the Red/Line product range feature the WBF wave breaker function.

Technical data

EN 61643-11 / ...に準拠した SPD 分類IEC 61643-11 タイプ 1 / クラス I
直流最高連続電圧 (UC ) 60 V
雷インパルス電流 (10/350 µs) (Iimp ) 25 kA
保護レベル (UP ) ≤ 1.5 kV
最大主電源側過電流保護 250 A gG
認証 UL
詳細技術仕様: 非常用照明用

Product 971121 was added to Notepad.

Product 971121 was added to the cart.

Part No. 971120 DSE M 1 220

GTIN 4013364133631, Customs tariff No. (EU): 85363090, Gross weight: 268.20 g, PU: 1.00 ピース


Images

Additional information

協調型雷電流避雷器 DEHNsecure M 1 220
単極モジュール式のプラグ式協調型雷電流避雷器
直流用途用、幅 2TE
EN 61643-11 に準拠したタイプ 1 避雷器
直流回路の使用に特別に設計されています
スパークギャップテクノロジー
故障報告
連続最高電圧:220 V dc
保護レベル:<= 2.5 kV
雷インパルス電流 (10/350):25 kA
短絡耐性 DC:25 kA
DIN EN 62305-4 に準拠したエネルギー調整
Red/Line シリーズの避雷器

Brand: DEHN
タイプ: DSE M 1 220
記事番号: 971120
or equivalent.

Certificates

 

Wave breaker function

In the case of spark-gap-based type 1 arresters, the entire current flows through the type 1 arrester during the discharge process. Like a wave breaker, the incoming energy is greatly broken down, which significantly relieves the downstream SPDs. All type 1 arresters in the Red/Line product range feature the WBF wave breaker function.

Technical data

EN 61643-11 / ...に準拠した SPD 分類IEC 61643-11 タイプ 1 / クラス I
直流最高連続電圧 (UC ) 220 V
雷インパルス電流 (10/350 µs) (Iimp ) 25 kA
保護レベル (UP ) ≤ 2.5 kV
最大主電源側過電流保護 250 A gG
詳細技術仕様: 非常用照明用

Product 971120 was added to Notepad.

Product 971120 was added to the cart.

Part No. 971122 DSE M 1 242

GTIN 4013364144477, Customs tariff No. (EU): 85363090, Gross weight: 273.70 g, PU: 1.00 ピース


Images

Additional information

協調型雷電流避雷器 DEHNsecure M 1 242
単極モジュール式のプラグ式協調型雷電流避雷器
直流用途用、幅 2TE
EN 61643-11 に準拠したタイプ 1 避雷器
直流回路の使用に特別に設計されています
スパークギャップテクノロジー
故障報告
連続最高電圧:242 V dc
保護レベル:<= 2.5 kV
雷インパルス電流 (10/350):25 kA
短絡耐性 DC:25 kA
DIN EN 62305-4 に準拠したエネルギー調整
Red/Line シリーズの避雷器

Brand: DEHN
タイプ: DSE M 1 242
記事番号: 971122
or equivalent.

Certificates

 

Wave breaker function

In the case of spark-gap-based type 1 arresters, the entire current flows through the type 1 arrester during the discharge process. Like a wave breaker, the incoming energy is greatly broken down, which significantly relieves the downstream SPDs. All type 1 arresters in the Red/Line product range feature the WBF wave breaker function.

Technical data

EN 61643-11 / ...に準拠した SPD 分類IEC 61643-11 タイプ 1 / クラス I
直流最高連続電圧 (UC ) 242 V
雷インパルス電流 (10/350 µs) (Iimp ) 25 kA
保護レベル (UP ) ≤ 2.5 kV
最大主電源側過電流保護 250 A gG
詳細技術仕様: 非常用照明用
– 交流最高連続電圧 (UC ) 255 V

Product 971122 was added to Notepad.

Product 971122 was added to the cart.


DEHNsecure M 1 ...FM

直流回路向けの、単極モジュール式の協調雷電流避雷器。装置を監視するための遠隔信号接点を備えています(無電位切替接点)。

3 Products

Part No. 971126 DSE M 1 60 FM

GTIN 4013364138599, Customs tariff No. (EU): 85363090, Gross weight: 304.00 g, PU: 1.00 ピース


Images

Additional information

協調型雷電流避雷器 DEHNsecure M 1 60 FM
単極モジュール式のプラグ式協調型雷電流避雷器
直流用途用、幅 2TE
遠隔信号接点付き
EN 61643-11 に準拠したタイプ 1 避雷器
直流回路の使用に特別に設計されています
スパークギャップテクノロジー
故障報告
連続最高電圧:60 V dc
保護レベル:<= 1.5 kV
雷インパルス電流 (10/350):25 kA
短絡耐性 DC:25 kA
DIN EN 62305-4 に準拠したエネルギー調整
Red/Line シリーズの避雷器

Brand: DEHN
タイプ: DSE M 1 60 FM
記事番号: 971126
or equivalent.

Certificates

 

Wave breaker function

In the case of spark-gap-based type 1 arresters, the entire current flows through the type 1 arrester during the discharge process. Like a wave breaker, the incoming energy is greatly broken down, which significantly relieves the downstream SPDs. All type 1 arresters in the Red/Line product range feature the WBF wave breaker function.

Technical data

EN 61643-11 / ...に準拠した SPD 分類IEC 61643-11 タイプ 1 / クラス I
直流最高連続電圧 (UC ) 60 V
雷インパルス電流 (10/350 µs) (Iimp ) 25 kA
保護レベル (UP ) ≤ 1.5 kV
最大主電源側過電流保護 250 A gG
認証 UL
FM 接点/接点形式 切替接点
詳細技術仕様: 非常用照明用

Product 971126 was added to Notepad.

Product 971126 was added to the cart.

Part No. 971125 DSE M 1 220 FM

GTIN 4013364133648, Customs tariff No. (EU): 85363090, Gross weight: 241.90 g, PU: 1.00 ピース


Images

Additional information

協調型雷電流避雷器 DEHNsecure M 1 220 FM
単極モジュール式のプラグ式協調型雷電流避雷器
直流用途用、幅 2TE
遠隔信号接点付き
EN 61643-11 に準拠したタイプ 1 避雷器
直流回路の使用に特別に設計されています
スパークギャップテクノロジー
故障報告
連続最高電圧:220 V dc
保護レベル:<= 2.5 kV
雷インパルス電流 (10/350):25 kA
短絡耐性 DC:25 kA
DIN EN 62305-4 に準拠したエネルギー調整
Red/Line シリーズの避雷器

Brand: DEHN
タイプ: DSE M 1 220 FM
記事番号: 971125
or equivalent.

Certificates

 

Wave breaker function

In the case of spark-gap-based type 1 arresters, the entire current flows through the type 1 arrester during the discharge process. Like a wave breaker, the incoming energy is greatly broken down, which significantly relieves the downstream SPDs. All type 1 arresters in the Red/Line product range feature the WBF wave breaker function.

Technical data

EN 61643-11 / ...に準拠した SPD 分類IEC 61643-11 タイプ 1 / クラス I
直流最高連続電圧 (UC ) 220 V
雷インパルス電流 (10/350 µs) (Iimp ) 25 kA
保護レベル (UP ) ≤ 2.5 kV
最大主電源側過電流保護 250 A gG
FM 接点/接点形式 切替接点
詳細技術仕様: 非常用照明用

Product 971125 was added to Notepad.

Product 971125 was added to the cart.

Part No. 971127 DSE M 1 242 FM

GTIN 4013364144484, Customs tariff No. (EU): 85363090, Gross weight: 269.50 g, PU: 1.00 ピース


Images

Additional information

協調型雷電流避雷器 DEHNsecure M 1 242 FM
単極モジュール式のプラグ式協調型雷電流避雷器、幅 2TE
直流用途用、幅 2TE
遠隔信号接点付き
EN 61643-11 に準拠したタイプ 1 避雷器
直流回路の使用に特別に設計されています
スパークギャップテクノロジー
故障報告
連続最高電圧:242 V dc
保護レベル:<= 2.5 kV
雷インパルス電流 (10/350):25 kA
短絡耐性 DC:25 kA
DIN EN 62305-4 に準拠したエネルギー調整
Red/Line シリーズの避雷器

Brand: DEHN
タイプ: DSE M 1 242 FM
記事番号: 971127
or equivalent.

Certificates

 

Wave breaker function

In the case of spark-gap-based type 1 arresters, the entire current flows through the type 1 arrester during the discharge process. Like a wave breaker, the incoming energy is greatly broken down, which significantly relieves the downstream SPDs. All type 1 arresters in the Red/Line product range feature the WBF wave breaker function.

Technical data

EN 61643-11 / ...に準拠した SPD 分類IEC 61643-11 タイプ 1 / クラス I
直流最高連続電圧 (UC ) 242 V
雷インパルス電流 (10/350 µs) (Iimp ) 25 kA
保護レベル (UP ) ≤ 2.5 kV
最大主電源側過電流保護 250 A gG
FM 接点/接点形式 切替接点
詳細技術仕様: 非常用照明用
– 交流最高連続電圧 (UC ) 255 V

Product 971127 was added to Notepad.

Product 971127 was added to the cart.


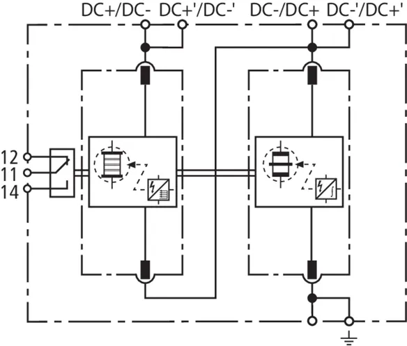
DEHNsecure M 2P ...(FM)

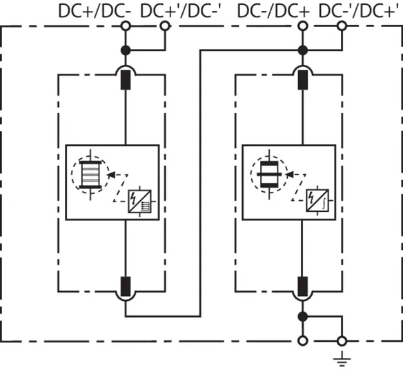
最大 60 V(1+1 回路)までの直流用途用の 2 極、モジュール式、協調型雷電流避雷器、無電位遠隔信号接点付き、FM 仕様。

2 Products

Part No. 971221 DSE M 2P 60

GTIN 4013364138612, Customs tariff No. (EU): 85363090, Gross weight: 638.00 g, PU: 1.00 ピース


Images

Additional information

協調型雷電流避雷器 DEHNsecure M 2P 60
2 極モジュール式のプラグ式協調型雷電流避雷器
直流用途用、幅 4TE
EN 61643-11 に準拠したタイプ 1 避雷器
直流回路の使用に特別に設計されています
スパークギャップテクノロジー
故障報告
連続最高電圧:60 V dc
保護レベル:<= 1.5 kV
雷インパルス電流 (10/350):50 kA
短絡耐性 DC:25 kA
DIN EN 62305-4 に準拠したエネルギー調整
Red/Line シリーズの避雷器

Brand: DEHN
タイプ: DSE M 2P 60
記事番号: 971221
or equivalent.

Certificates

 

Wave breaker function

In the case of spark-gap-based type 1 arresters, the entire current flows through the type 1 arrester during the discharge process. Like a wave breaker, the incoming energy is greatly broken down, which significantly relieves the downstream SPDs. All type 1 arresters in the Red/Line product range feature the WBF wave breaker function.

Technical data

EN 61643-11 / ...に準拠した SPD 分類IEC 61643-11 タイプ 1 / クラス I
直流最高連続電圧 (UC ) 60 V
雷過電圧電流 (10/350 µs) (DC+/DC- -> DC-/DC+) / (DC-/DC+ -> 9) (Iimp ) 25 / 50 kA
保護レベル (DC+/DC- -> DC-/DC+) / (DC-/DC+ -> 9) (UP ) ≤ 1.5 / ≤ 1.5 kV
最大主電源側過電流保護 250 A gG
認証 UL

Product 971221 was added to Notepad.

Product 971221 was added to the cart.

Part No. 971226 DSE M 2P 60 FM

GTIN 4013364138629, Customs tariff No. (EU): 85363090, Gross weight: 675.00 g, PU: 1.00 ピース


Images

Additional information

協調型雷電流避雷器 DEHNsecure M 2P 60 FM
2 極モジュール式のプラグ式協調型雷電流避雷器
直流用途用、幅 4TE
遠隔信号接点付き
EN 61643-11 に準拠したタイプ 1 避雷器
直流回路の使用に特別に設計されています
スパークギャップテクノロジー
故障報告
連続最高電圧:60 V dc
保護レベル:<= 1.5 kV
雷インパルス電流 (10/350):50 kA
短絡耐性 DC:25 kA
DIN EN 62305-4 に準拠したエネルギー調整
Red/Line シリーズの避雷器

Brand: DEHN
タイプ: DSE M 2P 60 FM
記事番号: 971226
or equivalent.

Certificates

 

Wave breaker function

In the case of spark-gap-based type 1 arresters, the entire current flows through the type 1 arrester during the discharge process. Like a wave breaker, the incoming energy is greatly broken down, which significantly relieves the downstream SPDs. All type 1 arresters in the Red/Line product range feature the WBF wave breaker function.

Technical data

EN 61643-11 / ...に準拠した SPD 分類IEC 61643-11 タイプ 1 / クラス I
直流最高連続電圧 (UC ) 60 V
雷過電圧電流 (10/350 µs) (DC+/DC- -> DC-/DC+) / (DC-/DC+ -> 9) (Iimp ) 25 / 50 kA
保護レベル (DC+/DC- -> DC-/DC+) / (DC-/DC+ -> 9) (UP ) ≤ 1.5 / ≤ 1.5 kV
最大主電源側過電流保護 250 A gG
認証 UL
FM 接点/接点形式 切替接点

Product 971226 was added to Notepad.

Product 971226 was added to the cart.


DEHNsecure NG 2P 60 FM

最大 60 V(1+1 回路)までの直流用途用の 2 極、モジュール式、協調型雷電流避雷器、無電位遠隔信号接点付き、FM 仕様。

1 Product

Part No. 971222 DSE NG 2P 60 FM

GTIN 4013364489523, Customs tariff No. (EU): 85363090, Gross weight: 507.00 g, PU: 1.00 ピース


Images

Additional information

協調型雷電流避雷器 DEHNsecure NG 2P 60 FM
2 極、モジュール式のプラグ式
協調型雷電流避雷器
直流用途用、幅 4TE
遠隔信号接点付き
EN 61643-11 に準拠したタイプ 1 避雷器
直流回路の使用に特別に設計されています
適切なスパークギャップテクノロジー
故障報告
連続最高電圧:60 V dc
保護レベル:<= 1.5 kV
雷インパルス電流 (10/350):50 kA
短絡耐性 DC:10 kA
DIN EN 62305-4 に準拠したエネルギー調整
Red/Line シリーズの避雷器

Brand: DEHN
タイプ: DSE NG 2P 60 FM
記事番号: 971222
or equivalent.

Certificates

 

Wave breaker function

In the case of spark-gap-based type 1 arresters, the entire current flows through the type 1 arrester during the discharge process. Like a wave breaker, the incoming energy is greatly broken down, which significantly relieves the downstream SPDs. All type 1 arresters in the Red/Line product range feature the WBF wave breaker function.

Technical data

EN 61643-11 / ...に準拠した SPD 分類IEC 61643-11 タイプ 1 / クラス I
直流最高連続電圧 (UC ) 60 V
雷過電圧電流 (10/350 µs) (DC+/DC- -> DC-/DC+) / (DC-/DC+ -> 9) (Iimp ) 25 / 50 kA
保護レベル (DC+/DC- -> DC-/DC+) / (DC-/DC+ -> 9) (UP ) ≤ 1.5 / ≤ 1.5 kV
最大主電源側過電流保護 250 A gG
FM 接点/接点形式 切替接点

Product 971222 was added to Notepad.

Product 971222 was added to the cart.


back to top