DEHNprotector
:quality(98)/www.dehn.jp/store/f/61014456/HDVORSCHAU/909230a2_16-9.jpg)
:quality(98)/www.dehn.jp/store/f/61014456/HDVORSCHAU/909230a2_16-9.jpg)
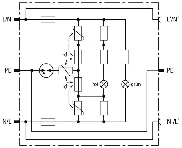
- 監視装置および切り離し装置を備えた過電圧保護装置
- 光学機能インジケーター(緑)と光学故障インジケーター(赤)
- 誤接続防止機能付き Y 保護回路による安全性の向上
Details
:quality(98)/www.dehn.jp/store/f/61014457/HDVORSCHAU/909230a1_Kat.jpg)
:quality(98)/www.dehn.jp/store/f/61014457/HDVORSCHAU/909230a1_Kat.jpg)
Part No. 909230 DPRO 230
GTIN 4013364117686, Customs tariff No. (EU): 85363010, Gross weight: 239.00 g, PU: 1.00 ピース
Technical data
SPD、EN 61643-11 / IEC 61643-11 に準拠 | タイプ 3 / クラス III |
交流最高連続電圧 (UC ) | 255 V (50 / 60 Hz) |
公称放電電流 (8/20 µs) (In ) | 3 kA |
総放電電流 (8/20 µs) [L+N-PE] (I合計 ) | 5 kA |
保護レベル [L-N] / [L/N-PE] (UP ) | ≤ 1350 / ≤ 1500 V |
最大主電源側過電流保護 | B 16 A |
故障報告 | 赤色のランプ |
操作ディスプレイ | 緑色のランプ |