DEHNpatch - データネットワークおよびイーサネットアプリケーション用避雷器

  • イーサネットインフラ向け過電圧保護装置
  • 最大 10 Gbit/s (最大クラスEA /500 MHz)
  • CAT 6A 過電圧保護装置搭載のパッチケーブル(チャンネル内)
  • 屋外用 IP66 仕様
  • IEEE 802.3 準拠のパワー・オーバー・イーサネット(PoE++/4PPoE 対応)
  • いつでも後付け可能

Details

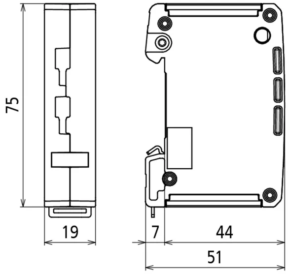
19インチ「パッチラック」ソリューション向け付属品としての取付キット
lorem ipsum
表示および遠隔信号によるシステム対応の簡易保守
lorem ipsum
パッチケーブルバリエーションとして(全シールド、長さ 3 m)
lorem ipsum
保護等級 IP66 の屋外用仕様
lorem ipsum

DPA CLE IP66

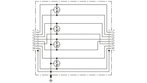
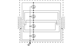
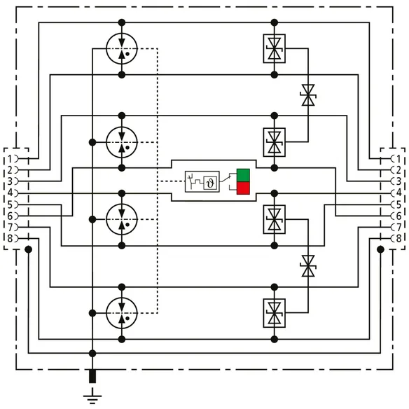
GBit イーサネットアプリケーション、パワーオーバーイーサネット(IEEE 802.3準拠/PoE++・4PPoE対応)およびクラス E までの屋内および屋外の構造化ケーブル配線における構造化配線における類似用途向けの汎用過電圧保護装置。屋内・屋外両用の IP66 ハウジングにより、粉塵および水の侵入を確実に防ぎます。高性能ガス放電管と各ワイヤペア用にカスタマイズされたフィルターマトリックスにより、すべてのワイヤペアを保護します。RJ 45 ソケット付き完全シールド型過電圧保護ソリューション。マストまたは壁面に取り付け可能な汎用取付ブラケット。
外部アクセサリー:マスト取り付け用テンションストラップ

1 Product

Part No. 929221 DPA CLE IP66

GTIN 4013364342866, Customs tariff No. (EU): 85363010, Gross weight: 745.00 g, PU: 1.00 ピース


Images

Additional information

過電圧避雷器クラス E DEHNpatch DPA CLE IP66


GBit イーサネットアプリケーション、パワーオーバーイーサネット(PoE++ / 4PPoE 対応)、および類似用途向けで、IP66 保護等級のフルシールドハウジングを備えています。








避雷器クラスタイプ 2 / P1 の DEHNpatch CLE IP66 は、EN 61643-21 に準拠して試験済みで、EN 50173 に従って最大 60 V DC(PoE++/4PPoE 対応)までのあらゆるデータサービスに汎用対応します。RJ45 ソケットを介するデータネットワークインターフェースの 4 本のワイヤペアを保護し、屋内・屋外でご使用いただけます

Brand: DEHN
タイプ: DPA CLE IP66
記事番号: 929221
or equivalent.

Certificates

 

Technical data

避雷器の等級 T
直流最高連続電圧 Pa-Pa (PoE) (Uc ) 60 V
定格電流 (IL ) 1 A
D1 雷インパルス電流 (10/350 µs)、1導体あたり (Iimp ) 0.8 kA
D1 雷インパルス電流 (10/350 µs)、合計 (Iimp ) 4 kA
C2 定格放電電流 (8/20 µs) 合計 (In ) 10 kA
カットオフ周波数 (fG ) 250 MHz
保護等級(接続ケーブル付き) IP 66
入力/出力接続 RJ45 ソケット / RJ45 ソケット
認証 UL 497B、CSA

Product 929221 was added to Notepad.

Product 929221 was added to the cart.


DEHNpatch クラス EA(新)

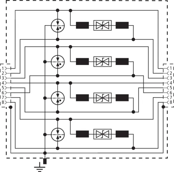
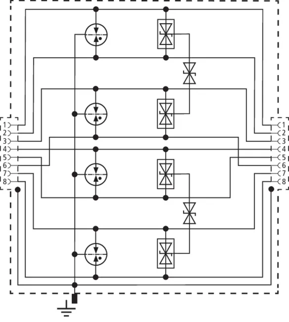
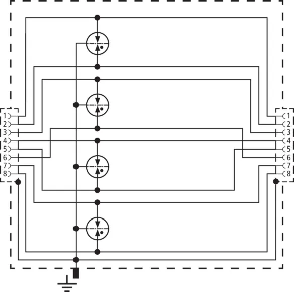
19 mm 幅の省スペース対応汎用複合型過電圧避雷器。RJ45 接続技術とステータス表示を備え、簡単なメンテナンスを実現。クラス E 構造化配線向けの各種アプリケーションを保護用A 最大 500 MHz まで、産業用イーサネット、データディストリビューター、デジタルカメラシステム、パワーオーバーイーサネット(IEEE 802.3 準拠、4PPoE まで)、イーサネットベースインターフェイス全般など。信号線と電線対の間の高性能ガス放電管と保護ダイオードを使用し、すべての電線対を保護します。DIN レール取り付け装置用 RJ45 ソケット付き完全シールド型アダプター仕様。ハウジング側には、オプションでアース接続用のねじ接続を追加します。

1 Product

Part No. 929161 DPA CL8 EA 4PPOE

GTIN 4013364472921, Customs tariff No. (EU): 85363010, Gross weight: 188.70 g, PU: 1.00 ピース


Images

Additional information

過電圧保護装置 DEHNpatch CL8 EA 4PPOE





ISO/IEC 11801 準拠の伝送クラス EA 対応のコンパクトな複合型過電圧避雷器。最大 10 Gbit/s のイーサネットおよび(最大 4PPoE)対応パワーオーバーイーサネットアプリケーションにおける、データインターフェースを雷過電圧と過電圧から保護します。
RJ45 ソケットによる 4 対のワイヤペアを保護用
完全シールド型の仕様
EN/IEC 61643-21 に基づいて試験済み
避雷器の等級 タイプ 1/P2
パルスのカテゴリー:D1, C1, C2, C3, B2




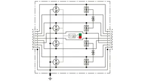
統合されたステータス表示、別売りの FM ユニットによる状態監視対応、19 mm 幅の省スペース設計、35 mm の DIN レール経由/ハウジング側のネジ端子経由で接地
連続最高電圧:3.3 V DC
70°C での定格電流:1.5 A
カットオフ周波数:500 MHz
C2 定格放電電流 (8/20)、各導体あたり:2.5 kA
C2 定格放電電流 (8/20)、合計:10 kA
D1 雷インパルス電流 (10/350 µs)、各導体あたり:0.5 kA
D1 雷インパルス電流 (10/350 µs)、合計:4 kA
ケーブル接続:RJ45 ソケット

Brand: DEHN
タイプ: DPA CL8 EA 4PPOE
記事番号: 929161
or equivalent.

Certificates

 

Technical data

避雷器の等級 L
直流最高連続電圧 (Uc ) 3.3 V
直流最高連続電圧 Pa-Pa (PoE) (Uc ) 58 V
定格電流 (IL ) 1.5 A
D1 雷インパルス電流 (10/350 µs)、1導体あたり (Iimp ) 0.5 kA
C2 定格放電電流 (8/20 µs) 合計 (In ) 10 kA
カットオフ周波数 (fG ) 500 MHz
入力/出力接続 RJ45 ソケット / RJ45 ソケット
認証 GHMT、UL 497B

Product 929161 was added to Notepad.

Product 929161 was added to the cart.


DEHNpatch Class E

産業イーサネット、パワーオーバーイーサネット(IEEE 802.3準拠、PoE++/4PPoE 対応)、および最大 250 MHz までのクラス E 準拠の構造化配線における類似アプリケーション向けの汎用避雷器。高性能ガス放電管と各ワイヤペア用にカスタマイズされたフィルターマトリックスにより、すべてのワイヤペアを保護します。DIN レール取り付け用ソケット付き完全シールド型仕様(最大 1 Gbit イーサネット対応)。

1 Product

Part No. 929121 DPA M CLE RJ45B 48

GTIN 4013364118935, Customs tariff No. (EU): 85363010, Gross weight: 122.00 g, PU: 1.00 ピース


Images

Additional information

過電圧避雷器クラス E DEHNpatch DPA M CLE RJ45B 48
過電圧避雷器クラス E
完全シールド型
避雷器クラスタイプ 2 / P1








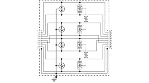
DEHNpatch M、EN 61643-21 に準拠して試験済み、EN 50173 に従って最大 57 V DC までのあらゆるデータサービスに汎用対応。RJ45 ソケットを介してデータネットワークインターフェースの 4 本のワイヤペアを保護し、ディストリビューターまたはシングルユーザーでの使用に適しています。省スペース、幅 19 mm。

Brand: DEHN
タイプ: DPA M CLE RJ45B 48
記事番号: 929121
or equivalent.

Certificates

 

Technical data

避雷器の等級 T
直流最高連続電圧 (Uc ) 48 V
直流最高連続電圧 Pa-Pa (PoE) (Uc ) 57 V
定格電流 (IL ) 1 A
D1 雷インパルス電流 (10/350 µs)、1導体あたり (Iimp ) 0.5 kA
C2 定格放電電流 (8/20 µs) 合計 (In ) 10 kA
カットオフ周波数 (fG ) 250 MHz
入力/出力接続 RJ45 ソケット / RJ45 ソケット
認証 CSA、UL 497B

Product 929121 was added to Notepad.

Product 929121 was added to the cart.


DEHNpatch クラス D (新)

19 mm 幅の省スペース対応汎用雷電流避雷器。雷保護等電位ボンディング向けの RJ45 接続技術が装備されています。最大 100 MHz まで、クラス D 準拠の構造化配線におけるアプリケーション保護、例えば、産業用イーサネット、データディストリビューター、デジタルカメラシステム、パワーオーバーイーサネット(IEEE 802.3 準拠、4PPoE まで)、イーサネットベースインターフェイス全般など。高性能ガス放電管とを使用し、すべての電線対を保護します。DIN レール取り付け装置用 RJ45 ソケット付き完全シールド型アダプター仕様。ハウジング側には、オプションでアース接続用のねじ接続を追加します。

1 Product

Part No. 929166 DPA C8 D 4PPOE

GTIN 4013364472914, Customs tariff No. (EU): 85363010, Gross weight: 178.25 g, PU: 1.00 ピース


Images

Additional information

過電圧避雷器 DEHNpatch C8 D 4PPOE




ISO/IEC 11801 準拠の伝送クラス D 対応のコンパクトな雷電流避雷器。最大 1 GBit のイーサネットおよび(最大 4PPoE)対応パワーオーバーイーサネットアプリケーションにおける、データインターフェースを雷電流から保護します。
RJ45 ソケットによる 4 対のワイヤペアを保護用
完全シールド型の仕様
EN/IEC 61643-21 に基づいて試験済み
避雷器の等級 タイプ 1
パルスカテゴリー:D1、C2、C3


19 mm 幅の省スペース設計、35 mm の DIN レール経由/ハウジング側のネジ端子経由で接地
連続最高電圧:3.3 V DC
70°C での定格電流:1.5 A
カットオフ周波数:100 MHz
C2 定格放電電流 (8/20)、各導体あたり:2.5 kA
C2 定格放電電流 (8/20)、合計:10 kA
D1 雷インパルス電流 (10/350 µs)、各導体あたり:0.5 kA
D1 雷インパルス電流 (10/350 µs)、合計:4 kA
ケーブル接続:RJ45 ソケット

Brand: DEHN
タイプ: DPA C8 D 4PPOE
記事番号: 929166
or equivalent.

Certificates

 

Technical data

避雷器の等級 A
直流最高連続電圧 (Uc ) 3.3 V
直流最高連続電圧 Pa-Pa (PoE) (Uc ) 58 V
定格電流 (IL ) 1.5 A
D1 雷インパルス電流 (10/350 µs)、1導体あたり (Iimp ) 0.5 kA
C2 定格放電電流 (8/20 µs) 合計 (In ) 10 kA
カットオフ周波数 (fG ) 100 MHz
入力/出力接続 RJ45 ソケット / RJ45 ソケット
認証 UL 497B

Product 929166 was added to Notepad.

Product 929166 was added to the cart.


DEHNpatch Class D

産業イーサネット、パワーオーバーイーサネット(IEEE 802.3準拠、PoE++/4PPoE 対応)、および最大 100 MHz までのクラス D 準拠の構造化配線における類似アプリケーション向けの汎用避雷器。高性能ガス放電管とを使用し、すべての電線対を保護します。DIN レール取り付け装置用ソケット付きアダプター仕様。

1 Product

Part No. 929126 DPA M CLD RJ45B 48

GTIN 4013364242258, Customs tariff No. (EU): 85363010, Gross weight: 102.00 g, PU: 1.00 ピース


Images

Additional information

過電圧避雷器クラス D DEHNpatch DPA M CLD RJ45B 48
過電圧避雷器クラス D
避雷器クラスタイプ 2 / P1








DEHNpatch M、EN 61643-21 に準拠して試験済み、EN 50173 に従って最大 57 V DC までのあらゆるデータサービスに汎用対応。RJ45 ソケットを介してデータネットワークインターフェースの 4 本のワイヤペアを保護し、ディストリビューターまたはシングルユーザーでの使用に適しています。省スペース、幅 19 mm。

Brand: DEHN
タイプ: DPA M CLD RJ45B 48
記事番号: 929126
or equivalent.

Certificates

 

Technical data

避雷器の等級 U
直流最高連続電圧 (Uc ) 48 V
直流最高連続電圧 Pa-Pa (PoE) (Uc ) 57 V
定格電流 (IL ) 1 A
D1 雷インパルス電流 (10/350 µs)、1導体あたり (Iimp ) 0.5 kA
C2 定格放電電流 (8/20 µs) 合計 (In ) 10 kA
カットオフ周波数 (fG ) 100 MHz
入力/出力接続 RJ45 ソケット / RJ45 ソケット
認証 UL 497B

Product 929126 was added to Notepad.

Product 929126 was added to the cart.


back to top