DEHNgate - 同軸接続用避雷器

  • 汎用過電圧および複合型避雷器
  • 同軸システム向けの最高放電容量
  • 保護レベルが低く、端末機器の保護にも適応
  • 超高耐久の接触材料

Details

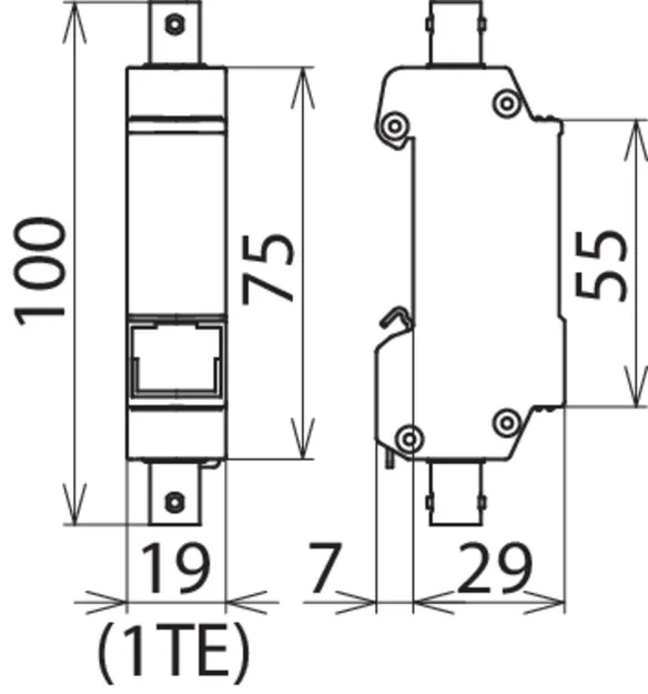
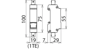
75Ω システム用の F 型コネクタ。
lorem ipsum
SAT および BK システム向けの過電圧避雷器。
lorem ipsum

DGA BNC VC

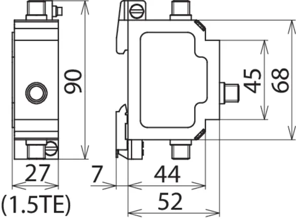
DIN レール取り付け用 BNC ソケット接続を備えた省スペース型過電圧避雷器はビデオおよびカメラシステムを保護します。タイプに応じて、グラウンドループを回避するために、直接シールド接続 (VCD) または間接シールド接続 (VCID) を採用しています。

1 Product

Part No. 909710 DGA BNC VCD

GTIN 4013364118942, Customs tariff No. (EU): 85363010, Gross weight: 126.00 g, PU: 1.00 ピース


Images

Additional information

BNC ソケット接続を備えた過電圧避雷器 DEHNgate DGA BNC VCD






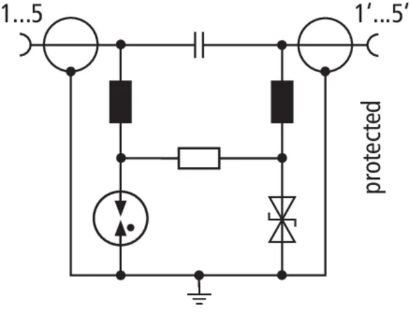
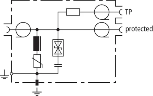
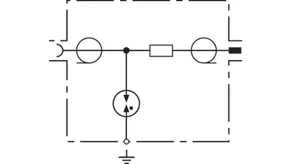
クラスタイプ 2 / P1 の過電圧避雷器 DEHNgate、61643-21 に基づいて試験済み。ビデオシステムや Arcnet コンピュータシステムの保護用で、同軸 BNC ソケットを備えています。シールドは必ず直接接地してください。
直流最高連続電圧: 6.4 V
D1 雷インパルス電流 (10/350 µs): 1 kA
周波数範囲: 0-300 MHz

Brand: DEHN
タイプ: DGA BNC VCD
記事番号: 909710
or equivalent.

Certificates

 

Technical data

避雷器の等級 T
直流最高連続電圧 (UC ) 6.4 V
定格電流 (IL ) 0.1 A
D1 雷インパルス電流 (10/350 µs) (Iimp ) 1 kA
C2 定格放電電流 (8/20 µs) 導体-シールド (In ) 5 kA
周波数範囲 0-300 MHz
入力/出力接続 BNC ソケット / BNC ソケット
認証 CSA, UL

Product 909710 was added to Notepad.

Product 909710 was added to the cart.


DGA TV

DGA ...TV は、75 Ω の SAT および BK システム用 F 型コネクタを備え、遠隔給電対応の避雷器です。避雷器は、EN 50083-2 に準拠したクラス  A における厳しいシールド要件を満たしています。この避雷器は、あらゆる一般的な TV および SAT 用途の省スペース設置に適しており、雷電流避雷器、過電圧避雷器、またはシステム試験用の統合測定出力を備えた複合式避雷器セットとして提供されます。

3 Products

Part No. 909703 DGA FF TV

GTIN 4013364085664, Customs tariff No. (EU): 85363010, Gross weight: 233.00 g, PU: 1.00 ピース


Images

Additional information







クラスタイプ 3 / P1 の過電圧避雷器 DEHNgate DGA FF TV、75Ω 同軸 TV・SAT システム向けに設計されており、測定・試験用出力端子を内蔵したDEHNgate。EN 61643-21 に準拠して試験済みです。

雷電流避雷器 DGA GF TV とエネルギー的に調整され、遠隔供給に適しています。

壁取り付け用アダプタ、および F コネクタ 2 個付き。クラス A 製品。
直流最高連続電圧: 24 V
D1 雷インパルス電流 (10/350 µs): 0.2 kA
C2 定格放電電流 (8/20 µs): 1.5 kA
周波数範囲: DC / 5-3000 MHz

Brand: DEHN
タイプ: DGA FF TV
記事番号: 909703
or equivalent.

Certificates

 

Technical data

避雷器の等級 {
直流最高連続電圧 (UC ) 24 V
定格電流 (IL ) 2 A
D1 雷インパルス電流 (10/350 µs) (Iimp ) 0.2 kA
C2 定格放電電流 (8/20 µs) (In ) 1.5 kA
周波数範囲 DC / 5-3000 MHz
入力/出力接続 F ソケット / F ソケット

Product 909703 was added to Notepad.

Product 909703 was added to the cart.

Part No. 909704 DGA GF TV

GTIN 4013364105690, Customs tariff No. (EU): 85363010, Gross weight: 85.50 g, PU: 1.00 ピース


Images

Additional information

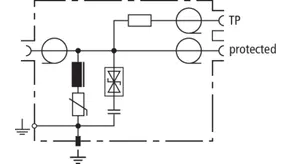
雷電流避雷器 DEHNgate DGA GF TV








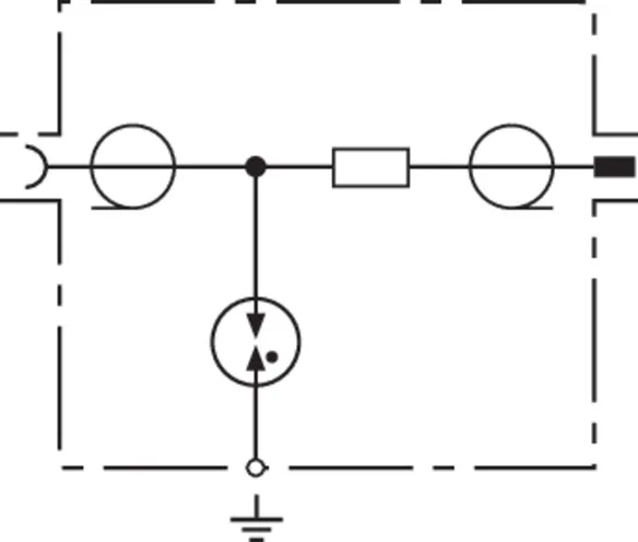
クラスタイプ 1 の雷電流避雷器 DEHNgate、75Ω 同軸 TV・SAT システム向けに設計されており、EN 61643-21 に基づいて試験済み。避雷器 DGA FF TV とエネルギー的に協調され、遠隔給電に対応、接地ブロックを介して接地されます。
接地ブロック、および F コネクタ 2 個付き。
クラス A 製品。
直流最高連続電圧: 60 V
D1 雷インパルス電流 (10/350 µs): 2.5 kA
C2 定格放電電流 (8/20 µs): 10 kA
周波数範囲: 0-2400 MHz

Brand: DEHN
タイプ: DGA GF TV
記事番号: 909704
or equivalent.

Certificates

 

Technical data

避雷器の等級 H
直流最高連続電圧 (UC ) 60 V
定格電流 (IL ) 2 A
D1 雷インパルス電流 (10/350 µs) (Iimp ) 2.5 kA
C2 定格放電電流 (8/20 µs) (In ) 10 kA
周波数範囲 0-2400 MHz
入力/出力接続 F ソケット / F コネクタ

Product 909704 was added to Notepad.

Product 909704 was added to the cart.

Part No. 909705 DGA GFF TV

GTIN 4013364105706, Customs tariff No. (EU): 85363010, Gross weight: 282.70 g, PU: 1.00 ピース


Images

Additional information

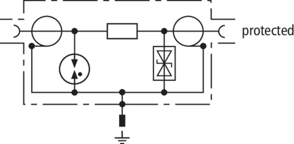
複合式避雷器 DEHNgate DGA GFF TV







クラスタイプ 1 / P1 の複合式避雷器 DEHNgate、75Ω 同軸 TV・SAT システム向けに設計されており、測定・試験用出力端子を内蔵しています。EN 61643-21 に準拠して試験済み、IEC 61643-22 に準拠してエネルギー協調されています。遠隔給電対応。

壁取り付け用アダプタ、および F コネクタ 2 個付き。クラス A 製品。
直流最高連続電圧: 24 V
D1 雷インパルス電流 (10/350 µs): 2.5 kA
C2 定格放電電流 (8/20 µs): 10 kA
周波数範囲: DC / 5-2400 MHz

Brand: DEHN
タイプ: DGA GFF TV
記事番号: 909705
or equivalent.

Certificates

 

Technical data

避雷器の等級 H{
直流最高連続電圧 (UC ) 24 V
定格電流 (IL ) 2 A
D1 雷インパルス電流 (10/350 µs) (Iimp ) 2.5 kA
C2 定格放電電流 (8/20 µs) (In ) 10 kA
周波数範囲 DC / 5-2400 MHz
入力/出力接続 F ソケット / F ソケット

Product 909705 was added to Notepad.

Product 909705 was added to the cart.


DGA FF5 TV

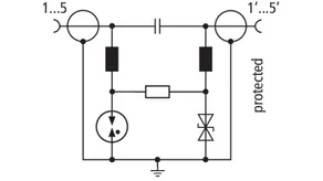
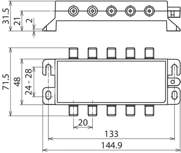
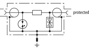
75Ω アンテナシステム用 5 回路過電圧避雷器。SAT アンテナ分配器およびマルチスイッチ向けの特別設計。避雷器は、EN 50083-2 に準拠したクラス  A におけるシールド要件を満たしています。
納入品には、取付け用部品と PA 線が含まれています。

1 Product

Part No. 909706 DGA FF5 TV

GTIN 4013364362437, Customs tariff No. (EU): 85363010, Gross weight: 284.00 g, PU: 1.00 ピース


Images

Additional information

過電圧避雷器 DEHNgate DGA FF5 TV






クラスタイプ 2 / P1 の 5 回路過電圧避雷器 DEHNgate。75Ω 同軸 TV・SAT システム向けに設計されており、EN 61643-21 に準拠して試験済みです。取付け付属品付き、ハウジング外部に等電位接続付き
クラス A 製品
直流最高連続電圧: 20 V
D1 雷インパルス電流 (10/350 µs): 0.5 kA
D1 雷インパルス電流 (10/350 µs)、合計: 2.5 kA
C2 定格放電電流 (8/20 µs): 2.5 kA
C2 定格放電電流 (8/20 µs) 合計: 10 kA
周波数範囲: 47-2200 MHz

Brand: DEHN
タイプ: DGA FF5 TV
記事番号: 909706
or equivalent.

Certificates

 

Technical data

避雷器の等級 T
直流最高連続電圧 (UC ) 20 V
定格電流 (IL ) 0.4 A
D1 雷インパルス電流 (10/350 µs) (Iimp ) 0.5 kA
D1 雷インパルス電流 (10/350 µs)、合計 (Iimp ) 2.5 kA
C2 定格放電電流 (8/20 µs) (In ) 2.5 kA
C2 定格放電電流 (8/20 µs) 合計 (In ) 10 kA
周波数範囲 47-2200 MHz
入力/出力接続 F ソケット / F ソケット

Product 909706 was added to Notepad.

Product 909706 was added to the cart.


back to top