DEHNbox

複合型雷電流・過電圧避雷器
  • 最大 10 kA (10/350 µs) の雷電流容量
  • 保護レベルが低く、端末機器の保護にも適応
  • インターフェイス 0 における雷保護ゾーンコンセプトに基づいて使用可能A – 2 およびそれ以上
取り扱いが簡単
  • 壁掛けに最適
  • スプリングクランプ技術により、迅速かつ簡単に取り付けが可能
  • 過電圧防護装置の簡単な後付けが可能
安全な設置と操作 (DBX TC B 180)
  • 簡単なメンテナンスを可能にするステータス表示
  • 「プラグ & プレイ」用 RJ45 接続オプション
  • 最大 1 Gbit まで対応し、汎用的に使用可能

Details

光学式ステータス表示
(DBX TC B 180)。
lorem ipsum

出力側の RJ45 ソケットでルーターへ直接接続可能
(DBX TC B 180)。
lorem ipsum
ツール不要クイック接続用プッシュイン端子 (DBX TC B 180)
lorem ipsum
ハウジングのプラグイン技術により、複数のデバイスを直列に接続できます (DBX TC B 180)。
lorem ipsum


DBX TC B 180

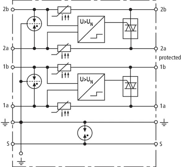
プッシュイン接続技術とステータスディスプレイを備えたプラスチック製表面取り付け式のハウジングに収められた省スペース設計のコンパクトな過電圧避雷器、特に VVDSL や G.fast(最大 1 Gbit/s)までの電気通信インターフェースなど、対地電位フリーの対称インターフェース用 1 本の二重線を保護します。直接/間接シールド接地の可能性。出力側では、二重線または RJ45 プラグ付きパッチケーブルのいずれかを接続することができます。

Deutsche Telekom Technik GmbH による試験により、本製品が Vectoring-VDSL (VVDSL)、Super-Vectoring-VDSL (SVVDSL) と G.Fast との互換性があることが確認されています。

1 Product

Part No. 922220 DBX TC B 180

GTIN 4013364433953, Customs tariff No. (EU): 85363030, Gross weight: 93.63 g, PU: 1.00 ピース


Images

Additional information

コンパクトな雷電流避雷器 DEHNbox DBX TC B 180

クラスタイプ 1/P2 に属する、直列接続可能なコンパクトな避雷器

電気通信インターフェースの二重線の保護のため
工具不要のクイック接続技術、
内蔵ストレインリリーフとステータス表示付き
40 °C での定格電流: 1 A
D1 雷インパルス電流 (10/350 µs)、合計: 7.5 kA
C2 定格放電電流 (8/20 µs) 合計: 20 kA

Brand: DEHN
タイプ: DBX TC B 180
記事番号: 922220
or equivalent.

Certificates

 

Technical data

避雷器の等級 L
直流最高連続電圧 (UC ) 180 V
40 °C での定格電流 (IL ) 1 A
D1 雷インパルス電流 (10/350 µs)、合計 (Iimp ) 7.5 kA
C2 定格放電電流 (8/20 µs) 合計 (In ) 20 kA
導体あたりの直列インピーダンス 0 オーム
導体間のカットオフ周波数 (100 Ohm) (fG ) 425 MHz

Product 922220 was added to Notepad.

Product 922220 was added to the cart.


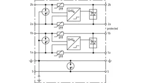
DBX U4 KT BD S 0-180

actiVsense テクノロジーが搭載された、プラスチック製表面取り付け式のハウジングに収められたコンパクトな複合式避雷器。ガルバニック絶縁の対称インターフェースの同一または異なる信号電圧を持つ 2 本の二重線を保護し、直接または間接のシールド接地を選択可能です。

1 Product

Part No. 922400 DBX U4 KT BD S 0-180

GTIN 4013364137349, Customs tariff No. (EU): 85363010, Gross weight: 251.70 g, PU: 1.00 ピース


Images

Additional information

コンパクトな複合式避雷器 DEHNbox DBX U4 KT BD S 0-180








作動電圧の自動検出用 actiVsense テクノロジーが搭載され、保護レベルを最適に調整するための汎用雷電流および過電圧保護装置(クラスタイプ 1/P1)です。EN 61643-21 に基づいて試験済、IEC 61643-22 に準拠したエネルギー調整がなされています。ガルバニック絶縁された対称インターフェースの 2 対の二重線を保護し、間接または直接のシールド接地を選択可能。
動作電圧 UN:0-180 V
許容重畳信号電圧: ≤ +/- 5 V
定格電流(最大短絡電流に対応): 100 mA
D1 雷インパルス電流 (10/350 µs)、合計: 10 kA
C2 定格放電電流 (8/20 µs) 合計: 20 kA

Brand: DEHN
タイプ: DBX U4 KT BD S 0-180
記事番号: 922400
or equivalent.

Certificates

 

Technical data

避雷器の等級 M
直流最高連続電圧 (UC ) 180 V
許容重畳信号電圧 (U信号 ) ≤ +/- 5 V
導体間のカットオフ周波数(U信号、 対称型 100 オーム) (fG ) 50 MHz
定格電流(最大短絡電流に対応) (IL ) 100 mA
D1 雷インパルス電流 (10/350 µs)、合計 (Iimp ) 10 kA
C2 定格放電電流 (8/20 µs) 合計 (In ) 20 kA
導体あたりの直列インピーダンス ≤ 9 Ohm、標準 7.9 オーム
寸法 (l x b x h) 93 x 93 x 55 mm

Product 922400 was added to Notepad.

Product 922400 was added to the cart.


back to top