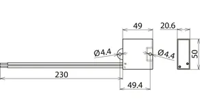
DEHNcord
:quality(98)/www.dehn.jp/store/f/62364204/HDVORSCHAU/900445a1_16-9.jpg)
:quality(98)/www.dehn.jp/store/f/62364204/HDVORSCHAU/900445a1_16-9.jpg)
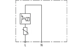
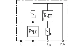
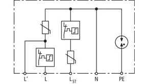
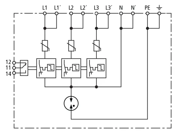
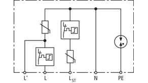
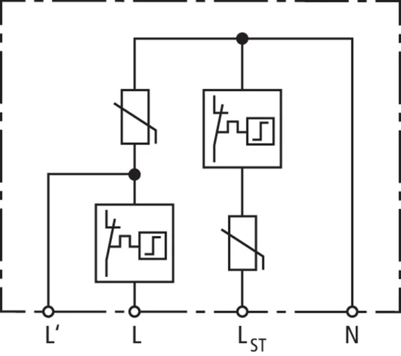
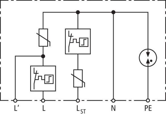
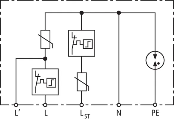
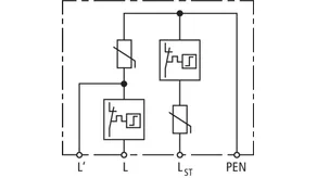
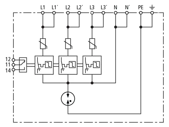
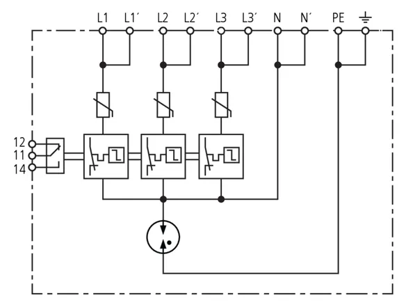
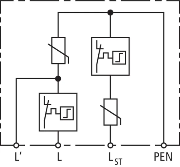
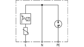
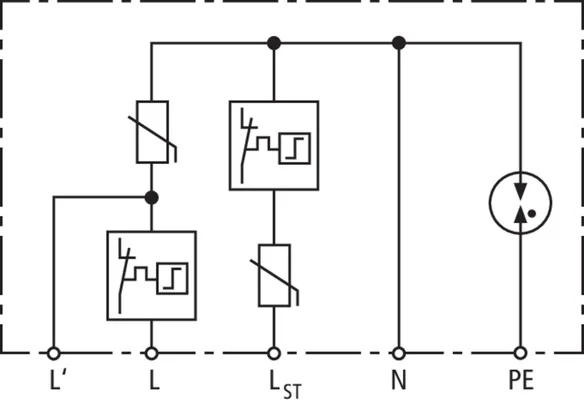
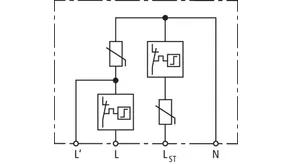
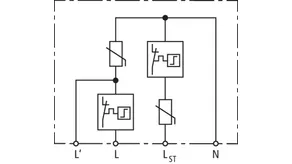
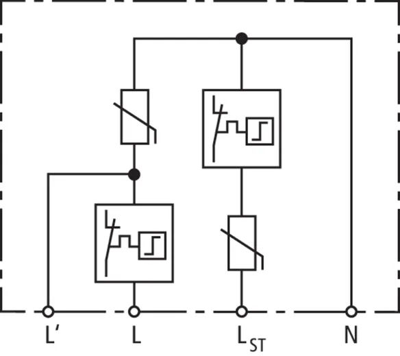
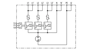
- 単極、2 極または 3 極の過電圧保護、監視装置および切り離し装置付き
- 光学式故障インジケータ付き
- 故障時の負荷回路遮断機能付き仕様、および制御相の保護
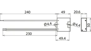
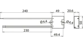
- 屋外でも使用可能なコンパクト設計
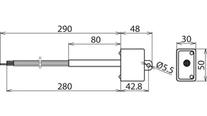
- ケーブルジャンクション箱、床下システム、ケーブルダクト、機器用埋込ボックスでの使用に適しています
Details
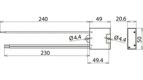
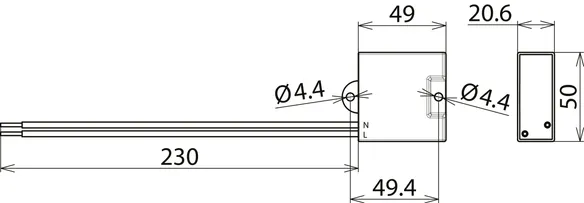
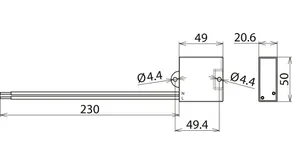
:quality(98)/www.dehn.jp/store/f/62364205/HDVORSCHAU/900447a2.jpg)
:quality(98)/www.dehn.jp/store/f/62364205/HDVORSCHAU/900447a2.jpg)
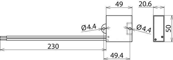
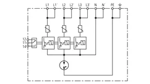
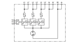
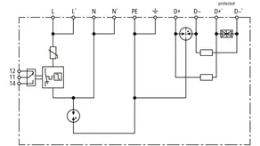
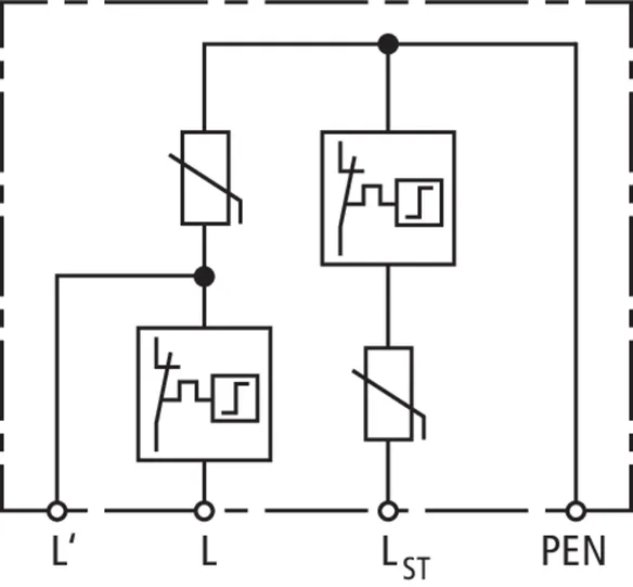
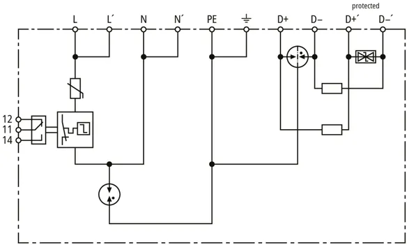
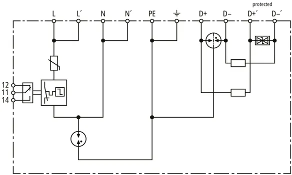
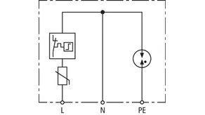
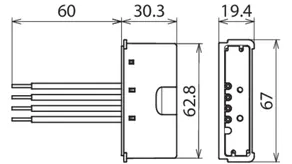
Part No. 900439 DCOR 3P TT 275 FM
GTIN 4013364436053, Customs tariff No. (EU): 85363030, Gross weight: 129.38 g, PU: 1.00 ピース
Technical data
SPD、EN 61643-11 / IEC 61643-11 に準拠 | タイプ 2 + タイプ 3 / クラス II + クラス III |
交流最高連続電圧 [L-N] (UC ) | 275 V (50 / 60 Hz) |
直流最高連続電圧 (UC ) | 350 V |
公称放電電流 (8/20 µs) [L-N] (In ) | 10 kA |
最大放電電流 (8/20 µs) [L-N] (I最大 ) | 20 kA |
公称放電電流 (8/20 µs) [N-PE] (In ) | 10 kA |
最大放電電流 (8/20 µs) [N-PE] (I最大 ) | 40 kA |
保護レベル [L-N] (UP ) | ≤ 1.5 kV |
保護レベル [N-PE] (UP ) | ≤ 1.5 kV |
認証 | KEMA |
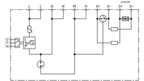
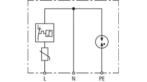
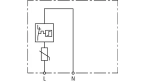
Part No. 900438 DCOR 1P 275 D FM
GTIN 4013364526891, Customs tariff No. (EU): 85363030, Gross weight: 86.27 g, PU: 1.00 ピース
Technical data
技術データ | |
SPD、EN 61643-11 / IEC 61643-11 に準拠 | タイプ 2 + タイプ 3 / クラス II + クラス III |
交流最高連続電圧 [L-N] (UC ) | 275 V (50 / 60 Hz) |
直流最高連続電圧 (UC ) | 350 V |
公称放電電流 (8/20 µs) [L-N] (In ) | 10 kA |
最大放電電流 (8/20 µs) [L-N] (I最大 ) | 20 kA |
公称放電電流 (8/20 µs) [N-PE] (In ) | 10 kA |
最大放電電流 (8/20 µs) [N-PE] (I最大 ) | 40 kA |
保護レベル [L-N] (UP ) | ≤ 1.5 kV |
保護レベル [N-PE] (UP ) | ≤ 1.5 kV |
認証 | KEMA |
技術データ信号側 | |
避雷器の等級 | U |
公称電圧 DC (UN ) | 24 V |
直流最高連続電圧 (UC ) | 28 V |
C2 定格放電電流 (8/20 µs) 合計 (In ) | 10 kA |
導体あたりの直列インピーダンス | 1.8 オーム |
導体間のカットオフ周波数 (100 Ohm) (fG ) | 10 MHz |
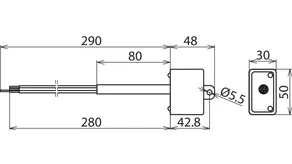
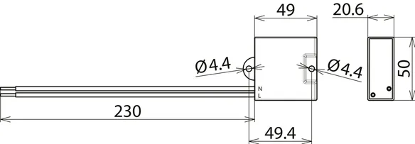
Part No. 900430 DCOR L 2P 275
GTIN 4013364157286, Customs tariff No. (EU): 85363030, Gross weight: 73.00 g, PU: 1.00 ピース
Technical data
SPD、EN 61643-11 / IEC 61643-11 に準拠 | タイプ 2 / クラス II |
交流最高連続電圧 [L-N] (UC ) | 275 V (50 / 60 Hz) |
公称放電電流 (8/20 µs) (In ) | 5 kA |
最大放電電流 (8/20 µs) (I最大 ) | 10 kA |
保護レベル [L-N] (UP ) | ≤ 1.5 kV |
保護レベル [N-PE] (UP ) | ≤ 1.5 kV |
最大主電源側過電流保護 | 25 A gG |
認証 | KEMA |
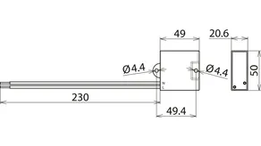
Part No. 900432 DCOR L 2P 320
GTIN 4013364157309, Customs tariff No. (EU): 85363030, Gross weight: 74.00 g, PU: 1.00 ピース
Technical data
SPD、EN 61643-11 / IEC 61643-11 に準拠 | タイプ 2 / クラス II |
交流最高連続電圧 [L-N] (UC ) | 320 V (50 / 60 Hz) |
公称放電電流 (8/20 µs) (In ) | 5 kA |
最大放電電流 (8/20 µs) (I最大 ) | 10 kA |
保護レベル [L-N] (UP ) | ≤ 1.75 kV |
保護レベル [N-PE] (UP ) | ≤ 1.5 kV |
最大主電源側過電流保護 | 25 A gG |
認証 | KEMA |
Part No. 900431 DCOR L 1P 275
GTIN 4013364310827, Customs tariff No. (EU): 85363030, Gross weight: 60.00 g, PU: 1.00 ピース
Technical data
SPD、EN 61643-11 / IEC 61643-11 に準拠 | タイプ 2 / クラス II |
交流最高連続電圧 [L-N] (UC ) | 275 V (50 / 60 Hz) |
公称放電電流 (8/20 µs) (In ) | 5 kA |
最大放電電流 (8/20 µs) (I最大 ) | 10 kA |
保護レベル [L-N] (UP ) | ≤ 1.5 kV |
最大主電源側過電流保護 | 25 A gG |
認証 | KEMA |
Part No. 900433 DCOR L 1P 320
GTIN 4013364157316, Customs tariff No. (EU): 85363030, Gross weight: 61.00 g, PU: 1.00 ピース
Technical data
SPD、EN 61643-11 / IEC 61643-11 に準拠 | タイプ 2 / クラス II |
交流最高連続電圧 [L-N] (UC ) | 320 V (50 / 60 Hz) |
公称放電電流 (8/20 µs) (In ) | 5 kA |
最大放電電流 (8/20 µs) (I最大 ) | 10 kA |
保護レベル [L-N] (UP ) | ≤ 1.75 kV |
最大主電源側過電流保護 | 25 A gG |
認証 | KEMA |
Part No. 999906 DCOR L 2P SN1864
GTIN 4013364310926, Customs tariff No. (EU): 85363030, Gross weight: 70.50 g, PU: 1.00 ピース
Technical data
SPD、EN 61643-11 / IEC 61643-11 に準拠 | タイプ 2 / クラス II |
交流最高連続電圧 [L-N] (UC ) | 275 V (50 / 60 Hz) |
公称放電電流 (8/20 µs) (In ) | 5 kA |
最大放電電流 (8/20 µs) (I最大 ) | 10 kA |
保護レベル [L-N] (UP ) | ≤ 1.5 kV |
最大主電源側過電流保護 | B 16 A |
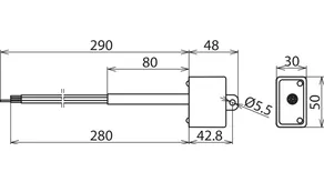
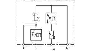
Part No. 900446 DCOR L 2P 275 SO LTG
GTIN 4013364292970, Customs tariff No. (EU): 85363030, Gross weight: 62.50 g, PU: 1.00 ピース
Technical data
SPD、EN 61643-11 / IEC 61643-11 に準拠 | タイプ 2 / クラス II |
交流最高連続電圧 [L-N] (UC ) | 275 V (50 / 60 Hz) |
公称放電電流 (8/20 µs) (In ) | 5 kA |
最大放電電流 (8/20 µs) (I最大 ) | 10 kA |
保護レベル [L-N] (UP ) | ≤ 1.5 kV |
保護レベル [N-PE] (UP ) | ≤ 1.5 kV |
最大主電源側過電流保護 | B 16 A |
認証 | KEMA |
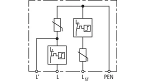
Part No. 900435 DCOR L 2P 275 SO LT
GTIN 4013364292963, Customs tariff No. (EU): 85363030, Gross weight: 70.00 g, PU: 1.00 ピース
Technical data
SPD、EN 61643-11 / IEC 61643-11 に準拠 | タイプ 2 / クラス II |
交流最高連続電圧 [L-PEN] (UC ) | 275 V (50 / 60 Hz) |
公称放電電流 (8/20 µs) (In ) | 5 kA |
最大放電電流 (8/20 µs) (I最大 ) | 10 kA |
保護レベル [L-PEN] (UP ) | ≤ 1.5 kV |
最大主電源側過電流保護 | B 16 A |
認証 | KEMA |
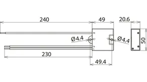
Part No. 900447 DCOR L 3P 275 SO IP
GTIN 4013364282216, Customs tariff No. (EU): 85363030, Gross weight: 146.60 g, PU: 1.00 ピース
Technical data
SPD、EN 61643-11 / IEC 61643-11 に準拠 | タイプ 2 / クラス II |
交流最高連続電圧 [L-N] (UC ) | 275 V (50 / 60 Hz) |
公称放電電流 (8/20 µs) (In ) | 5 kA |
最大放電電流 (8/20 µs) (I最大 ) | 10 kA |
保護レベル [L-N] (UP ) | ≤ 1.5 kV |
保護レベル [N-PE] (UP ) | ≤ 1.5 kV |
最大主電源側過電流保護 | B 16 A |
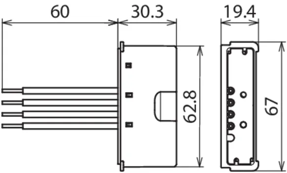
Part No. 900448 DCOR L 2P 275 SO IP
GTIN 4013364293007, Customs tariff No. (EU): 85363030, Gross weight: 139.90 g, PU: 1.00 ピース
Technical data
SPD、EN 61643-11 / IEC 61643-11 に準拠 | タイプ 2 / クラス II |
交流最高連続電圧 [L-N] (UC ) | 275 V (50 / 60 Hz) |
公称放電電流 (8/20 µs) (In ) | 5 kA |
最大放電電流 (8/20 µs) (I最大 ) | 10 kA |
保護レベル [L-N] (UP ) | ≤ 1.5 kV |
保護レベル [N-PE] (UP ) | ≤ 1.5 kV |
最大主電源側過電流保護 | B 16 A |
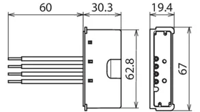
Part No. 900449 DCOR R 3P 275
GTIN 4013364320031, Customs tariff No. (EU): 85363030, Gross weight: 151.00 g, PU: 1.00 ピース
Technical data
SPD、EN 61643-11 / IEC 61643-11 に準拠 | タイプ 2 / クラス II |
交流最高連続電圧 [L-N] (UC ) | 275 V (50 / 60 Hz) |
公称放電電流 (8/20 µs) (In ) | 2.5 kA |
最大放電電流 (8/20 µs) (I最大 ) | 5 kA |
保護レベル [L-N] (UP ) | ≤ 1.5 kV |
プラグ接続 | ヒルシュマン STAK 3 / STAS 3 |