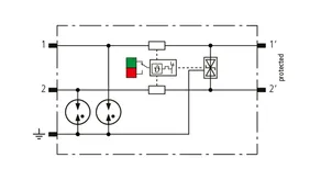
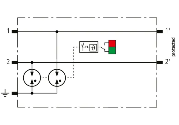
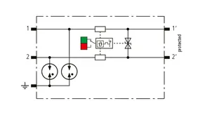
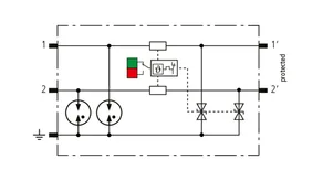
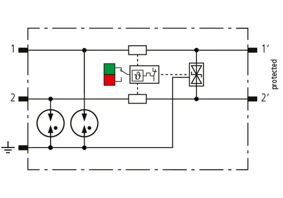
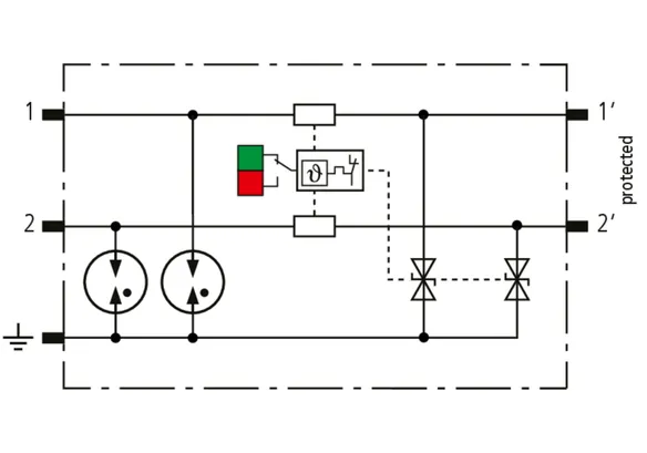
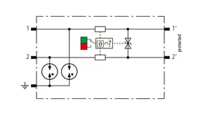
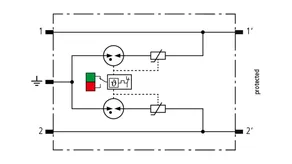
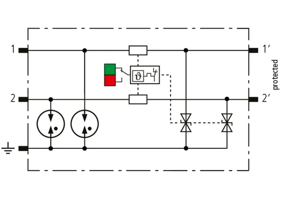
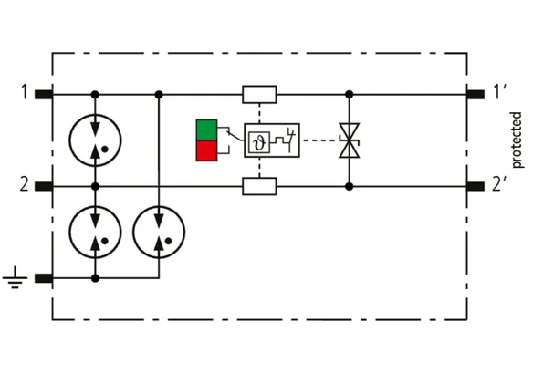
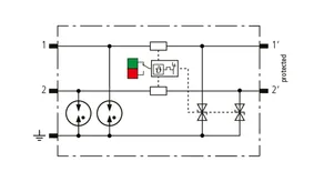
BLITZDUCTORconnect – モジュール式

汎用型雷電流および過電圧避雷器
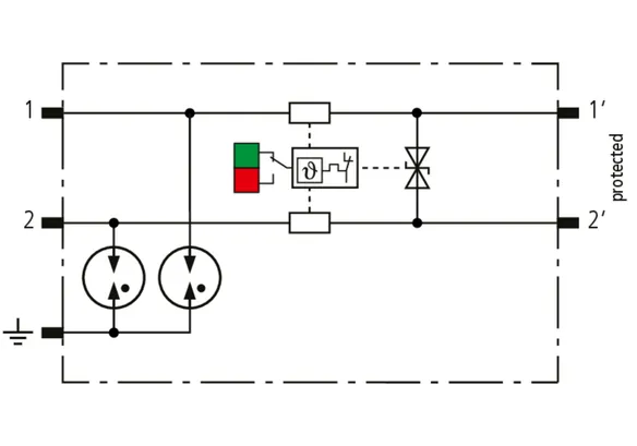
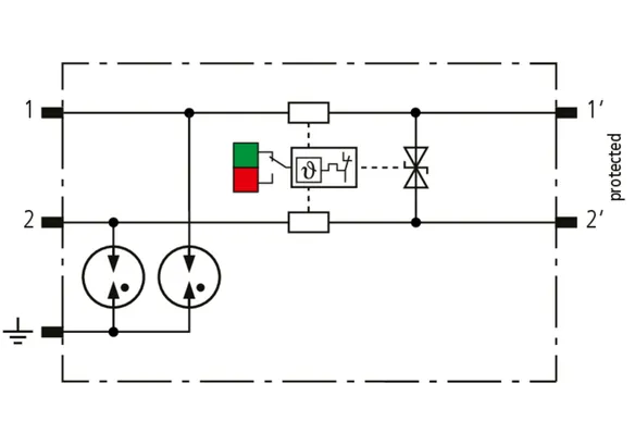
  • MSR 回路、バス、通信システムの保護用
  • 高い総放電容量 3 kA (10/350 µs)、10 kA (8/20 µs)
  • 最大過電圧容量 (8/20µs) I最大 20 kA まで
  • 保護レベルが低く、端末機器の保護にも適応
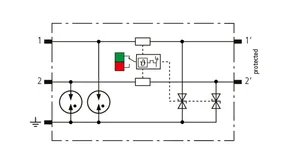
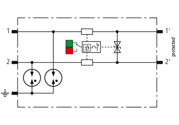
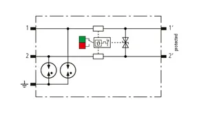
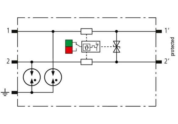
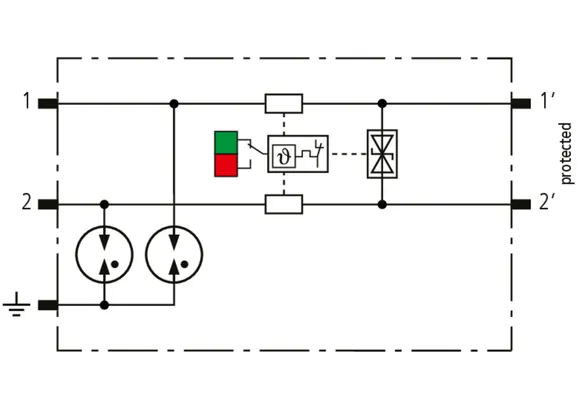
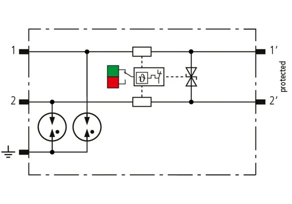
避雷器は、モジュールとベース部に分離可能
  • プッシュイン接続技術により、ケーブルを迅速かつ簡単に接続可能
  • すべての保護部品をモジュール内に統合
  • 安全なモジュール交換のための secR リリースボタンを両側に配置
  • フェイルセーフ動作による高いシステム可用性
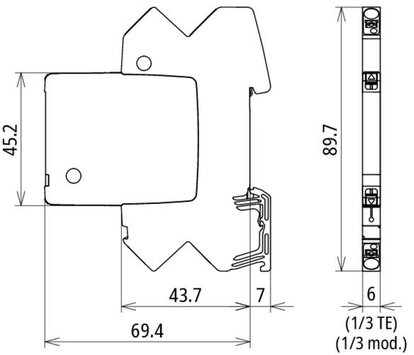
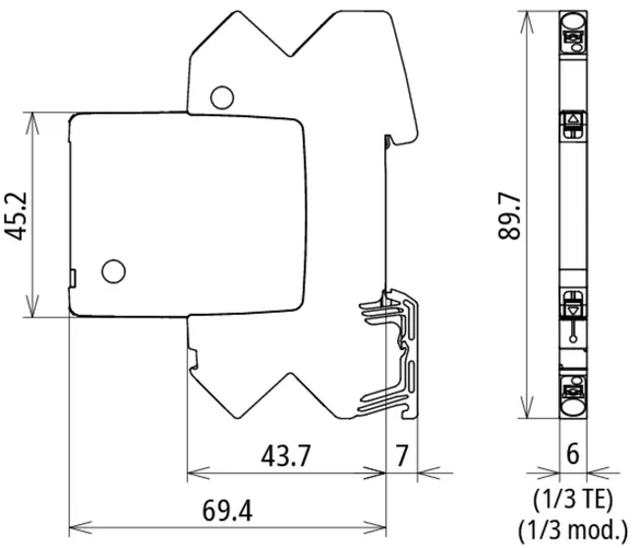
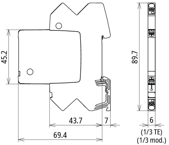
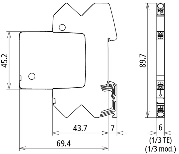
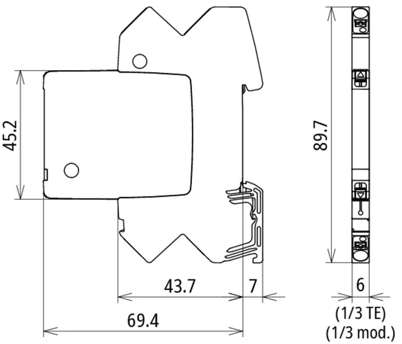
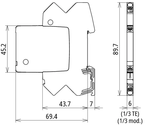
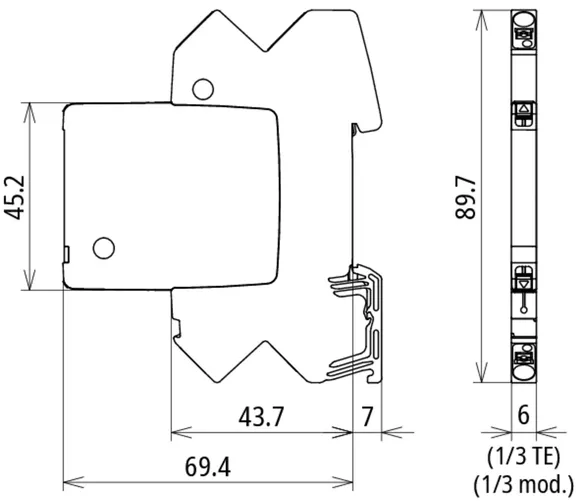
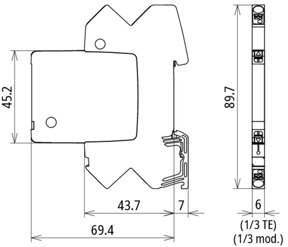
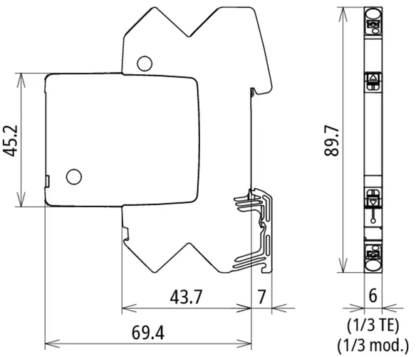
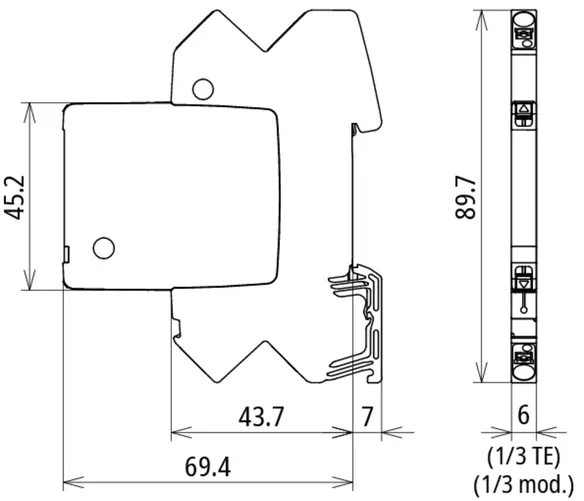
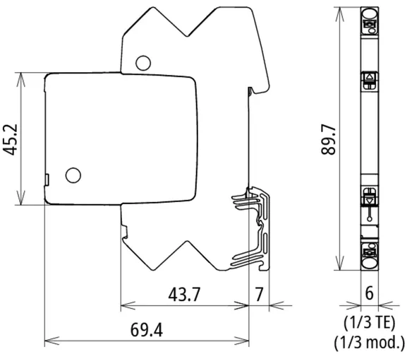
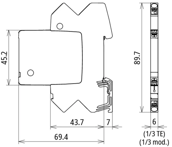
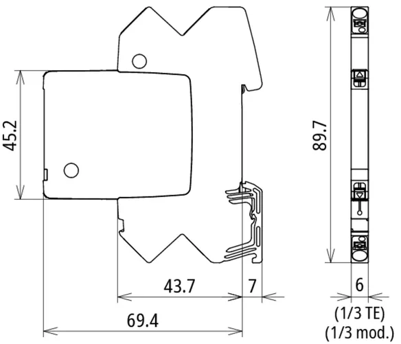
機能最適化された幅 6 mm の装置設計
  • LifeCheck と光学式ステータス表示がモジュールに統合
  • オプションの FM ユニットによる簡易ステータス遠隔通報
  • メンテナンス時にツールなしで信号回路を切り離し可能
  • 安全運転のための振動・衝撃テスト済み

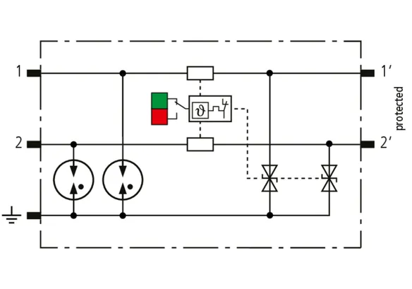
Details

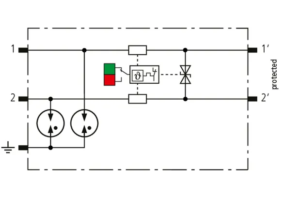
接続 = 守る
避雷器グループの監視ユニットによる簡単でステータス報告
lorem ipsum
最高の設備稼働率
本質安全防爆の測定回路での使用認可
lorem ipsum
素早く点検 – 一目で確認
迅速で簡単なメンテナンスのための組み込み表示
lorem ipsum
確実なロック - 正確な取り外し
安全な取扱のための secR リリースボタンを両側に配置
lorem ipsum

BCO ML2 B 180

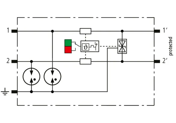
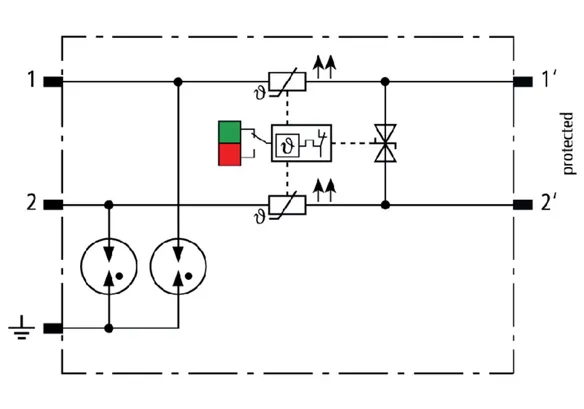
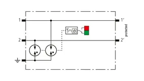
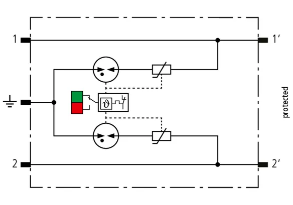
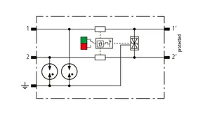
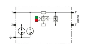
6 mm 幅の省スペースでモジュール式の雷電流避雷器。プッシュイン接続技術とステータス表示を備え、雷保護等電位ボンディングとシールドケーブルの間接接地用に 2 本の単線を保護します。メンテナンス用信号分離付き

1 Product

Part No. 927210 BCO ML2 B 180

GTIN 4013364405585, Customs tariff No. (EU): 85363010, Gross weight: 57.75 g, PU: 1.00 ピース


Images

Additional information

雷電流避雷器 BLITZDUCTORconnect ML2 B 180
モジュール式のプラグ式雷電流避雷器


雷保護等電位ボンディングとシールドケーブルの間接接地用に 2 本の単線を保護します。
EN/IEC 61643-21 に準拠し、エネルギー面でも試験済み
IEC 61643-22 に基づく調整
避雷器の等級 タイプ 1
パルスのカテゴリー:C2, C3, B2, D1
ステータスインジケータ、幅 6 mm
連続最高電圧:180.0 V DC / 127.0 V AC
80℃ での定格電流:1.2 A
C2 定格放電電流 (8/20)、各導体あたり:5 kA
C2 定格放電電流 (8/20)、合計:10 kA
D1 雷インパルス電流 (10/350 µs)、各導体あたり:1.5 kA
D1 雷インパルス電流 (10/350 µs)、合計:3 kA
メンテナンス用信号分離付き
ケーブル接続:プッシュイン

Brand: DEHN
タイプ: BCO ML2 B 180
記事番号: 927210
or equivalent.

Certificates

 

Technical data

避雷器の等級 A
公称電圧 (UN ) 180 V
直流最高連続電圧 (UC ) 180 V
D1 雷インパルス電流 (10/350 µs)、1導体あたり (Iimp ) 1.5 kA
C2 定格放電電流 (8/20 µs) 合計 (In ) 10 kA
導体あたりの直列インピーダンス 0 オーム
認証 UL 497B, CSA, ATEX, IECEx, CCC, SIL
*) 詳細は www.dehn.de をご覧ください

Product 927210 was added to Notepad.

Product 927210 was added to the cart.


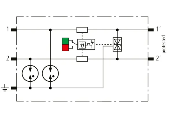
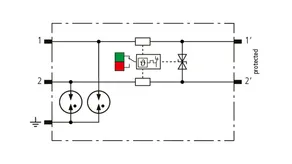
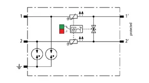
BCO ML2 BE

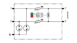
6 mm 幅の省スペースでモジュール式の複合型避雷器。プッシュイン接続技術とステータス表示を備え、共通基準電位および非対称インターフェース用 2 本の単線を保護します。メンテナンス用信号分離付き

4 Products

Part No. 927222 BCO ML2 BE 12

GTIN 4013364405592, Customs tariff No. (EU): 85363010, Gross weight: 59.19 g, PU: 1.00 ピース


Images

Additional information

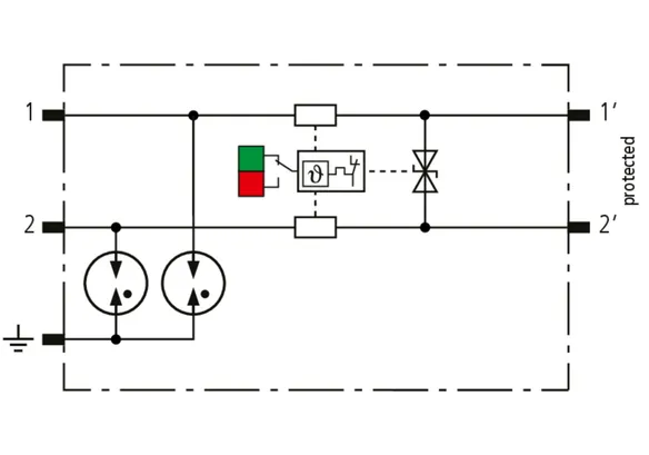
複合式避雷器 BLITZDUCTORconnect ML2 BE 12
モジュール式のプラグ式複合避雷器

共通基準電位および非対称インターフェース付き 2 本の単線を保護します
EN/IEC 61643-21 に準拠し、エネルギー面でも試験済み
IEC 61643-22 に基づく調整
避雷器の等級 タイプ 1 / P1
パルスのカテゴリー:C1, C2, C3, B2, D1
ステータスインジケータ、幅 6 mm
連続最高電圧:15.0 V DC / 10.6 V AC
70°C での定格電流:0.75 A
C2 定格放電電流 (8/20)、各導体あたり:5 kA
C2 定格放電電流 (8/20)、合計:10 kA
D1 雷インパルス電流 (10/350 µs)、各導体あたり:1.5 kA
D1 雷インパルス電流 (10/350 µs)、合計:3 kA
信号分離付き メンテナンス用
ケーブル接続:プッシュイン

Brand: DEHN
タイプ: BCO ML2 BE 12
記事番号: 927222
or equivalent.

Certificates

 

Technical data

避雷器の等級 M
公称電圧 (UN ) 12 V
直流最高連続電圧 (UC ) 15 V
70 °C での定格電流 (IL ) 0.75 A
D1 雷インパルス電流 (10/350 µs)、1導体あたり (Iimp ) 1.5 kA
C2 定格放電電流 (8/20 µs) 合計 (In ) 10 kA
導体あたりの直列インピーダンス 1 オーム
導体間のカットオフ周波数 (fG ) 1.4 MHz
認証 UL 479B、CSA、ATEX、IECEx、CCC、SIL
*) 詳細は www.dehn.de をご覧ください

Product 927222 was added to Notepad.

Product 927222 was added to the cart.

Part No. 927224 BCO ML2 BE 24

GTIN 4013364405608, Customs tariff No. (EU): 85363010, Gross weight: 59.68 g, PU: 1.00 ピース


Images

Additional information

複合式避雷器 BLITZDUCTORconnect ML2 BE 24
モジュール式のプラグ式複合避雷器

共通基準電位および非対称インターフェース付き 2 本の単線を保護します
EN/IEC 61643-21 に準拠し、エネルギー面でも試験済み
IEC 61643-22 に基づく調整
避雷器の等級 タイプ 1 / P1
パルスのカテゴリー:C1, C2, C3, B2, D1
ステータスインジケータ、幅 6 mm
連続最高電圧:33.0 V DC / 23.3 V AC
70°C での定格電流:0.75 A
C2 定格放電電流 (8/20)、各導体あたり:5 kA
C2 定格放電電流 (8/20)、合計:10 kA
D1 雷インパルス電流 (10/350 µs)、各導体あたり:1.5 kA
D1 雷インパルス電流 (10/350 µs)、合計:3 kA
信号分離付き メンテナンス用
ケーブル接続:プッシュイン

Brand: DEHN
タイプ: BCO ML2 BE 24
記事番号: 927224
or equivalent.

Certificates

 

Technical data

避雷器の等級 M
公称電圧 (UN ) 24 V
直流最高連続電圧 (UC ) 33 V
70 °C での定格電流 (IL ) 0.75 A
D1 雷インパルス電流 (10/350 µs)、1導体あたり (Iimp ) 1.5 kA
C2 定格放電電流 (8/20 µs) 合計 (In ) 10 kA
導体あたりの直列インピーダンス 1 オーム
導体間のカットオフ周波数 (fG ) 3.4 MHz
認証 UL 497B, CSA, ATEX, IECEx, CCC, SIL
*) 詳細は www.dehn.de をご覧ください

Product 927224 was added to Notepad.

Product 927224 was added to the cart.

Part No. 927225 BCO ML2 BE 48

GTIN 4013364405615, Customs tariff No. (EU): 85363010, Gross weight: 58.22 g, PU: 1.00 ピース


Images

Additional information

複合式避雷器 BLITZDUCTORconnect ML2 BE 48
モジュール式のプラグ式複合避雷器

共通基準電位および非対称インターフェース付き 2 本の単線を保護します
EN/IEC 61643-21 に準拠し、エネルギー面でも試験済み
IEC 61643-22 に基づく調整
避雷器の等級 タイプ 1 / P1
パルスのカテゴリー:C1, C2, C3, B2, D1
ステータスインジケータ、幅 6 mm
連続最高電圧:54.0 V DC / 38.1 V AC
70°C での定格電流:0.75 A
C2 定格放電電流 (8/20)、各導体あたり:5 kA
C2 定格放電電流 (8/20)、合計:10 kA
D1 雷インパルス電流 (10/350 µs)、各導体あたり:1.5 kA
D1 雷インパルス電流 (10/350 µs)、合計:3 kA
信号分離付き メンテナンス用
ケーブル接続:プッシュイン

Brand: DEHN
タイプ: BCO ML2 BE 48
記事番号: 927225
or equivalent.

Certificates

 

Technical data

避雷器の等級 M
公称電圧 (UN ) 48 V
直流最高連続電圧 (UC ) 54 V
70 °C での定格電流 (IL ) 0.75 A
D1 雷インパルス電流 (10/350 µs)、1導体あたり (Iimp ) 1.5 kA
C2 定格放電電流 (8/20 µs) 合計 (In ) 10 kA
導体あたりの直列インピーダンス 1 オーム
導体間のカットオフ周波数 (fG ) 5 MHz
認証 UL 497B, CSA, ATEX, IECEx, CCC, SIL
*) 詳細は www.dehn.de をご覧ください

Product 927225 was added to Notepad.

Product 927225 was added to the cart.

Part No. 927227 BCO ML2 BE 180

GTIN 4013364468658, Customs tariff No. (EU): 85363010, Gross weight: 58.85 g, PU: 1.00 ピース


Images

Additional information

複合式避雷器 BLITZDUCTORconnect ML2 BE 180
モジュール式のプラグ式複合避雷器

共通基準電位および非対称インターフェース付き 2 本の単線を保護します
EN/IEC 61643-21 に準拠し、エネルギー面でも試験済み
IEC 61643-22 に基づく調整
避雷器の等級 タイプ 1 / P1
パルスのカテゴリー:C1, C2, C3, B2, D1
ステータスインジケータ、幅 6 mm
連続最高電圧:180 V DC / 127 V AC
70°C での定格電流:0.5 A
C2 定格放電電流 (8/20)、各導体あたり:5 kA
C2 定格放電電流 (8/20)、合計:10 kA
D1 雷インパルス電流 (10/350 µs)、各導体あたり:1.5 kA
D1 雷インパルス電流 (10/350 µs)、合計:3 kA
信号分離付き メンテナンス用
ケーブル接続:プッシュイン

Brand: DEHN
タイプ: BCO ML2 BE 180
記事番号: 927227
or equivalent.

Certificates

 

Technical data

避雷器の等級 M
公称電圧 (UN ) 180 V
直流最高連続電圧 (UC ) 180 V
70 °C での定格電流 (IL ) 0.5 A
D1 雷インパルス電流 (10/350 µs)、1導体あたり (Iimp ) 1.5 kA
C2 定格放電電流 (8/20 µs) 合計 (In ) 10 kA
導体あたりの直列インピーダンス 1.8 オーム
導体間のカットオフ周波数 (fG ) 10 MHz
認証 UL 497B, SIL
*) 詳細は www.dehn.de をご覧ください

Product 927227 was added to Notepad.

Product 927227 was added to the cart.


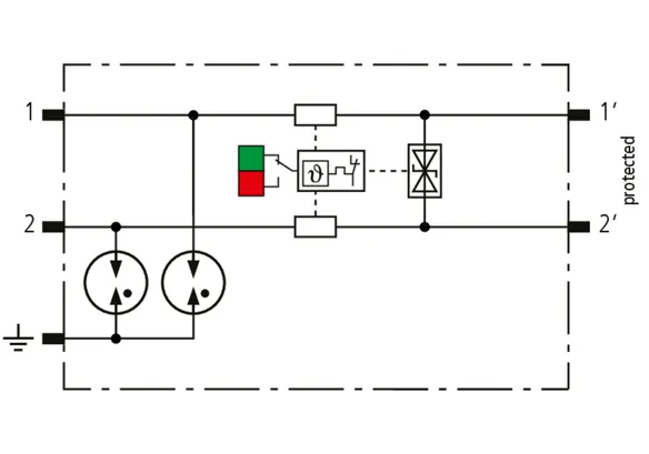
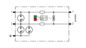
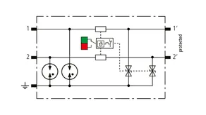
BCO ML2 BD

6 mm 幅の省スペースでモジュール式の複合型避雷器。プッシュイン接続技術とステータス表示を備え、非接地の対称型インターフェースの 1 対の二重線を保護します。メンテナンス用信号分離付き

4 Products

Part No. 927242 BCO ML2 BD 12

GTIN 4013364405622, Customs tariff No. (EU): 85363010, Gross weight: 58.35 g, PU: 1.00 ピース


Images

Additional information

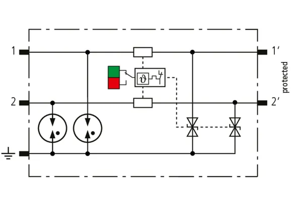
複合式避雷器 BLITZDUCTORconnect ML2 BD 12
モジュール式のプラグ式複合避雷器

対地電位フリーの対称インターフェース用 1 本の二重線を保護します。
EN/IEC 61643-21 に基づいて試験済み、また
IEC 61643-22 に基づいてエネルギー面でも試験済み
避雷器の等級 タイプ 1 / P2
パルスのカテゴリー:C1, C2, C3, B2, D1
ステータスインジケータ、幅 6 mm
連続最高電圧:15.0 V DC / 10.6 V AC
70°C での定格電流:0.75 A
C2 定格放電電流 (8/20)、各導体あたり:5 kA
C2 定格放電電流 (8/20)、合計:10 kA
D1 雷インパルス電流 (10/350 µs)、各導体あたり:1.5 kA
D1 雷インパルス電流 (10/350 µs)、合計:3 kA
信号分離付き メンテナンス用
ケーブル接続:プッシュイン

Brand: DEHN
タイプ: BCO ML2 BD 12
記事番号: 927242
or equivalent.

Certificates

 

Technical data

避雷器の等級 L
公称電圧 (UN ) 12 V
直流最高連続電圧 (UC ) 15 V
70 °C での定格電流 (IL ) 0.75 A
D1 雷インパルス電流 (10/350 µs)、1導体あたり (Iimp ) 1.5 kA
C2 定格放電電流 (8/20 µs) 合計 (In ) 10 kA
導体あたりの直列インピーダンス 1 オーム
導体間のカットオフ周波数 (fG ) 2.6 MHz
認証 UL 497B, CSA, ATEX, IECEx, CCC, SIL
*) 詳細は www.dehn.de をご覧ください

Product 927242 was added to Notepad.

Product 927242 was added to the cart.

Part No. 927244 BCO ML2 BD 24

GTIN 4013364405639, Customs tariff No. (EU): 85363010, Gross weight: 58.64 g, PU: 1.00 ピース


Images

Additional information

複合式避雷器 BLITZDUCTORconnect ML2 BD 24
モジュール式のプラグ式複合避雷器

対地電位フリーの対称インターフェース用 1 本の二重線を保護します。
EN/IEC 61643-21 に基づいて試験済み、また
IEC 61643-22 に基づいてエネルギー面でも試験済み
避雷器の等級 タイプ 1 / P2
パルスのカテゴリー:C1, C2, C3, B2, D1
ステータスインジケータ、幅 6 mm
連続最高電圧:36.0 V DC / 25.4 V AC
70°C での定格電流:0.75 A
C2 定格放電電流 (8/20)、各導体あたり:5 kA
C2 定格放電電流 (8/20)、合計:10 kA
D1 雷インパルス電流 (10/350 µs)、各導体あたり:1.5 kA
D1 雷インパルス電流 (10/350 µs)、合計:3 kA
信号分離付き メンテナンス用
ケーブル接続:プッシュイン

Brand: DEHN
タイプ: BCO ML2 BD 24
記事番号: 927244
or equivalent.

Certificates

 

Technical data

避雷器の等級 L
公称電圧 (UN ) 24 V
直流最高連続電圧 (UC ) 36 V
70 °C での定格電流 (IL ) 0.75 A
D1 雷インパルス電流 (10/350 µs)、1導体あたり (Iimp ) 1.5 kA
C2 定格放電電流 (8/20 µs) 合計 (In ) 10 kA
導体あたりの直列インピーダンス 1 オーム
導体間のカットオフ周波数 (fG ) 5.8 MHz
認証 UL 497B, CSA, ATEX, IECEx, CCC, SIL
*) 詳細は www.dehn.de をご覧ください

Product 927244 was added to Notepad.

Product 927244 was added to the cart.

Part No. 927245 BCO ML2 BD 48

GTIN 4013364405646, Customs tariff No. (EU): 85363010, Gross weight: 58.49 g, PU: 1.00 ピース


Images

Additional information

複合式避雷器 BLITZDUCTORconnect ML2 BD 48
モジュール式のプラグ式複合避雷器

対地電位フリーの対称インターフェース用 1 本の二重線を保護します。
EN/IEC 61643-21 に基づいて試験済み、また
IEC 61643-22 に基づいてエネルギー面でも試験済み
避雷器の等級 タイプ 1 / P2
パルスのカテゴリー:C1, C2, C3, B2, D1
ステータスインジケータ、幅 6 mm
連続最高電圧:56.0 V DC / 39.6 V AC
70°C での定格電流:0.75 A
C2 定格放電電流 (8/20)、各導体あたり:5 kA
C2 定格放電電流 (8/20)、合計:10 kA
D1 雷インパルス電流 (10/350 µs)、各導体あたり:1.5 kA
D1 雷インパルス電流 (10/350 µs)、合計:3 kA
信号分離付き メンテナンス用
ケーブル接続:プッシュイン

Brand: DEHN
タイプ: BCO ML2 BD 48
記事番号: 927245
or equivalent.

Certificates

 

Technical data

避雷器の等級 L
公称電圧 (UN ) 48 V
直流最高連続電圧 (UC ) 56 V
70 °C での定格電流 (IL ) 0.75 A
D1 雷インパルス電流 (10/350 µs)、1導体あたり (Iimp ) 1.5 kA
C2 定格放電電流 (8/20 µs) 合計 (In ) 10 kA
導体あたりの直列インピーダンス 1 オーム
導体間のカットオフ周波数 (fG ) 7.2 MHz
認証 UL 497B, CSA, ATEX, IECEx, CCC, SIL
*) 詳細は www.dehn.de をご覧ください

Product 927245 was added to Notepad.

Product 927245 was added to the cart.

Part No. 927247 BCO ML2 BD 180

GTIN 4013364468665, Customs tariff No. (EU): 85363010, Gross weight: 58.92 g, PU: 1.00 ピース


Images

Additional information

複合式避雷器 BLITZDUCTORconnect ML2 BD 180
モジュール式のプラグ式複合避雷器

対地電位フリーの対称インターフェース用 1 本の二重線を保護します。
EN/IEC 61643-21 に基づいて試験済み、また
IEC 61643-22 に基づいてエネルギー面でも試験済み
避雷器の等級 タイプ 1 / P2
パルスのカテゴリー:C1, C2, C3, B2, D1
ステータスインジケータ、幅 6 mm
連続最高電圧:180 V DC / 127 V AC
70°C での定格電流:0.5 A
C2 定格放電電流 (8/20)、各導体あたり:5 kA
C2 定格放電電流 (8/20)、合計:10 kA
D1 雷インパルス電流 (10/350 µs)、各導体あたり:1.5 kA
D1 雷インパルス電流 (10/350 µs)、合計:3 kA
信号分離付き メンテナンス用
ケーブル接続:プッシュイン

Brand: DEHN
タイプ: BCO ML2 BD 180
記事番号: 927247
or equivalent.

Certificates

 

Technical data

避雷器の等級 L
公称電圧 (UN ) 180 V
直流最高連続電圧 (UC ) 180 V
70 °C での定格電流 (IL ) 0.5 A
D1 雷インパルス電流 (10/350 µs)、1導体あたり (Iimp ) 1.5 kA
C2 定格放電電流 (8/20 µs) 合計 (In ) 10 kA
導体あたりの直列インピーダンス 1.8 オーム
導体間のカットオフ周波数 (fG ) 10 MHz
認証 UL 497B, SIL
*) 詳細は www.dehn.de をご覧ください

Product 927247 was added to Notepad.

Product 927247 was added to the cart.


BCO ML2 BE HF

6 mm 幅の省スペースでモジュール式の複合型避雷器。プッシュイン接続技術とステータス表示を備え、共通基準電位を持つ高周波伝送および非対称インターフェース用 2 本の単線を保護します。メンテナンス用信号分離付き

2 Products

Part No. 927270 BCO ML2 BE HF 5

GTIN 4013364405653, Customs tariff No. (EU): 85363010, Gross weight: 58.57 g, PU: 1.00 ピース


Images

Additional information

複合式避雷器 BLITZDUCTORconnect ML2 BE HF 5
モジュール式のプラグ式複合避雷器
共通基準電位を持つ高周波伝送および
非対称インターフェース用
2 本の単線を保護する
EN/IEC 61643-21 に準拠し、エネルギー面でも試験済み
IEC 61643-22 に基づく調整
避雷器の等級 タイプ 1 / P1
パルスのカテゴリー:C1, C2, C3, B2, D1
ステータスインジケータ、幅 6 mm
連続最高電圧:8.5 V DC / 6.0 V AC
70°C での定格電流:0.75 A
カットオフ周波数 100 MHz
C2 定格放電電流 (8/20)、各導体あたり:5 kA
C2 定格放電電流 (8/20)、合計:10 kA
D1 雷インパルス電流 (10/350 µs)、各導体あたり:1.5 kA
D1 雷インパルス電流 (10/350 µs)、合計:3 kA
信号分離付き メンテナンス用
ケーブル接続:プッシュイン

Brand: DEHN
タイプ: BCO ML2 BE HF 5
記事番号: 927270
or equivalent.

Certificates

 

Technical data

避雷器の等級 M
公称電圧 (UN ) 5 V
直流最高連続電圧 (UC ) 8.5 V
70 °C での定格電流 (IL ) 0.75 A
D1 雷インパルス電流 (10/350 µs)、1導体あたり (Iimp ) 1.5 kA
C2 定格放電電流 (8/20 µs) 合計 (In ) 10 kA
導体あたりの直列インピーダンス 1 オーム
認証 UL 497B, CSA, ATEX, IECEx, CCC, SIL
*) 詳細は www.dehn.de をご覧ください

Product 927270 was added to Notepad.

Product 927270 was added to the cart.

Part No. 927274 BCO ML2 BE HF 24

GTIN 4013364468559, Customs tariff No. (EU): 85363010, Gross weight: 58.30 g, PU: 1.00 ピース


Images

Additional information

複合式避雷器 BLITZDUCTORconnect ML2 BE HF 24
モジュール式のプラグ式複合避雷器
共通基準電位を持つ高周波伝送および
非対称インターフェース用
2 本の単線を保護する
EN/IEC 61643-21 に準拠し、エネルギー面でも試験済み
IEC 61643-22 に基づく調整
避雷器の等級 タイプ 1 / P1
パルスのカテゴリー:C1, C2, C3, B2, D1
ステータスインジケータ、幅 6 mm
連続最高電圧:36 V DC / 25.4 V AC
70°C での定格電流:0.75 A
カットオフ周波数 100 MHz
C2 定格放電電流 (8/20)、各導体あたり:5 kA
C2 定格放電電流 (8/20)、合計:10 kA
D1 雷インパルス電流 (10/350 µs)、各導体あたり:1.5 kA
D1 雷インパルス電流 (10/350 µs)、合計:3 kA
信号分離付き メンテナンス用
ケーブル接続:プッシュイン

Brand: DEHN
タイプ: BCO ML2 BE HF 24
記事番号: 927274
or equivalent.

Certificates

 

Technical data

避雷器の等級 M
公称電圧 (UN ) 24 V
直流最高連続電圧 (UC ) 36 V
70 °C での定格電流 (IL ) 0.75 A
D1 雷インパルス電流 (10/350 µs)、1導体あたり (Iimp ) 1.5 kA
C2 定格放電電流 (8/20 µs) 合計 (In ) 10 kA
導体あたりの直列インピーダンス 1 オーム
認証 UL 497B, SIL
*) 詳細は www.dehn.de をご覧ください

Product 927274 was added to Notepad.

Product 927274 was added to the cart.


BCO ML2 BD HF

6 mm 幅の省スペースでモジュール式の複合型避雷器。プッシュイン接続技術とステータス表示を備え、地電位フリーの高周波バスシステムと対称型インターフェースの 1 対の二重線を保護します。メンテナンス用信号分離付き

2 Products

Part No. 927271 BCO ML2 BD HF 5

GTIN 4013364405660, Customs tariff No. (EU): 85363010, Gross weight: 58.42 g, PU: 1.00 ピース


Images

Additional information

複合式避雷器 BLITZDUCTORconnect ML2 BD HF 5
モジュール式のプラグ式複合避雷器非接地の
1 本の二重線を保護用高周波バスシステム
と対称インターフェース
EN/IEC 61643-21 に準拠し、エネルギー面でも試験済み
IEC 61643-22 に基づく調整
避雷器の等級 タイプ 1 / P2
パルスのカテゴリー:C1, C2, C3, B2, D1
ステータスインジケータ、幅 6 mm
連続最高電圧:8.5 V DC / 6.0 V AC
70°C での定格電流:0.75 A
カットオフ周波数 100 MHz
C2 定格放電電流 (8/20)、各導体あたり:5 kA
C2 定格放電電流 (8/20)、合計:10 kA
D1 雷インパルス電流 (10/350 µs)、各導体あたり:1.5 kA
D1 雷インパルス電流 (10/350 µs)、合計:3 kA
信号分離付き メンテナンス用
ケーブル接続:プッシュイン

Brand: DEHN
タイプ: BCO ML2 BD HF 5
記事番号: 927271
or equivalent.

Certificates

 

Technical data

避雷器の等級 L
公称電圧 (UN ) 5 V
直流最高連続電圧 (UC ) 8.5 V
70 °C での定格電流 (IL ) 0.75 A
D1 雷インパルス電流 (10/350 µs)、1導体あたり (Iimp ) 1.5 kA
C2 定格放電電流 (8/20 µs) 合計 (In ) 10 kA
導体あたりの直列インピーダンス 1 オーム
導体間のカットオフ周波数 (fG ) 100 MHz
認証 UL 497B, CSA, ATEX, IECEx, CCC, SIL
*) 詳細は www.dehn.de をご覧ください

Product 927271 was added to Notepad.

Product 927271 was added to the cart.

Part No. 927275 BCO ML2 BD HF 24

GTIN 4013364468566, Customs tariff No. (EU): 85363010, Gross weight: 58.60 g, PU: 1.00 ピース


Images

Additional information

複合式避雷器 BLITZDUCTORconnect ML2 BD HF 24
モジュール式のプラグ式複合避雷器非接地の
1 本の二重線を保護用高周波バスシステム
と対称インターフェース
EN/IEC 61643-21 に準拠し、エネルギー面でも試験済み
IEC 61643-22 に基づく調整
避雷器の等級 タイプ 1 / P2
パルスのカテゴリー:C1, C2, C3, B2, D1
ステータスインジケータ、幅 6 mm
連続最高電圧:36 V DC / 25.4 V AC
70°C での定格電流:0.75 A
カットオフ周波数 100 MHz
C2 定格放電電流 (8/20)、各導体あたり:5 kA
C2 定格放電電流 (8/20)、合計:10 kA
D1 雷インパルス電流 (10/350 µs)、各導体あたり:1.5 kA
D1 雷インパルス電流 (10/350 µs)、合計:3 kA
信号分離付き メンテナンス用
ケーブル接続:プッシュイン

Brand: DEHN
タイプ: BCO ML2 BD HF 24
記事番号: 927275
or equivalent.

Certificates

 

Technical data

避雷器の等級 L
公称電圧 (UN ) 24 V
直流最高連続電圧 (UC ) 36 V
70 °C での定格電流 (IL ) 0.75 A
D1 雷インパルス電流 (10/350 µs)、1導体あたり (Iimp ) 1.5 kA
C2 定格放電電流 (8/20 µs) 合計 (In ) 10 kA
導体あたりの直列インピーダンス 1 オーム
導体間のカットオフ周波数 (fG ) 100 MHz
認証 UL 497B, SIL
*) 詳細は www.dehn.de をご覧ください

Product 927275 was added to Notepad.

Product 927275 was added to the cart.


BCO ML2 BD HC5A 24

1 Product

Part No. 927254 BCO ML2 BD HC5A 24

GTIN 4013364513419, Customs tariff No. (EU): 85363010, Gross weight: 60.63 g, PU: 1.00 ピース


Images

Additional information

複合式避雷器 BLITZDUCTORconnect ML2 BD HC5A 24
モジュール式のプラグ式複合避雷器非接地の
1 本の二重線を保護用高定格電流対応の
信号回路情報技術システム
および MSR 回路
EN/IEC 61643-21 に準拠し、エネルギー面でも試験済み
IEC 61643-22 に基づく調整
避雷器の等級 タイプ 1 / P2
パルスのカテゴリー:C1, C2, C3, B2, D1
ステータスインジケータ、幅 6 mm
連続最高電圧:36 V DC / 25.4 V AC
80℃ での定格電流:5 A
C2 定格放電電流 (8/20)、各導体あたり:5 kA
C2 定格放電電流 (8/20)、合計:10 kA
D1 雷インパルス電流 (10/350 µs)、各導体あたり:1.5 kA
D1 雷インパルス電流 (10/350 µs)、合計:3 kA
メンテナンス用信号分離付き
ケーブル接続:プッシュイン

Brand: DEHN
タイプ: BCO ML2 BD HC5A 24
記事番号: 927254
or equivalent.

Certificates

 

Technical data

避雷器の等級 L
公称電圧 (UN ) 24 V
直流最高連続電圧 (UC ) 36 V
80℃ での定格電流 (IL ) 5 A
D1 雷インパルス電流 (10/350 µs)、1導体あたり (Iimp ) 1.5 kA
C2 定格放電電流 (8/20 µs) 合計 (In ) 10 kA
導体あたりの直列インピーダンス 0 オーム
認証 UL 497B, SIL
*) 詳細は www.dehn.de をご覧ください

Product 927254 was added to Notepad.

Product 927254 was added to the cart.


BCO ML2 BPD 24

6 mm 幅の省スペースでモジュール式の複合型避雷器。プッシュイン接続技術とステータス表示を備え、24 V DC システムの 1 対の二重線を保護します。マイナス極が接地されている場合でも使用可能。内蔵された PTC 抵抗により、最大 40A の短絡電流がシステム回路に干渉した後でも、避雷器を安全にリセットすることを可能にします。メンテナンス用の信号分離機能付き。

1 Product

Part No. 927214 BCO ML2 BPD 24

GTIN 4013364473003, Customs tariff No. (EU): 85363010, Gross weight: 58.00 g, PU: 1.00 ピース


Images

Additional information

複合式避雷器 BLITZDUCTORconnect ML2 BPD 24
モジュール式のプラグ式複合避雷器24 V DC システムに使用される
二重線を保護し、
また、接地された負極の使用にも適しています、
最大 40A までの
過電流保護のための PTC 抵抗を内蔵しています
EN/IEC 61643-21 に準拠し、エネルギー面でも試験済み
IEC 61643-22 に基づく調整
避雷器の等級 タイプ 1 / P2
パルスのカテゴリー:C1, C2, C3, B2, D1
ステータスインジケータ、幅 6 mm
連続最高電圧:33.0 V DC / 23.3 V AC
70°C での定格電流:0.1 A
C2 定格放電電流 (8/20)、各導体あたり:5 kA
C2 定格放電電流 (8/20)、合計:10 kA
D1 雷インパルス電流 (10/350 µs)、各導体あたり:1.5 kA
D1 雷インパルス電流 (10/350 µs)、合計:3 kA
信号分離付き メンテナンス用
ケーブル接続:プッシュイン

Brand: DEHN
タイプ: BCO ML2 BPD 24
記事番号: 927214
or equivalent.

Certificates

 

Technical data

避雷器の等級 L
公称電圧 (UN ) 24 V
直流最高連続電圧 (UC ) 33 V
70 °C での定格電流 (IL ) 0.1 A
D1 雷インパルス電流 (10/350 µs)、1導体あたり (Iimp ) 1.5 kA
C2 定格放電電流 (8/20 µs) 合計 (In ) 10 kA
導体あたりの直列インピーダンス 10 オーム
導体間のカットオフ周波数 (fG ) 4.5 MHz
認証 UL 497B, SIL
*) 詳細は www.dehn.de をご覧ください

Product 927214 was added to Notepad.

Product 927214 was added to the cart.


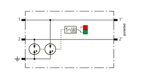
BCO ML2 MVG 230

6 mm 幅の省スペースでモジュール式の過電圧避雷器。プッシュイン接続技術とステータス表示を備え、230 V の定格電圧を持つ多芯で接地電位に対して絶縁された信号インターフェースの二重線を保護します。メンテナンス用の信号分離機能付き。
鉄道業界における信号システムの要件(DB RIL 819.0808 準拠)を満たします。

1 Product

Part No. 927290 BCO ML2 MVG 230

GTIN 4013364466524, Customs tariff No. (EU): 85363010, Gross weight: 60.12 g, PU: 1.00 ピース


Images

Additional information

過電圧避雷器 BLITZDUCTORconnect ML2 MVG 230
モジュール式のプラグ式過電圧避雷器
多芯の信号インターフェース
公称電圧 230 V AC の信号インターフェース。
EN/IEC 61643-21 に準拠し、エネルギー面でも試験済み
IEC 61643-22 に基づく調整
避雷器の等級 タイプ 2 / P3
パルスのカテゴリー:C1, C2, C3
ステータスインジケータ、幅 6 mm
連続最高電圧:320 V DC / 250 V AC
80℃ での定格電流:3 A
C2 定格放電電流 (8/20)、各導体あたり:3 kA
C2 定格放電電流 (8/20)、合計:6 kA
信号分離付き メンテナンス用
ケーブル接続:プッシュイン
DB RIL 819.0808 準拠

Brand: DEHN
タイプ: BCO ML2 MVG 230
記事番号: 927290
or equivalent.

Certificates

 

Technical data

避雷器の等級 V
公称電圧 (UN ) 230 V
80℃ での定格電流 (IL ) 3 A
C2 定格放電電流 (8/20 µs) 合計 (In ) 6 kA
導体あたりの直列インピーダンス 0 オーム
認証 SIL
*) 詳細は www.dehn.de をご覧ください

Product 927290 was added to Notepad.

Product 927290 was added to the cart.


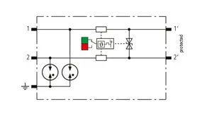
BCO ML2 BD EX 24

6 mm 幅の省スペースでモジュール式の過電圧避雷器。プッシュイン接続技術とステータス表示を備え、本質安全型の測定回路およびバスシステムの 1 本の二重線を保護します。FISCO の要件を満たしています。絶縁強度 >500 V 導体-接地。メンテナンス用信号分離付き

1 Product

Part No. 927284 BCO ML2 BD EX 24

GTIN 4013364405677, Customs tariff No. (EU): 85363010, Gross weight: 65.18 g, PU: 1.00 ピース


Images

Additional information

複合式避雷器 BLITZDUCTORconnect ML2 BD EX 24
モジュール式のプラグ式複合避雷器
本質安全型の 1 本の二重線を保護し、
無電位差対称インターフェース
EN/IEC 61643-21 に基づいて試験済み、また
IEC 61643-22 に基づいてエネルギー面でも試験済み
避雷器の等級 タイプ 1 / P2
パルスのカテゴリー:C1, C2, C3, B2, D1
ステータスインジケータ、幅 6 mm
連続最高電圧:36.0 V DC / 25.4 V AC
70°C での定格電流:0.75 A
EN 60079-11 に準拠した最大入力電圧:30 V
EN 60079-11 に準拠した最大入力電流:0.5 A
C2 定格放電電流 (8/20)、各導体あたり:5 kA
C2 定格放電電流 (8/20)、合計:10 kA
D1 雷インパルス電流 (10/350 µs)、各導体あたり:1.5 kA
D1 雷インパルス電流 (10/350 µs)、合計:3 kA
信号分離付き メンテナンス用
ケーブル接続:プッシュイン

Brand: DEHN
タイプ: BCO ML2 BD EX 24
記事番号: 927284
or equivalent.

Certificates

 

Technical data

避雷器の等級 L
公称電圧 (UN ) 24 V
直流最高連続電圧 (UC ) 36 V
80℃ での定格電流 (IL ) 0.5 A
D1 雷インパルス電流 (10/350 µs)、1導体あたり (Iimp ) 1.5 kA
C2 定格放電電流 (8/20 µs) 合計 (In ) 10 kA
導体あたりの直列インピーダンス 1 オーム
導体間のカットオフ周波数 (fG ) 3.5 MHz
認証 ATEX, IECEx, CCC, SIL
*) 詳細は www.dehn.de をご覧ください

Product 927284 was added to Notepad.

Product 927284 was added to the cart.


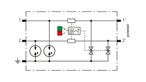
BCO MOD ML2 B

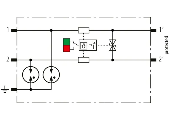
BLITZDUCTORconnect 向けの、状態表示機能付き 6mm 幅の雷電流避雷器保護モジュール。雷保護等電位ボンディングとシールドケーブルの間接接地用に 2 本の単体導体を保護します。

1 Product

Part No. 927010 BCO MOD ML2 B 180

GTIN 4013364410114, Customs tariff No. (EU): 85363010, Gross weight: 39.00 g, PU: 1.00 ピース


Images

Additional information

雷電流避雷器保護モジュール
BLITZDUCTORconnect MOD ML2 B 180
プラグ式雷電流避雷器モジュール
2 本の単線を保護用
雷保護用等電位ボンディング、
およびシールドケーブルの間接的な接地

EN/IEC 61643-21 に準拠し、エネルギー面でも試験済み
IEC 61643-22 に基づく調整
避雷器の等級 タイプ 1
パルスのカテゴリー:C2, C3, B2, D1
ステータスインジケータ、幅 6 mm
連続最高電圧:180.0 V DC / 127.0 V AC
80℃ での定格電流:1.2 A
C2 定格放電電流 (8/20)、各導体あたり:5 kA
C2 定格放電電流 (8/20)、合計:10 kA
D1 雷インパルス電流 (10/350 µs)、各導体あたり:1.5 kA
D1 雷インパルス電流 (10/350 µs)、合計:3 kA
交換用モジュール

Brand: DEHN
タイプ: BCO MOD ML2 B 180
記事番号: 927010
or equivalent.

Certificates

 

Technical data

避雷器の等級 A
公称電圧 (UN ) 180 V
直流最高連続電圧 (UC ) 180 V
D1 雷インパルス電流 (10/350 µs)、1導体あたり (Iimp ) 1.5 kA
C2 定格放電電流 (8/20 µs) 合計 (In ) 10 kA
導体あたりの直列インピーダンス 0 オーム
認証 UL 497B, CSA, ATEX, IECEx, CCC, SIL
*) 詳細は www.dehn.de をご覧ください

Product 927010 was added to Notepad.

Product 927010 was added to the cart.


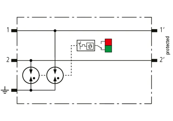
BCO MOD ML2 BE

BLITZDUCTORconnect 向けの、状態表示機能付き 6mm 幅の複合式避雷器保護モジュール。共通基準電位および非対称インターフェース用 2 本の単線を保護します。

4 Products

Part No. 927022 BCO MOD ML2 BE 12

GTIN 4013364410121, Customs tariff No. (EU): 85363010, Gross weight: 39.00 g, PU: 1.00 ピース


Images

Additional information

複合式避雷器保護モジュール
BLITZDUCTORconnect MOD ML2 BE 12
プラグ式複合避雷器
2 本の単線を保護用
非対称インターフェース用
2 本の単線を保護する
EN/IEC 61643-21 に準拠し、エネルギー面でも試験済み
IEC 61643-22 に基づく調整
避雷器の等級 タイプ 1 / P1
パルスのカテゴリー:C1, C2, C3, B2, D1
ステータスインジケータ、幅 6 mm
連続最高電圧:15.0 V DC / 10.6 V AC
70°C での定格電流:0.75 A
C2 定格放電電流 (8/20)、各導体あたり:5 kA
C2 定格放電電流 (8/20)、合計:10 kA
D1 雷インパルス電流 (10/350 µs)、各導体あたり:1.5 kA
D1 雷インパルス電流 (10/350 µs)、合計:3 kA
交換用モジュール

Brand: DEHN
タイプ: BCO MOD ML2 BE 12
記事番号: 927022
or equivalent.

Certificates

 

Technical data

避雷器の等級 M
公称電圧 (UN ) 12 V
直流最高連続電圧 (UC ) 15 V
70 °C での定格電流 (IL ) 0.75 A
D1 雷インパルス電流 (10/350 µs)、1導体あたり (Iimp ) 1.5 kA
C2 定格放電電流 (8/20 µs) 合計 (In ) 10 kA
導体あたりの直列インピーダンス 1 オーム
導体間のカットオフ周波数 (fG ) 1.4 MHz
認証 UL 497B, CSA, ATEX, IECEx, CCC, SIL
*) 詳細は www.dehn.de をご覧ください

Product 927022 was added to Notepad.

Product 927022 was added to the cart.

Part No. 927024 BCO MOD ML2 BE 24

GTIN 4013364410138, Customs tariff No. (EU): 85363010, Gross weight: 39.27 g, PU: 1.00 ピース


Images

Additional information

複合式避雷器保護モジュール
BLITZDUCTORconnect MOD ML2 BE 24
プラグ式複合式避雷器モジュール
2 本の単線を保護用
非対称インターフェース用
2 本の単線を保護する
EN/IEC 61643-21 に準拠し、エネルギー面でも試験済み
IEC 61643-22 に基づく調整
避雷器の等級 タイプ 1 / P1
パルスのカテゴリー:C1, C2, C3, B2, D1
ステータスインジケータ、幅 6 mm
連続最高電圧:33.0 V DC / 23.3 V AC
70°C での定格電流:0.75 A
C2 定格放電電流 (8/20)、各導体あたり:5 kA
C2 定格放電電流 (8/20)、合計:10 kA
D1 雷インパルス電流 (10/350 µs)、各導体あたり:1.5 kA
D1 雷インパルス電流 (10/350 µs)、合計:3 kA
交換用モジュール

Brand: DEHN
タイプ: BCO MOD ML2 BE 24
記事番号: 927024
or equivalent.

Certificates

 

Technical data

避雷器の等級 M
公称電圧 (UN ) 24 V
直流最高連続電圧 (UC ) 33 V
70 °C での定格電流 (IL ) 0.75 A
D1 雷インパルス電流 (10/350 µs)、1導体あたり (Iimp ) 1.5 kA
C2 定格放電電流 (8/20 µs) 合計 (In ) 10 kA
導体あたりの直列インピーダンス 1 オーム
導体間のカットオフ周波数 (fG ) 3.4 MHz
認証 UL 497B, CSA, ATEX, IECEx, CCC, SIL
*) 詳細は www.dehn.de をご覧ください

Product 927024 was added to Notepad.

Product 927024 was added to the cart.

Part No. 927025 BCO MOD ML2 BE 48

GTIN 4013364410145, Customs tariff No. (EU): 85363010, Gross weight: 39.00 g, PU: 1.00 ピース


Images

Additional information

複合式避雷器保護モジュール
BLITZDUCTORconnect MOD ML2 BE 48
プラグ式複合式避雷器モジュール
2 本の単線を保護用
非対称インターフェース用
2 本の単線を保護する
EN/IEC 61643-21 に基づいて試験済み、また
IEC 61643-22 に基づいてエネルギー面でも試験済み
避雷器の等級 タイプ 1 / P1
パルスのカテゴリー:C1, C2, C3, B2, D1
ステータスインジケータ、幅 6 mm
連続最高電圧:54.0 V DC / 38.1 V AC
70°C での定格電流:0.75 A
C2 定格放電電流 (8/20)、各導体あたり:5 kA
C2 定格放電電流 (8/20)、合計:10 kA
D1 雷インパルス電流 (10/350 µs)、各導体あたり:1.5 kA
D1 雷インパルス電流 (10/350 µs)、合計:3 kA
交換用モジュール

Brand: DEHN
タイプ: BCO MOD ML2 BE 48
記事番号: 927025
or equivalent.

Certificates

 

Technical data

避雷器の等級 M
公称電圧 (UN ) 48 V
直流最高連続電圧 (UC ) 54 V
70 °C での定格電流 (IL ) 0.75 A
D1 雷インパルス電流 (10/350 µs)、1導体あたり (Iimp ) 1.5 kA
C2 定格放電電流 (8/20 µs) 合計 (In ) 10 kA
導体あたりの直列インピーダンス 1 オーム
導体間のカットオフ周波数 (fG ) 5 MHz
認証 UL 497B, CSA, ATEX, IECEx, CCC, SIL
*) 詳細は www.dehn.de をご覧ください

Product 927025 was added to Notepad.

Product 927025 was added to the cart.

Part No. 927027 BCO MOD ML2 BE 180

GTIN 4013364468689, Customs tariff No. (EU): 85363010, Gross weight: 39.00 g, PU: 1.00 ピース


Images

Additional information

複合式避雷器保護モジュール
BLITZDUCTORconnect MOD ML2 BE 180
プラグ式複合式避雷器モジュール
2 本の単線を保護用
非対称インターフェース用
2 本の単線を保護する
EN/IEC 61643-21 に基づいて試験済み、また
IEC 61643-22 に基づいてエネルギー面でも試験済み
避雷器の等級 タイプ 1 / P1
パルスのカテゴリー:C1, C2, C3, B2, D1
ステータスインジケータ、幅 6 mm
連続最高電圧:180 V DC / 127 V AC
70°C での定格電流:0.5 A
C2 定格放電電流 (8/20)、各導体あたり:5 kA
C2 定格放電電流 (8/20)、合計:10 kA
D1 雷インパルス電流 (10/350 µs)、各導体あたり:1.5 kA
D1 雷インパルス電流 (10/350 µs)、合計:3 kA
交換用モジュール

Brand: DEHN
タイプ: BCO MOD ML2 BE 180
記事番号: 927027
or equivalent.

Certificates

 

Technical data

避雷器の等級 M
公称電圧 (UN ) 180 V
直流最高連続電圧 (UC ) 180 V
70 °C での定格電流 (IL ) 0.5 A
D1 雷インパルス電流 (10/350 µs)、1導体あたり (Iimp ) 1.5 kA
C2 定格放電電流 (8/20 µs) 合計 (In ) 10 kA
導体あたりの直列インピーダンス 1.8 オーム
導体間のカットオフ周波数 (fG ) 10 MHz
認証 UL 497B, SIL
*) 詳細は www.dehn.de をご覧ください

Product 927027 was added to Notepad.

Product 927027 was added to the cart.


BCO MOD ML2 BD

BLITZDUCTORconnect 向けの、状態表示機能付き 6mm 幅の複合式避雷器保護モジュール。非接地対称インターフェース用 1 本の二重線を保護します。

4 Products

Part No. 927042 BCO MOD ML2 BD 12

GTIN 4013364410152, Customs tariff No. (EU): 85363010, Gross weight: 39.00 g, PU: 1.00 ピース


Images

Additional information

複合式避雷器保護モジュール
BLITZDUCTORconnect MOD ML2 BD 12
プラグ式複合式避雷器モジュール
非接地対称インターフェース用
1 本の二重線を保護用
EN/IEC 61643-21 に準拠し、エネルギー面でも試験済み
IEC 61643-22 に基づく調整
避雷器の等級 タイプ 1 / P2
パルスのカテゴリー:C1, C2, C3, B2, D1
ステータスインジケータ、幅 6 mm
連続最高電圧:15.0 V DC / 10.6 V AC
70°C での定格電流:0.75 A
C2 定格放電電流 (8/20)、各導体あたり:5 kA
C2 定格放電電流 (8/20)、合計:10 kA
D1 雷インパルス電流 (10/350 µs)、各導体あたり:1.5 kA
D1 雷インパルス電流 (10/350 µs)、合計:3 kA
交換用モジュール

Brand: DEHN
タイプ: BCO MOD ML2 BD 12
記事番号: 927042
or equivalent.

Certificates

 

Technical data

避雷器の等級 L
公称電圧 (UN ) 12 V
直流最高連続電圧 (UC ) 15 V
70 °C での定格電流 (IL ) 0.75 A
D1 雷インパルス電流 (10/350 µs)、1導体あたり (Iimp ) 1.5 kA
C2 定格放電電流 (8/20 µs) 合計 (In ) 10 kA
導体あたりの直列インピーダンス 1 オーム
導体間のカットオフ周波数 (fG ) 2.6 MHz
認証 UL 497B, CSA, ATEX, IECEx, CCC, SIL
*) 詳細は www.dehn.de をご覧ください

Product 927042 was added to Notepad.

Product 927042 was added to the cart.

Part No. 927044 BCO MOD ML2 BD 24

GTIN 4013364410169, Customs tariff No. (EU): 85363010, Gross weight: 39.00 g, PU: 1.00 ピース


Images

Additional information

複合式避雷器保護モジュール
BLITZDUCTORconnect MOD ML2 BD 24
プラグ式複合式避雷器モジュール
非接地対称インターフェース用
1 本の二重線を保護用
EN/IEC 61643-21 に準拠し、エネルギー面でも試験済み
IEC 61643-22 に基づく調整
避雷器の等級 タイプ 1 / P2
パルスのカテゴリー:C1, C2, C3, B2, D1
ステータスインジケータ、幅 6 mm
連続最高電圧:36.0 V DC / 25.4 V AC
70°C での定格電流:0.75 A
C2 定格放電電流 (8/20)、各導体あたり:5 kA
C2 定格放電電流 (8/20)、合計:10 kA
D1 雷インパルス電流 (10/350 µs)、各導体あたり:1.5 kA
D1 雷インパルス電流 (10/350 µs)、合計:3 kA
交換用モジュール

Brand: DEHN
タイプ: BCO MOD ML2 BD 24
記事番号: 927044
or equivalent.

Certificates

 

Technical data

避雷器の等級 L
公称電圧 (UN ) 24 V
直流最高連続電圧 (UC ) 36 V
70 °C での定格電流 (IL ) 0.75 A
D1 雷インパルス電流 (10/350 µs)、1導体あたり (Iimp ) 1.5 kA
C2 定格放電電流 (8/20 µs) 合計 (In ) 10 kA
導体あたりの直列インピーダンス 1 オーム
導体間のカットオフ周波数 (fG ) 5.8 MHz
認証 UL 497B, CSA, ATEX, IECEx, CCC, SIL
*) 詳細は www.dehn.de をご覧ください

Product 927044 was added to Notepad.

Product 927044 was added to the cart.

Part No. 927045 BCO MOD ML2 BD 48

GTIN 4013364410176, Customs tariff No. (EU): 85363010, Gross weight: 39.00 g, PU: 1.00 ピース


Images

Additional information

複合式避雷器保護モジュール
BLITZDUCTORconnect MOD ML2 BD 48
プラグ式複合式避雷器モジュール
非接地対称インターフェース用
1 本の二重線を保護用
EN/IEC 61643-21 に基づいて試験済み、また
IEC 61643-22 に基づいてエネルギー面でも試験済み
避雷器の等級 タイプ 1 / P2
パルスのカテゴリー:C1, C2, C3, B2, D1
ステータスインジケータ、幅 6 mm
連続最高電圧:54.0 V DC / 38.1 V AC
70°C での定格電流:0.75 A
C2 定格放電電流 (8/20)、各導体あたり:5 kA
C2 定格放電電流 (8/20)、合計:10 kA
D1 雷インパルス電流 (10/350 µs)、各導体あたり:1.5 kA
D1 雷インパルス電流 (10/350 µs)、合計:3 kA
交換用モジュール

Brand: DEHN
タイプ: BCO MOD ML2 BD 48
記事番号: 927045
or equivalent.

Certificates

 

Technical data

避雷器の等級 L
公称電圧 (UN ) 48 V
直流最高連続電圧 (UC ) 56 V
70 °C での定格電流 (IL ) 0.75 A
D1 雷インパルス電流 (10/350 µs)、1導体あたり (Iimp ) 1.5 kA
C2 定格放電電流 (8/20 µs) 合計 (In ) 10 kA
導体あたりの直列インピーダンス 1 オーム
導体間のカットオフ周波数 (fG ) 7.2 MHz
認証 UL 497B, CSA, ATEX, IECEx, CCC, SIL
*) 詳細は www.dehn.de をご覧ください

Product 927045 was added to Notepad.

Product 927045 was added to the cart.

Part No. 927047 BCO MOD ML2 BD 180

GTIN 4013364468672, Customs tariff No. (EU): 85363010, Gross weight: 39.00 g, PU: 1.00 ピース


Images

Additional information

複合式避雷器保護モジュール
BLITZDUCTORconnect MOD ML2 BD 180
プラグ式複合式避雷器モジュール
非接地対称インターフェース用
1 本の二重線を保護用
EN/IEC 61643-21 に基づいて試験済み、また
IEC 61643-22 に基づいてエネルギー面でも試験済み
避雷器の等級 タイプ 1 / P2
パルスのカテゴリー:C1, C2, C3, B2, D1
ステータスインジケータ、幅 6 mm
連続最高電圧:180 V DC / 127 V AC
70°C での定格電流:0.5 A
C2 定格放電電流 (8/20)、各導体あたり:5 kA
C2 定格放電電流 (8/20)、合計:10 kA
D1 雷インパルス電流 (10/350 µs)、各導体あたり:1.5 kA
D1 雷インパルス電流 (10/350 µs)、合計:3 kA
交換用モジュール

Brand: DEHN
タイプ: BCO MOD ML2 BD 180
記事番号: 927047
or equivalent.

Certificates

 

Technical data

避雷器の等級 L
公称電圧 (UN ) 180 V
直流最高連続電圧 (UC ) 180 V
70 °C での定格電流 (IL ) 0.5 A
D1 雷インパルス電流 (10/350 µs)、1導体あたり (Iimp ) 1.5 kA
C2 定格放電電流 (8/20 µs) 合計 (In ) 10 kA
導体あたりの直列インピーダンス 1.8 オーム
導体間のカットオフ周波数 (fG ) 10 MHz
認証 UL 497B, SIL
*) 詳細は www.dehn.de をご覧ください

Product 927047 was added to Notepad.

Product 927047 was added to the cart.


BCO MOD ML2 BE HF

BLITZDUCTORconnect 向けの、状態表示機能付き 6mm 幅の複合式避雷器保護モジュール。共通基準電位を持つ高周波伝送および非対称インターフェース用 2 本の単線を保護します。

2 Products

Part No. 927070 BCO MOD ML2 BE HF 5

GTIN 4013364410183, Customs tariff No. (EU): 85363010, Gross weight: 39.00 g, PU: 1.00 ピース


Images

Additional information

複合式避雷器保護モジュール
BLITZDUCTORconnect MOD ML2 BE HF 5
プラグ式複合式避雷器モジュール
共通基準電位を持つ高周波伝送および
非対称インターフェース用
2 本の単線を保護する
EN/IEC 61643-21 に準拠し、エネルギー面でも試験済み
IEC 61643-22 に基づく調整
避雷器の等級 タイプ 1 / P1
パルスのカテゴリー:C1, C2, C3, B2, D1
ステータスインジケータ、幅 6 mm
連続最高電圧:8.5 V DC / 6.0 V AC
70°C での定格電流:0.75 A
カットオフ周波数 100 MHz
C2 定格放電電流 (8/20)、各導体あたり:5 kA
C2 定格放電電流 (8/20)、合計:10 kA
D1 雷インパルス電流 (10/350 µs)、各導体あたり:1.5 kA
D1 雷インパルス電流 (10/350 µs)、合計:3 kA
交換用モジュール

Brand: DEHN
タイプ: BCO MOD ML2 BE HF 5
記事番号: 927070
or equivalent.

Certificates

 

Technical data

避雷器の等級 M
公称電圧 (UN ) 5 V
直流最高連続電圧 (UC ) 8.5 V
70 °C での定格電流 (IL ) 0.75 A
D1 雷インパルス電流 (10/350 µs)、1導体あたり (Iimp ) 1.5 kA
C2 定格放電電流 (8/20 µs) 合計 (In ) 10 kA
導体あたりの直列インピーダンス 1 オーム
認証 UL 497B, CSA, ATEX, IECEx, CCC, SIL
*) 詳細は www.dehn.de をご覧ください

Product 927070 was added to Notepad.

Product 927070 was added to the cart.

Part No. 927074 BCO MOD ML2 BE HF 24

GTIN 4013364468573, Customs tariff No. (EU): 85363010, Gross weight: 39.00 g, PU: 1.00 ピース


Images

Additional information

複合式避雷器保護モジュール
BLITZDUCTORconnect MOD ML2 BE HF 24
プラグ式複合式避雷器モジュール
共通基準電位を持つ高周波伝送および
非対称インターフェース用
2 本の単線を保護する
EN/IEC 61643-21 に準拠し、エネルギー面でも試験済み
IEC 61643-22 に基づく調整
避雷器の等級 タイプ 1 / P1
パルスのカテゴリー:C1, C2, C3, B2, D1
ステータスインジケータ、幅 6 mm
連続最高電圧:36 V DC / 25.4 V AC
70°C での定格電流:0.75 A
カットオフ周波数 100 MHz
C2 定格放電電流 (8/20)、各導体あたり:5 kA
C2 定格放電電流 (8/20)、合計:10 kA
D1 雷インパルス電流 (10/350 µs)、各導体あたり:1.5 kA
D1 雷インパルス電流 (10/350 µs)、合計:3 kA
交換用モジュール

Brand: DEHN
タイプ: BCO MOD ML2 BE HF 24
記事番号: 927074
or equivalent.

Certificates

 

Technical data

避雷器の等級 M
公称電圧 (UN ) 24 V
直流最高連続電圧 (UC ) 36 V
70 °C での定格電流 (IL ) 0.75 A
D1 雷インパルス電流 (10/350 µs)、1導体あたり (Iimp ) 1.5 kA
C2 定格放電電流 (8/20 µs) 合計 (In ) 10 kA
導体あたりの直列インピーダンス 1 オーム
認証 UL 497B, SIL
*) 詳細は www.dehn.de をご覧ください

Product 927074 was added to Notepad.

Product 927074 was added to the cart.


BCO MOD ML2 BD HF

BLITZDUCTORconnect 向けの、状態表示機能付き 6mm 幅の複合式避雷器保護モジュール。非接地高周波のバスシステムと対称インターフェース用 1 本の二重線を保護します。

2 Products

Part No. 927071 BCO MOD ML2 BD HF 5

GTIN 4013364410190, Customs tariff No. (EU): 85363010, Gross weight: 39.00 g, PU: 1.00 ピース


Images

Additional information

複合式避雷器保護モジュール
BLITZDUCTORconnect MOD ML2 BD HF 5
プラグ式複合式避雷器モジュール
非接地の 1 本の二重線を保護用
高周波バスシステム
と対称インターフェース
EN/IEC 61643-21 に準拠し、エネルギー面でも試験済み
IEC 61643-22 に基づく調整
避雷器の等級 タイプ 1 / P2
パルスのカテゴリー:C1, C2, C3, B2, D1
ステータスインジケータ、幅 6 mm
連続最高電圧:8.5 V DC / 6.0 V AC
70°C での定格電流:0.75 A
カットオフ周波数 100 MHz
C2 定格放電電流 (8/20)、各導体あたり:5 kA
C2 定格放電電流 (8/20)、合計:10 kA
D1 雷インパルス電流 (10/350 µs)、各導体あたり:1.5 kA
D1 雷インパルス電流 (10/350 µs)、合計:3 kA
交換用モジュール

Brand: DEHN
タイプ: BCO MOD ML2 BD HF 5
記事番号: 927071
or equivalent.

Certificates

 

Technical data

避雷器の等級 L
公称電圧 (UN ) 5 V
直流最高連続電圧 (UC ) 8.5 V
70 °C での定格電流 (IL ) 0.75 A
D1 雷インパルス電流 (10/350 µs)、1導体あたり (Iimp ) 1.5 kA
C2 定格放電電流 (8/20 µs) 合計 (In ) 10 kA
導体あたりの直列インピーダンス 1 オーム
導体間のカットオフ周波数 (fG ) 100 MHz
認証 UL 497B, CSA, ATEX, IECEx, CCC, SIL
*) 詳細は www.dehn.de をご覧ください

Product 927071 was added to Notepad.

Product 927071 was added to the cart.

Part No. 927075 BCO MOD ML2 BD HF 24

GTIN 4013364468580, Customs tariff No. (EU): 85363010, Gross weight: 39.00 g, PU: 1.00 ピース


Images

Additional information

複合式避雷器保護モジュール
BLITZDUCTORconnect MOD ML2 BD HF 24
プラグ式複合式避雷器モジュール
非接地の 1 本の二重線を保護用
高周波バスシステム
と対称インターフェース
EN/IEC 61643-21 に準拠し、エネルギー面でも試験済み
IEC 61643-22 に基づく調整
避雷器の等級 タイプ 1 / P2
パルスのカテゴリー:C1, C2, C3, B2, D1
ステータスインジケータ、幅 6 mm
連続最高電圧:36 V DC / 25.4 V AC
70°C での定格電流:0.75 A
カットオフ周波数 100 MHz
C2 定格放電電流 (8/20)、各導体あたり:5 kA
C2 定格放電電流 (8/20)、合計:10 kA
D1 雷インパルス電流 (10/350 µs)、各導体あたり:1.5 kA
D1 雷インパルス電流 (10/350 µs)、合計:3 kA
交換用モジュール

Brand: DEHN
タイプ: BCO MOD ML2 BD HF 24
記事番号: 927075
or equivalent.

Certificates

 

Technical data

避雷器の等級 L
公称電圧 (UN ) 24 V
直流最高連続電圧 (UC ) 36 V
70 °C での定格電流 (IL ) 0.75 A
D1 雷インパルス電流 (10/350 µs)、1導体あたり (Iimp ) 1.5 kA
C2 定格放電電流 (8/20 µs) 合計 (In ) 10 kA
導体あたりの直列インピーダンス 1 オーム
導体間のカットオフ周波数 (fG ) 100 MHz
認証 UL 497B, SIL
*) 詳細は www.dehn.de をご覧ください

Product 927075 was added to Notepad.

Product 927075 was added to the cart.


BCO MOD ML2 BD HC5A 24

1 Product

Part No. 927054 BCO MOD ML2 BD HC5A 24

GTIN 4013364513426, Customs tariff No. (EU): 85363010, Gross weight: 41.00 g, PU: 1.00 ピース


Images

Additional information

複合式避雷器保護モジュール
BLITZDUCTORconnect MOD ML2 BD HC5A 24
プラグ式複合式避雷器モジュール
非接地の 1 本の二重線を保護用
高定格電流対応の信号回路
情報技術システムおよび MSR 回路
EN/IEC 61643-21 に準拠し、エネルギー面でも試験済み
IEC 61643-22 に基づく調整
避雷器の等級 タイプ 1 / P2
パルスのカテゴリー:C1, C2, C3, B2, D1
ステータスインジケータ、幅 6 mm
連続最高電圧:36 V DC / 25.4 V AC
80℃ での定格電流:5 A
C2 定格放電電流 (8/20)、各導体あたり:5 kA
C2 定格放電電流 (8/20)、合計:10 kA
D1 雷インパルス電流 (10/350 µs)、各導体あたり:1.5 kA
D1 雷インパルス電流 (10/350 µs)、合計:3 kA
交換用モジュール

Brand: DEHN
タイプ: BCO MOD ML2 BD HC5A 24
記事番号: 927054
or equivalent.

Certificates

 

Technical data

避雷器の等級 L
公称電圧 (UN ) 24 V
直流最高連続電圧 (UC ) 36 V
80℃ での定格電流 (IL ) 5 A
D1 雷インパルス電流 (10/350 µs)、1導体あたり (Iimp ) 1.5 kA
C2 定格放電電流 (8/20 µs) 合計 (In ) 10 kA
導体あたりの直列インピーダンス 0 オーム
認証 UL 497B, SIL
*) 詳細は www.dehn.de をご覧ください

Product 927054 was added to Notepad.

Product 927054 was added to the cart.


BCO MOD ML2 BPD

BLITZDUCTORconnect 向けの、状態表示機能付き 6mm 幅の複合式避雷器保護モジュール。24 V DC システム用 1 本の二重線を保護します。また、接地された負極の使用にも適しています。内蔵された PTC 抵抗により、最大 40A の短絡電流がシステム回路に干渉した後でも、避雷器を安全にリセットすることを可能にします。

1 Product

Part No. 927014 BCO MOD ML2 BPD 24

GTIN 4013364473010, Customs tariff No. (EU): 85363010, Gross weight: 39.00 g, PU: 1.00 ピース


Images

Additional information

複合式避雷器保護モジュール BLITZDUCTORconnect MOD ML2 BPD 24
保護用のプラグ式複合雷電流用モジュール
24 V DC システムに使用される二重線。
接地された負極の使用に適用され、
最大 40A までの過電流保護のための
PTC 抵抗を内蔵
EN/IEC 61643-21 に準拠し、エネルギー面でも試験済み
IEC 61643-22 に基づく調整
避雷器の等級 タイプ 1 / P2
パルスのカテゴリー:C1, C2, C3, B2, D1
ステータスインジケータ、幅 6 mm
連続最高電圧:33.0 V DC / 23.3 V AC
70°C での定格電流:0.1 A
C2 定格放電電流 (8/20)、各導体あたり:5 kA
C2 定格放電電流 (8/20)、合計:10 kA
D1 雷インパルス電流 (10/350 µs)、各導体あたり:1.5 kA
D1 雷インパルス電流 (10/350 µs)、合計:3 kA
交換用モジュール

Brand: DEHN
タイプ: BCO MOD ML2 BPD 24
記事番号: 927014
or equivalent.

Certificates

 

Technical data

避雷器の等級 L
公称電圧 (UN ) 24 V
直流最高連続電圧 (UC ) 33 V
70 °C での定格電流 (IL ) 0.1 A
D1 雷インパルス電流 (10/350 µs)、1導体あたり (Iimp ) 1.5 kA
C2 定格放電電流 (8/20 µs) 合計 (In ) 10 kA
導体あたりの直列インピーダンス 10 オーム
導体間のカットオフ周波数 (fG ) 4.5 MHz
認証 UL 497B, SIL
*) 詳細は www.dehn.de をご覧ください

Product 927014 was added to Notepad.

Product 927014 was added to the cart.


BCO MOD ML2 MVG 230

BLITZDUCTORconnect 向けの、状態表示機能付き 6mm 幅の過電圧避雷器保護モジュール。230 V の定格電圧を持つ多芯で接地電位に対して絶縁された信号インターフェースの二重線を保護します。
鉄道業界における信号システムの要件(DB RIL 819.0808 準拠)を満たします。

1 Product

Part No. 927090 BCO MOD ML2 MVG 230

GTIN 4013364466531, Customs tariff No. (EU): 85363010, Gross weight: 39.00 g, PU: 1.00 ピース


Images

Additional information

過電圧避雷器保護モジュール
BLITZDUCTORconnect MOD ML2 MVG 230
230 V AC の定格電圧を持つ
多芯の信号インターフェース
の二重線を保護する用プラグ式過電圧避雷器モジュール。
EN/IEC 61643-21 に準拠し、エネルギー面でも試験済み
IEC 61643-22 に基づく調整
避雷器の等級 タイプ 2 / P3
パルスのカテゴリー:C1, C2, C3
ステータスインジケータ、幅 6 mm
連続最高電圧:320 V DC / 250 V AC
80℃ での定格電流:3 A
C2 定格放電電流 (8/20)、各導体あたり:3 kA
C2 定格放電電流 (8/20)、合計:6 kA
交換用モジュール
DB RIL 819.0808 準拠

Brand: DEHN
タイプ: BCO MOD ML2 MVG 230
記事番号: 927090
or equivalent.

Certificates

 

Technical data

避雷器の等級 V
公称電圧 (UN ) 230 V
80℃ での定格電流 (IL ) 3 A
C2 定格放電電流 (8/20 µs) 合計 (In ) 6 kA
導体あたりの直列インピーダンス 0 オーム
認証 SIL
*) 詳細は www.dehn.de をご覧ください

Product 927090 was added to Notepad.

Product 927090 was added to the cart.


BCO MOD ML2 BD EX 24

BLITZDUCTORconnect 向けの、状態表示機能付き 6mm 幅の複合式避雷器保護モジュール。本質安全型の測定回路およびバスシステムの 1 本の二重線を保護します。FISCO の要件を満たしています。絶縁強度 >500 V 導体-接地。

1 Product

Part No. 927084 BCO MOD ML2 BD EX 24

GTIN 4013364410206, Customs tariff No. (EU): 85363010, Gross weight: 39.00 g, PU: 1.00 ピース


Images

Additional information

複合式避雷器保護モジュール
BLITZDUCTORconnect MOD ML2 BD EX 24
プラグ式複合式避雷器モジュール
本質安全型の 1 本の二重線を保護し、
無電位差対称インターフェース
EN/IEC 61643-21 に準拠し、エネルギー面でも試験済み
IEC 61643-22 に基づく調整
避雷器の等級 タイプ 1 / P2
パルスのカテゴリー:C1, C2, C3, B2, D1
ステータスインジケータ、幅 6 mm
連続最高電圧:36.0 V DC / 25.4 V AC
70°C での定格電流:0.75 A
EN 60079-11 に準拠した最大入力電圧:30 V
EN 60079-11 に準拠した最大入力電流:0.5 A
C2 定格放電電流 (8/20)、各導体あたり:5 kA
C2 定格放電電流 (8/20)、合計:10 kA
D1 雷インパルス電流 (10/350 µs)、各導体あたり:1.5 kA
D1 雷インパルス電流 (10/350 µs)、合計:3 kA
交換用モジュール

Brand: DEHN
タイプ: BCO MOD ML2 BD EX 24
記事番号: 927084
or equivalent.

Certificates

 

Technical data

避雷器の等級 L
公称電圧 (UN ) 24 V
直流最高連続電圧 (UC ) 36 V
80℃ での定格電流 (IL ) 0.5 A
D1 雷インパルス電流 (10/350 µs)、1導体あたり (Iimp ) 1.5 kA
C2 定格放電電流 (8/20 µs) 合計 (In ) 10 kA
導体あたりの直列インピーダンス 1 オーム
導体間のカットオフ周波数 (fG ) 3.5 MHz
認証 ATEX, IECEx, CCC, SIL
*) 詳細は www.dehn.de をご覧ください

Product 927084 was added to Notepad.

Product 927084 was added to the cart.


back to top