DEHNvenCI

  • 雷電流避雷器バックアップヒューズを内蔵したスパークギャップベースの複合型雷電流避雷器
  • Red/Line 製品ラインの中でエネルギー調整されています。
  • 低保護レベル UP ≤ 1.5 kV(バックアップヒューズ付属)
  • RADAX-Flow フォロー電流制限による最高の設備稼働率
  • 最大 100 kA までの主電源フォロー電流の消弧能力eff
  • 25 kA (10/350 µs) の高い雷電流放電容量
  • 端末機器の保護を可能にします
  • 観察窓に緑-赤のマーキングにによる機能/故障表示

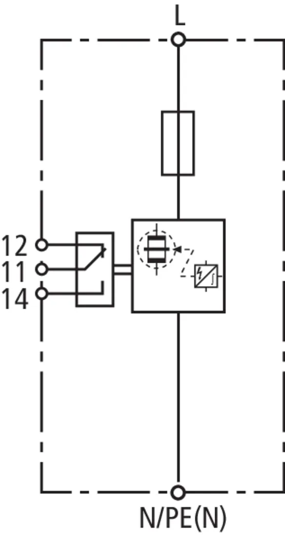
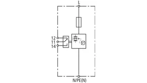
DEHNvenCI 255 (FM)

230 / 400 V システム向けの雷電流避雷器バックアップヒューズを内蔵した単極複合型避雷器。FM 仕様では、無電位の遠隔信号接点付き。

2 Products

Part No. 961200 DVCI 1 255

GTIN 4013364145108, Customs tariff No. (EU): 85363090, Gross weight: 477.30 g, PU: 1.00 ピース


Images

Additional information

複合型避雷器 DEHNvenCI 255
単極複合型避雷器、
避雷器タバックアップヒューズ内蔵、幅 2TE
EN 61643-11 に準拠した避雷器タイプ 1 + タイプ 2
RADAX Flow スパークギャップテクノロジー
フォロー電流制限のため
端末機器の保護を可能にします
避雷器および内蔵ヒューズの故障インジケータ
連続最高電圧:255 V AC
保護レベル:<= 1.5 kV
雷インパルス電流 (10/350):25 kA
フォロー電流消弧能力:最大 100 kAeff。
DIN EN 62305-4 に準拠したエネルギー調整
Red/Line シリーズの避雷器、およびエンドデバイスへの直接接続

Brand: DEHN
タイプ: DVCI 1 255
記事番号: 961200
or equivalent.

Certificates

 

Circuit Interruption

The backup fuse is already integrated here. This means: reduced space requirement, lower installation costs, faster wiring, and shorter connecting cables. This concept can be found in the product ranges DEHNvenCI, DEHNbloc Maxi S, DEHNguard ... CI and V(A) NH...

Wave breaker function

In the case of spark-gap-based type 1 arresters, the entire current flows through the type 1 arrester during the discharge process. Like a wave breaker, the incoming energy is greatly broken down, which significantly relieves the downstream SPDs. All type 1 arresters in the Red/Line product range feature the WBF wave breaker function.

Technical data

SPD、EN 61643-11 / IEC 61643-11 に準拠した SPD 分類 タイプ 1 + タイプ 2 / クラス I + クラス II
交流最高連続電圧 (UC ) 255 V (50 / 60 Hz)
雷インパルス電流 (10/350 µs) (Iimp ) 25 kA
保護レベル (UP ) ≤ 1.5 kV
最大主電源側過電流保護 バックアップヒューズ内蔵
認証 KEMA
詳細技術仕様: 想定短絡電流が 50 kA 以上の開閉装置での使用eff (VDE によってテスト済み)
– 最大予想短絡電流 100 kAeff (220 kAピーク

Product 961200 was added to Notepad.

Product 961200 was added to the cart.

Part No. 961205 DVCI 1 255 FM

GTIN 4013364145115, Customs tariff No. (EU): 85363090, Gross weight: 480.80 g, PU: 1.00 ピース


Images

Additional information

複合型避雷器 DEHNvenCI 255 FM
単極複合型避雷器、
避雷器タバックアップヒューズ内蔵、幅 2TE
遠隔信号接点付き
EN 61643-11 に準拠した避雷器タイプ 1 + タイプ 2
RADAX Flow スパークギャップテクノロジー
フォロー電流制限のため
端末機器の保護を可能にします
避雷器および内蔵ヒューズの故障インジケータと遠隔信号伝達
連続最高電圧:255 V AC
保護レベル:<= 1.5 kV
雷インパルス電流 (10/350):25 kA
フォロー電流消弧能力:最大 100 kAeff。
DIN EN 62305-4
に準拠したエネルギー調整
Red/Line シリーズの避雷器、およびエンドデバイスへの直接接続

Brand: DEHN
タイプ: DVCI 1 255 FM
記事番号: 961205
or equivalent.

Certificates

 

Circuit Interruption

The backup fuse is already integrated here. This means: reduced space requirement, lower installation costs, faster wiring, and shorter connecting cables. This concept can be found in the product ranges DEHNvenCI, DEHNbloc Maxi S, DEHNguard ... CI and V(A) NH...

Wave breaker function

In the case of spark-gap-based type 1 arresters, the entire current flows through the type 1 arrester during the discharge process. Like a wave breaker, the incoming energy is greatly broken down, which significantly relieves the downstream SPDs. All type 1 arresters in the Red/Line product range feature the WBF wave breaker function.

Technical data

SPD、EN 61643-11 / IEC 61643-11 に準拠した SPD 分類 タイプ 1 + タイプ 2 / クラス I + クラス II
交流最高連続電圧 (UC ) 255 V (50 / 60 Hz)
雷インパルス電流 (10/350 µs) (Iimp ) 25 kA
保護レベル (UP ) ≤ 1.5 kV
最大主電源側過電流保護 バックアップヒューズ内蔵
認証 KEMA
FM 接点/接点形式 切替接点
詳細技術仕様: 想定短絡電流が 50 kA 以上の開閉装置での使用eff (VDE によってテスト済み)
– 最大予想短絡電流 100 kAeff (220 kAピーク

Product 961205 was added to Notepad.

Product 961205 was added to the cart.


back to top