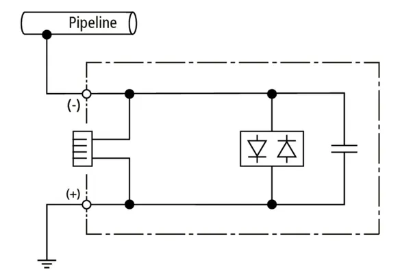
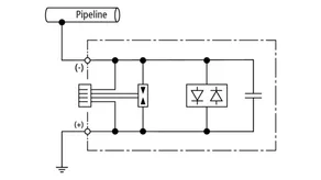
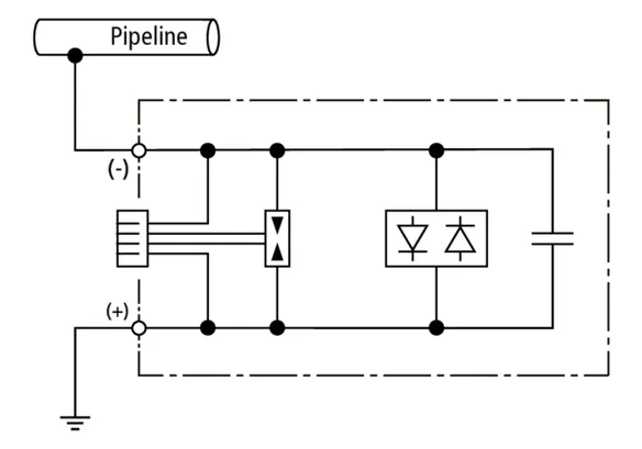
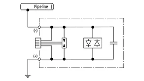
境界装置 DASD 45

  • DASD: DEHN 性能 リッドステート カップラー
  • 過渡的、一時的、定常的な過電圧に対する保護
  • 高い放電性能
  • フェイルセーフ故障時動作
  • 組み込み式テストソケット
  • 屋外でも使用可能

DASD 45 LP 100 T

1 Product

Part No. 923402 DASD 45 LP 100 T

GTIN 4013364442269, Customs tariff No. (EU): 85363030, Gross weight: 3.69 kg, PU: 1.00 ピース


Images

Additional information

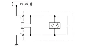
容量性境界装置 DASD
容量性境界装置
過渡的、一時的、定常的な過電圧に対する保護用
放電電流過渡:(10/350 us):75 kA
放電電流一時 (16.7 Hz、50 Hz、60 Hz):3.7 kAeff (200 ms まで)
放電電流定常 (16.7 Hz、50 Hz、60 Hz):45 A (連続)
組み込み式テストソケット付き
屋外でも使用可能

Brand: DEHN
タイプ: DASD 45 LP 100 T
記事番号: 923402
or equivalent.

Certificates

 

Technical data

放電電流過渡 (10/350 µs) 75 kA
放電電流過渡 (8/20 µs) 100 kA
放電電流一時 (16.7 Hz, 50 Hz, 60 Hz) 5.0 kArms (40 ms まで)
放電電流一時 (16.7 Hz, 50 Hz, 60 Hz) 3.7 kArms (200 ms まで)
放電電流一時 (16.7 Hz, 50 Hz, 60 Hz) 2.0 kArms (600 ms まで)
放電電流定常 (16.7 Hz, 50 Hz, 60 Hz) 45 Arms
制限電圧過渡(最大 1 ms) ≤ 1.35 kV
制限電圧定常 (> 600 ms) ≤ 3 V
IECEx 認証 IECEx TUR 22.0029X
60079-0 と EN 60079-7 に準拠した防爆マーク Ex ec IIC T4 Gc

Product 923402 was added to Notepad.

Product 923402 was added to the cart.


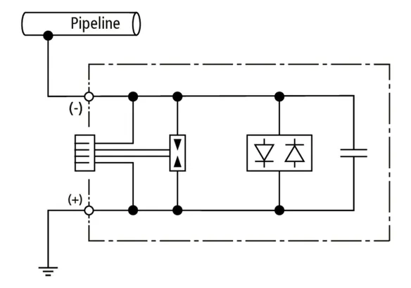
DASD 45 5 LP 1 T

1 Product

Part No. 923406 DASD 45 5 LP 1 T

GTIN 4013364509504, Customs tariff No. (EU): 85363030, Gross weight: 8.00 kg, PU: 1.00 ピース


Images

Additional information

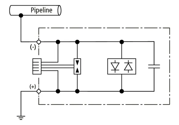
DC 境界装置 DASD
過渡的、一時的、定常的な過電圧に対する保護用
放電電流過渡:(10/350 us):100 kA
放電電流過渡:(8/20 us):100 kA
放電電流一時 (16.7 Hz、50 Hz、60 Hz):5.0 kAeff (600 ms まで)
放電電流定常 (16.7 Hz、50 Hz、60 Hz):45 A (連続)
最大許容直流電圧 - 2 V / + 1 V
組み込み式テストソケット付き

Brand: DEHN
タイプ: DASD 45 5 LP 1 T
記事番号: 923406
or equivalent.

Certificates

 

Technical data

放電電流過渡 (10/350 µs) 100 kA
放電電流過渡 (8/20 µs) 100 kA
放電電流一時 (50 Hz, 60 Hz) 5 kAeff (600 ms まで)
放電電流定常 (50 Hz, 60 Hz) 45 Aeff
制限電圧過渡(最大 1 ms) ≤ 5.2 kV
* 本試験は、20 °C の温度条件下で、0.5V の直流電圧を印加し、1 時間の安定時間を経た後、コンデンサを流れるあらゆる漏れ電流を測定するために実施します。

Product 923406 was added to Notepad.

Product 923406 was added to the cart.


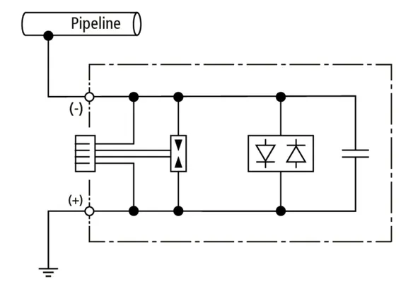
DASD 45 5 LP 2 T

1 Product

Part No. 923408 DASD 45 5 LP 2 T

GTIN 4013364520783, Customs tariff No. (EU): 85363030, Gross weight: 8.00 kg, PU: 1.00 ピース


Images

Additional information

DC 境界装置 DASD
過渡的、一時的、定常的な過電圧に対する保護用
放電電流過渡:(10/350 us):100 kA
放電電流過渡:(8/20 us):100 kA
放電電流一時 (16.7 Hz、50 Hz、60 Hz):5.0 kAeff (600 ms まで)
放電電流定常 (16.7 Hz、50 Hz、60 Hz):45 A (連続)
最大許容直流電圧 - 2 V / + 2 V
組み込み式テストソケット付き

Brand: DEHN
タイプ: DASD 45 5 LP 2 T
記事番号: 923408
or equivalent.

Certificates

 

Technical data

放電電流過渡 (10/350 µs) 100 kA
放電電流過渡 (8/20 µs) 100 kA
放電電流一時 (50 Hz, 60 Hz) 5 kAeff (600 ms まで)
放電電流定常 (50 Hz, 60 Hz) 45 Aeff
制限電圧過渡(最大 1 ms) ≤ 5.2 kV
* 本試験は、20 °C の温度条件下で、0.5V の直流電圧を印加し、1 時間の安定時間を経た後、コンデンサを流れるあらゆる漏れ電流を測定するために実施します。

Product 923408 was added to Notepad.

Product 923408 was added to the cart.


DASD 45 5 LP 3 T

1 Product

Part No. 923409 DASD 45 5 LP 3 T

GTIN 4013364520790, Customs tariff No. (EU): 85363030, Gross weight: 8.00 kg, PU: 1.00 ピース


Images

Additional information

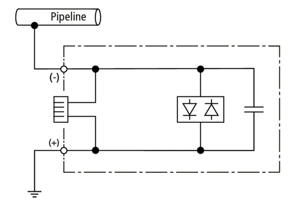
DC 境界装置 DASD
過渡的、一時的、定常的な過電圧に対する保護用
放電電流過渡:(10/350 us):100 kA
放電電流過渡:(8/20 us):100 kA
放電電流一時 (16.7 Hz、50 Hz、60 Hz):5.0 kAeff (600 ms まで)
放電電流定常 (16.7 Hz、50 Hz、60 Hz):45 A (連続)
最大許容直流電圧 - 3 V / + 1 V
組み込み式テストソケット付き

Brand: DEHN
タイプ: DASD 45 5 LP 3 T
記事番号: 923409
or equivalent.

Certificates

 

Technical data

放電電流過渡 (10/350 µs) 100 kA
放電電流過渡 (8/20 µs) 100 kA
放電電流一時 (50 Hz, 60 Hz) 5 kAeff (600 ms まで)
放電電流定常 (50 Hz, 60 Hz) 45 Aeff
制限電圧過渡(最大 1 ms) ≤ 5.2 kV
* 本試験は、20 °C の温度条件下で、0.5V の直流電圧を印加し、1 時間の安定時間を経た後、コンデンサを流れるあらゆる漏れ電流を測定するために実施します。

Product 923409 was added to Notepad.

Product 923409 was added to the cart.


DASD 45 10 2 T

1 Product

Part No. 923410 DASD 45 10 2 T

GTIN 4013364520806, Customs tariff No. (EU): 85363030, Gross weight: 8.00 kg, PU: 1.00 ピース


Images

Additional information

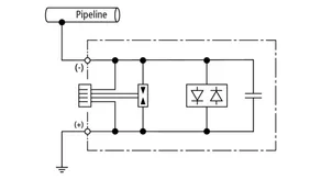
DC 境界装置 DASD
過渡的、一時的、定常的な過電圧に対する保護用
放電電流過渡:(8/20 us):100 kA
放電電流一時 (16.7 Hz、50 Hz、60 Hz):10.0 kAeff (600 ms まで)
放電電流定常 (16.7 Hz、50 Hz、60 Hz):45 A (連続)
最大許容直流電圧 - 2 V / + 2 V
組み込み式テストソケット付き

Brand: DEHN
タイプ: DASD 45 10 2 T
記事番号: 923410
or equivalent.

Certificates

 

Technical data

放電電流過渡 (10/350 µs) 50 kA
放電電流過渡 (8/20 µs) 100 kA
放電電流一時 (50 Hz, 60 Hz) 10 kAeff (600 ms まで)
放電電流定常 (50 Hz, 60 Hz) 45 Aeff
制限電圧過渡(最大 1 ms) ≤ 5.2 kV
* 本試験は、20 °C の温度条件下で、0.5V の直流電圧を印加し、1 時間の安定時間を経た後、コンデンサを流れるあらゆる漏れ電流を測定するために実施します。

Product 923410 was added to Notepad.

Product 923410 was added to the cart.


DASD 45 10 3 T

1 Product

Part No. 923411 DASD 45 10 3 T

GTIN 4013364520776, Customs tariff No. (EU): 85363030, Gross weight: 5.30 kg, PU: 1.00 ピース


Images

Additional information

DC 境界装置 DASD
過渡的、一時的、定常的な過電圧に対する保護用
放電電流過渡:(8/20 us):100 kA
放電電流一時 (16.7 Hz、50 Hz、60 Hz):10.0 kAeff (600 ms まで)
放電電流定常 (16.7 Hz、50 Hz、60 Hz):45 A (連続)
最大許容直流電圧 - 3 V / + 1 V
組み込み式テストソケット付き

Brand: DEHN
タイプ: DASD 45 10 3 T
記事番号: 923411
or equivalent.

 

Technical data

放電電流過渡 (10/350 µs) 50 kA
放電電流過渡 (8/20 µs) 100 kA
放電電流一時 (50 Hz, 60 Hz) 10.0 kAeff (600 ms まで)
放電電流定常 (50 Hz, 60 Hz) 45 Aeff
制限電圧過渡(最大 1 ms) ≤ 5.2 kV
* 本試験は、20 °C の温度条件下で、0.5V の直流電圧を印加し、1 時間の安定時間を経た後、コンデンサを流れるあらゆる漏れ電流を測定するために実施します。

Product 923411 was added to Notepad.

Product 923411 was added to the cart.


back to top