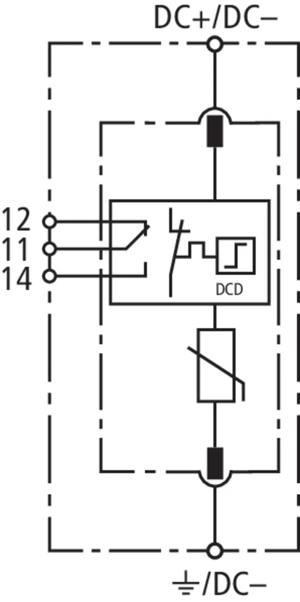
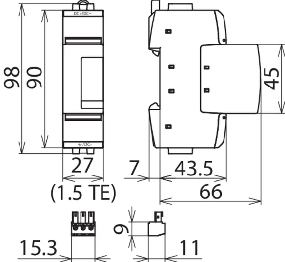
DEHNguard ME/SE DC ...(FM)

  • 普遍的に適用可能な複合式避雷器/過電圧避雷器、ベース部とプラグ式保護モジュールで構成されています
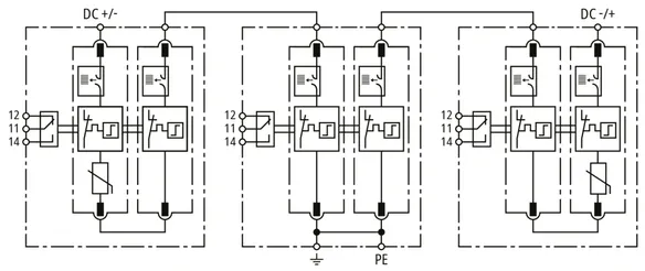
  • 直流回路の使用に特別に設計されたデバイスコンセプト
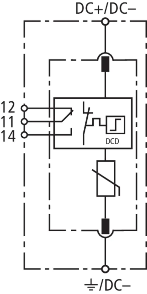
  • 直流スイッチングアークによる火災被害を防止するための高性能直流スイッチング装置 DCD
  • 規定された用途範囲内でのヒューズ不要の使用が可能
  • 観察窓に緑-赤のマーキングにによる機能/故障表示
  • モジュールリリースボタン付きモジュールロックシステムにより、ツール不要で簡単に保護モジュールを交換できます。

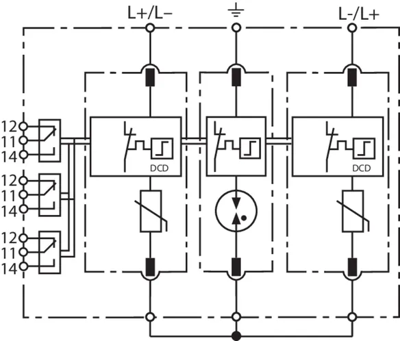
DEHNguard M DC ACI 1250 FM

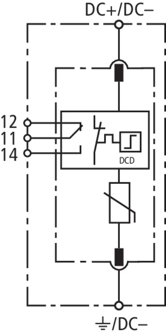
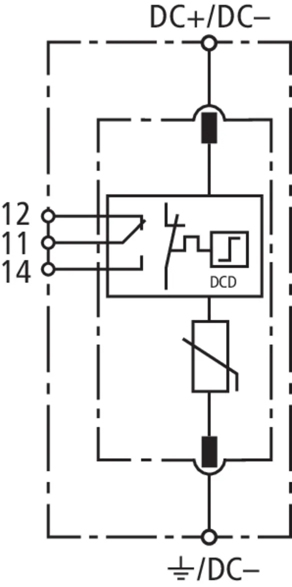
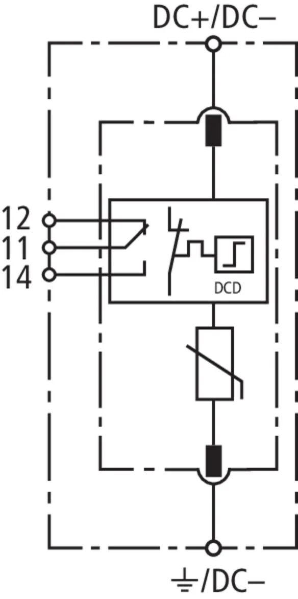
直流用途向けモジュール式避雷器、無電位遠隔信号接点付き。

1 Product

Part No. 972150 DG M DC ACI 1250 FM

GTIN 4013364530850, Customs tariff No. (EU): 85354000, Gross weight: 757.40 g, PU: 1.00 ピース


Images

Additional information

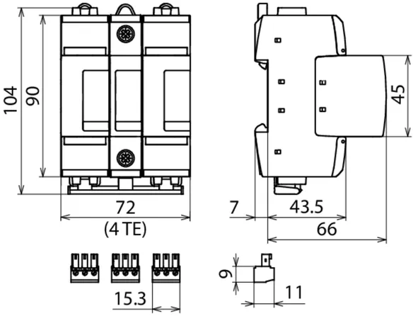
過電圧保護避雷器タイプ 2、DG M DC ACI 1250 FM
モジュール式のプラグ式過電圧避雷器
直流用途用、幅 6 TE
機械的作動/故障インジケータ搭載
EN / IEC 61643-41 に準拠したタイプ 2 避雷器
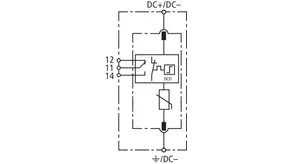
スイッチ/スパークギャップの組み合わせで構成されています
1250 V までの直流充電装置用に特別に設計されています
連続最高電圧 (+ --> -):1250 V DC
公称放電電流 (8/20 µs):10 kA
切替接点としての無電位遠隔信号接点付き
EN60068 に準拠した振動・衝撃テスト済み
IEC 61851-23 に準拠

Brand: DEHN
タイプ: DG M DC ACI 1250 FM
記事番号: 972150
or equivalent.

Certificates

 

ACI-Technology

A further development of CI technology, ACI technology consists of a switch/spark gap combination connected in series with a heavyduty varistor. This ensures the simple design and safe operation of the surge protective device. Other features are safe dimensioning, TOV withstand, a connection cross-section of only 6 mm² Cu and zero leakage current. Surge arresters with ACI technology offer maximum safety and system availability.

Technical data

EN 61643-41 / IEC 61643-41 に準拠した SPD 分類 タイプ 2 / クラス II
直流最高連続電圧 [DC+ --> DC-] (UC ) 1250 V
直流最高連続電圧 [(DC+/DC-) --> PE] (UC ) 625 V
公称放電電流 (8/20 µs) (In ) 10 kA
最大公称放電電流 (8/20 µs) (I最大 ) 20 kA
保護レベル [DC+ --> DC-] (UP ) < 5 kV
保護レベル [(DC+/DC-) --> PE] (UP ) < 2.5 kV
最大短絡耐性 (ISCCR ) 5 kA
FM 接点/接点形式 切替接点

Product 972150 was added to Notepad.

Product 972150 was added to the cart.


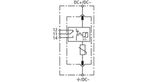
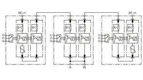
DEHNguard ME DC ...FM

直流用途向けモジュール式複合型過電圧避雷器、無電位遠隔信号接点付き。

1 Product

Part No. 972147 DG ME DC Y 1000 FM

GTIN 4013364519817, Customs tariff No. (EU): 85363030, Gross weight: 530.49 g, PU: 1.00 ピース


Images

Additional information

複合型避雷器タイプ 1+2 DEHNguard ME DC Y 1000 FM
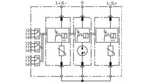
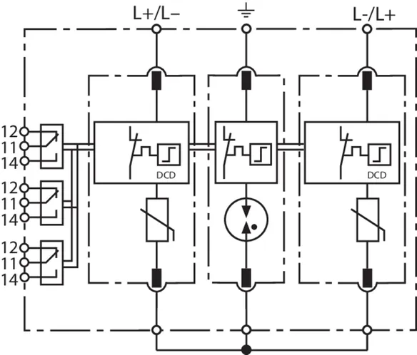
3極、モジュール式、プラグ式の複合型過電圧避雷器
直流用途用、幅 4TE
機械的作動/故障インジケータ搭載

EN 61643-11 に準拠したタイプ 1+2 避雷器、Y 回路は漏れ電流のないバリスタガス放電管技術で構成されています

最大 1000 V までの直流回路用に特別に設計されている DC スイッチングデバイス DCD
連続最高電圧:1000 V dc
雷インパルス電流 5kA (10/350µs)
公称放電電流:12.5 kA (8/20µs)
切替接点としての無電位遠隔信号接点付き
EN60068 に準拠した振動・衝撃テスト済み

Brand: DEHN
タイプ: DG ME DC Y 1000 FM
記事番号: 972147
or equivalent.

Certificates

 

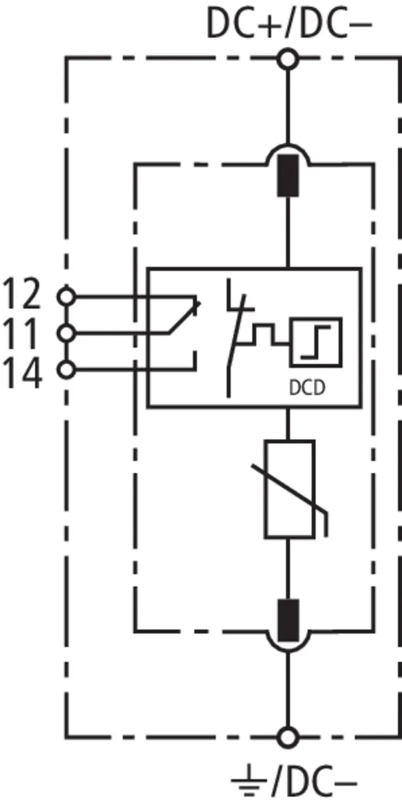
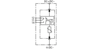
Direct Current-Disconnection

When using surge arresters in d.c. applications, disconnection must be reliably ensured even if there are no zero crossings. The specifically developed DC Disconnection (DCD) technology acts as a wedge similar to a blocking valve and interrupts the direct current. Consequently, the devices of the DEHNguard SE DC series are capable of safely interrupting direct currents, thus preventing fire damage caused by d.c. switching arcs.

Technical data

雷インパルス電流 (10/350 µs) (Iimp ) 5 kA
公称放電電流 (8/20 µs) (In ) 12.5 kA
最大公称放電電流 (8/20 µs) (I最大 ) 20 kA
保護レベル [DC+ --> DC-] (UP ) < 3.75 kV
保護レベル [(DC+/DC-) --> PE] (UP ) < 2.5 kV
最大短絡耐性 (ISCCR ) 5 kA
FM 接点/接点形式 切替接点

Product 972147 was added to Notepad.

Product 972147 was added to the cart.


DEHNguard SE DC ...

直流用途向け、単極モジュール式過電圧避雷器。

4 Products

Part No. 972110 DG SE DC 60

GTIN 4013364158504, Customs tariff No. (EU): 85363030, Gross weight: 160.00 g, PU: 1.00 ピース


Images

Additional information

過電圧避雷器 DEHNguard SE DC 60
1 極モジュール式のプラグ式過電圧避雷器
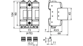
直流用途用、幅 1.5TE
故障報告
EN 61643-11 に準拠したタイプ 2 避雷器
高性能バリスタ技術

直流回路の使用に特別に設計されているDC スイッチングデバイス DCD
連続最高電圧:60 V dc
保護レベル:<= 0.5 kV
公称放電電流:12.5 kA

直流主電源側最大過電流保護付き短絡耐性:2000 A
DIN EN 62305-4 に準拠したエネルギー調整
Red/Line シリーズの避雷器

Brand: DEHN
タイプ: DG SE DC 60
記事番号: 972110
or equivalent.

Certificates

 

Direct Current-Disconnection

When using surge arresters in d.c. applications, disconnection must be reliably ensured even if there are no zero crossings. The specifically developed DC Disconnection (DCD) technology acts as a wedge similar to a blocking valve and interrupts the direct current. Consequently, the devices of the DEHNguard SE DC series are capable of safely interrupting direct currents, thus preventing fire damage caused by d.c. switching arcs.

Technical data

EN 61643-11 / IEC 61643-11 に準拠した SPD 分類 タイプ 2 / クラス II
直流最高連続電圧 (UC ) 60 V
公称放電電流 (8/20 µs) (In ) 12.5 kA
保護レベル (UP ) ≤ 0.5 kV
DC バックアップヒューズなしの短絡耐性 (ISCCR ) 300 A
直流主電源側最大過電流保護付き短絡耐性 (ISCCR ) 25 kA
最大主電源側過電流保護 35 A gG

Product 972110 was added to Notepad.

Product 972110 was added to the cart.

Part No. 972120 DG SE DC 242

GTIN 4013364158528, Customs tariff No. (EU): 85363030, Gross weight: 170.00 g, PU: 1.00 ピース


Images

Additional information

過電圧避雷器 DEHNguard SE DC 242
1 極モジュール式のプラグ式過電圧避雷器
直流用途用、幅 1.5TE
故障報告
EN 61643-11 に準拠したタイプ 2 避雷器
高性能バリスタ技術

直流回路の使用に特別に設計されているDC スイッチングデバイス DCD
連続最高電圧:242 V dc
保護レベル:<= 1.25 kV
公称放電電流:12.5 kA

直流主電源側最大過電流保護付き短絡耐性:2000 A

DIN EN 62305-4 に準拠したエネルギー調整
Red/Line シリーズの避雷器

Brand: DEHN
タイプ: DG SE DC 242
記事番号: 972120
or equivalent.

Certificates

 

Direct Current-Disconnection

When using surge arresters in d.c. applications, disconnection must be reliably ensured even if there are no zero crossings. The specifically developed DC Disconnection (DCD) technology acts as a wedge similar to a blocking valve and interrupts the direct current. Consequently, the devices of the DEHNguard SE DC series are capable of safely interrupting direct currents, thus preventing fire damage caused by d.c. switching arcs.

Technical data

EN 61643-11 / IEC 61643-11 に準拠した SPD 分類 タイプ 2 / クラス II
直流最高連続電圧 (UC ) 242 V
公称放電電流 (8/20 µs) (In ) 12.5 kA
保護レベル (UP ) ≤ 1.25 kV
DC バックアップヒューズなしの短絡耐性 (ISCCR ) 300 A
直流主電源側最大過電流保護付き短絡耐性 (ISCCR ) 25 kA
最大主電源側過電流保護 35 A gG

Product 972120 was added to Notepad.

Product 972120 was added to the cart.

Part No. 972130 DG SE DC 550

GTIN 4013364158627, Customs tariff No. (EU): 85363030, Gross weight: 184.00 g, PU: 1.00 ピース


Images

Additional information

過電圧避雷器 DEHNguard SE DC 550
1 極モジュール式のプラグ式過電圧避雷器
直流用途用、幅 1.5TE
故障報告
EN 61643-11 に準拠したタイプ 2 避雷器
高性能バリスタ技術

直流回路の使用に特別に設計されているDC スイッチングデバイス DCD
連続最高電圧:550 V dc
保護レベル:<= 2.0 kV
公称放電電流:12.5 kA

直流主電源側最大過電流保護付き短絡耐性:2000 A
DIN EN 62305-4 に準拠したエネルギー調整
Red/Line シリーズの避雷器

Brand: DEHN
タイプ: DG SE DC 550
記事番号: 972130
or equivalent.

Certificates

 

Direct Current-Disconnection

When using surge arresters in d.c. applications, disconnection must be reliably ensured even if there are no zero crossings. The specifically developed DC Disconnection (DCD) technology acts as a wedge similar to a blocking valve and interrupts the direct current. Consequently, the devices of the DEHNguard SE DC series are capable of safely interrupting direct currents, thus preventing fire damage caused by d.c. switching arcs.

Technical data

EN 61643-11 / IEC 61643-11 に準拠した SPD 分類 タイプ 2 / クラス II
直流最高連続電圧 (UC ) 550 V
公称放電電流 (8/20 µs) (In ) 12.5 kA
保護レベル (UP ) ≤ 2.0 kV
DC バックアップヒューズなしの短絡耐性 (ISCCR ) 200 A
直流主電源側最大過電流保護付き短絡耐性 (ISCCR ) 25 kA
最大主電源側過電流保護 35 A gG

Product 972130 was added to Notepad.

Product 972130 was added to the cart.

Part No. 972140 DG SE DC 900

GTIN 4013364158641, Customs tariff No. (EU): 85363030, Gross weight: 190.00 g, PU: 1.00 ピース


Images

Additional information

過電圧避雷器 DEHNguard SE DC 900
1 極モジュール式のプラグ式過電圧避雷器
直流用途用、幅 1.5TE
故障報告
EN 61643-11 に準拠したタイプ 2 避雷器
高性能バリスタ技術

直流回路の使用に特別に設計されているDC スイッチングデバイス DCD
連続最高電圧:900 V dc
保護レベル:<= 3.0 kV
公称放電電流:12.5 kA

直流主電源側最大過電流保護付き短絡耐性:2000 A
DIN EN 62305-4 に準拠したエネルギー調整
Red/Line シリーズの避雷器

Brand: DEHN
タイプ: DG SE DC 900
記事番号: 972140
or equivalent.

Certificates

 

Direct Current-Disconnection

When using surge arresters in d.c. applications, disconnection must be reliably ensured even if there are no zero crossings. The specifically developed DC Disconnection (DCD) technology acts as a wedge similar to a blocking valve and interrupts the direct current. Consequently, the devices of the DEHNguard SE DC series are capable of safely interrupting direct currents, thus preventing fire damage caused by d.c. switching arcs.

Technical data

EN 61643-11 / IEC 61643-11 に準拠した SPD 分類 タイプ 2 / クラス II
直流最高連続電圧 (UC ) 900 V
公称放電電流 (8/20 µs) (In ) 12.5 kA
保護レベル (UP ) ≤ 3.0 kV
DC バックアップヒューズなしの短絡耐性 (ISCCR ) 100 A
直流主電源側最大過電流保護付き短絡耐性 (ISCCR ) 25 kA
最大主電源側過電流保護 80 A gPV

Product 972140 was added to Notepad.

Product 972140 was added to the cart.


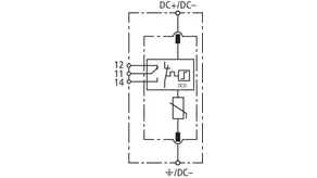
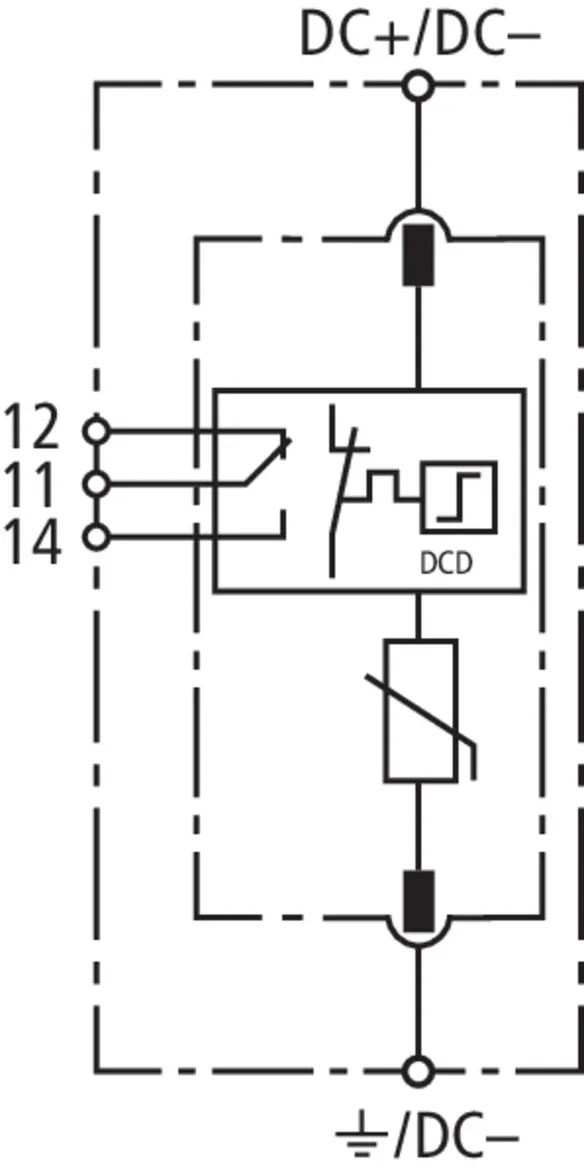
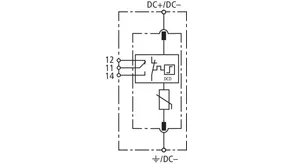
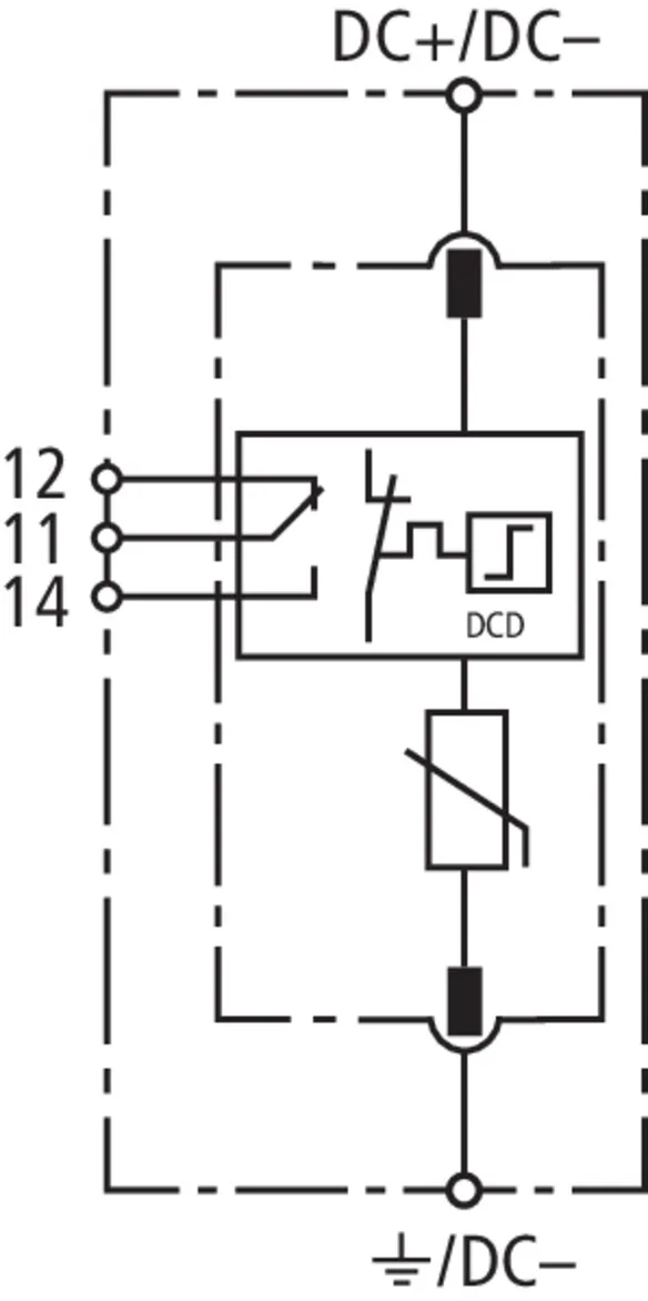
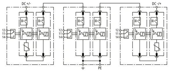
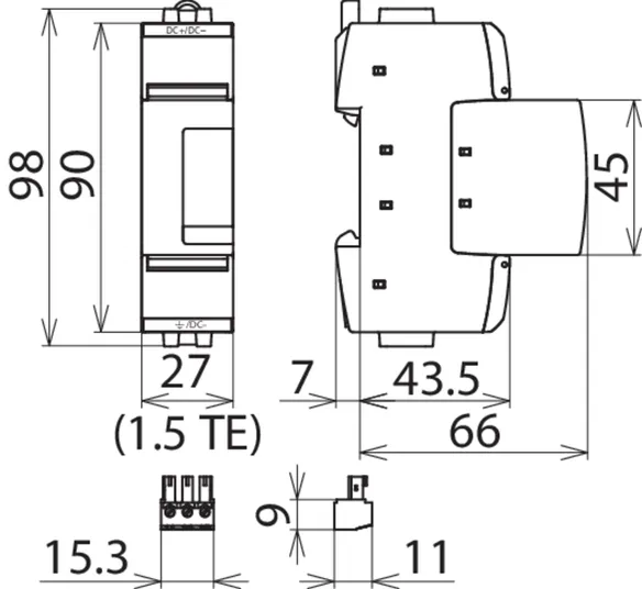
DEHNguard SE DC ...FM

直流用途向け、単極モジュール式過電圧避雷器。無電位遠隔信号接点付き。

4 Products

Part No. 972115 DG SE DC 60 FM

GTIN 4013364158511, Customs tariff No. (EU): 85363030, Gross weight: 164.00 g, PU: 1.00 ピース


Images

Additional information

過電圧避雷器 DEHNguard SE DC 60 FM
1 極モジュール式のプラグ式過電圧避雷器
直流用途用、幅 1.5TE
故障報告
EN 61643-11 に準拠したタイプ 2 避雷器
遠隔信号接点付き
高性能バリスタ技術

直流回路の使用に特別に設計されているDC スイッチングデバイス DCD
連続最高電圧:60 V dc
保護レベル:<= 0.5 kV
公称放電電流:12.5 kA

直流主電源側最大過電流保護付き短絡耐性:2000 A
DIN EN 62305-4 に準拠したエネルギー調整
Red/Line シリーズの避雷器

Brand: DEHN
タイプ: DG SE DC 60 FM
記事番号: 972115
or equivalent.

Certificates

 

Direct Current-Disconnection

When using surge arresters in d.c. applications, disconnection must be reliably ensured even if there are no zero crossings. The specifically developed DC Disconnection (DCD) technology acts as a wedge similar to a blocking valve and interrupts the direct current. Consequently, the devices of the DEHNguard SE DC series are capable of safely interrupting direct currents, thus preventing fire damage caused by d.c. switching arcs.

Technical data

EN 61643-11 / IEC 61643-11 に準拠した SPD 分類 タイプ 2 / クラス II
直流最高連続電圧 (UC ) 60 V
公称放電電流 (8/20 µs) (In ) 12.5 kA
保護レベル (UP ) ≤ 0.5 kV
DC バックアップヒューズなしの短絡耐性 (ISCCR ) 300 A
直流主電源側最大過電流保護付き短絡耐性 (ISCCR ) 25 kA
最大主電源側過電流保護 35 A gG
FM 接点/接点形式 切替接点

Product 972115 was added to Notepad.

Product 972115 was added to the cart.

Part No. 972125 DG SE DC 242 FM

GTIN 4013364158610, Customs tariff No. (EU): 85363030, Gross weight: 174.00 g, PU: 1.00 ピース


Images

Additional information

過電圧避雷器 DEHNguard SE DC 242 FM
1 極モジュール式のプラグ式過電圧避雷器
直流用途用、幅 1.5TE
故障報告
EN 61643-11 に準拠したタイプ 2 避雷器
遠隔信号接点付き
高性能バリスタ技術

直流回路の使用に特別に設計されているDC スイッチングデバイス DCD
連続最高電圧:242 V dc
保護レベル:<= 1.25 kV
公称放電電流:12.5 kA

直流主電源側最大過電流保護付き短絡耐性:2000 A
DIN EN 62305-4 に準拠したエネルギー調整
Red/Line シリーズの避雷器

Brand: DEHN
タイプ: DG SE DC 242 FM
記事番号: 972125
or equivalent.

Certificates

 

Direct Current-Disconnection

When using surge arresters in d.c. applications, disconnection must be reliably ensured even if there are no zero crossings. The specifically developed DC Disconnection (DCD) technology acts as a wedge similar to a blocking valve and interrupts the direct current. Consequently, the devices of the DEHNguard SE DC series are capable of safely interrupting direct currents, thus preventing fire damage caused by d.c. switching arcs.

Technical data

EN 61643-11 / IEC 61643-11 に準拠した SPD 分類 タイプ 2 / クラス II
直流最高連続電圧 (UC ) 242 V
公称放電電流 (8/20 µs) (In ) 12.5 kA
保護レベル (UP ) ≤ 1.25 kV
DC バックアップヒューズなしの短絡耐性 (ISCCR ) 300 A
直流主電源側最大過電流保護付き短絡耐性 (ISCCR ) 25 kA
最大主電源側過電流保護 35 A gG
FM 接点/接点形式 切替接点

Product 972125 was added to Notepad.

Product 972125 was added to the cart.

Part No. 972135 DG SE DC 550 FM

GTIN 4013364158634, Customs tariff No. (EU): 85363030, Gross weight: 189.00 g, PU: 1.00 ピース


Images

Additional information

過電圧避雷器 DEHNguard SE DC 550 FM
1 極モジュール式のプラグ式過電圧避雷器
直流用途用、幅 1.5TE
故障報告
EN 61643-11 に準拠したタイプ 2 避雷器
遠隔信号接点付き
高性能バリスタ技術

直流回路の使用に特別に設計されているDC スイッチングデバイス DCD
連続最高電圧:550 V dc
保護レベル:<= 2.0 kV
公称放電電流:12.5 kA

直流主電源側最大過電流保護付き短絡耐性:2000 A
DIN EN 62305-4 に準拠したエネルギー調整
Red/Line シリーズの避雷器

Brand: DEHN
タイプ: DG SE DC 550 FM
記事番号: 972135
or equivalent.

Certificates

 

Direct Current-Disconnection

When using surge arresters in d.c. applications, disconnection must be reliably ensured even if there are no zero crossings. The specifically developed DC Disconnection (DCD) technology acts as a wedge similar to a blocking valve and interrupts the direct current. Consequently, the devices of the DEHNguard SE DC series are capable of safely interrupting direct currents, thus preventing fire damage caused by d.c. switching arcs.

Technical data

EN 61643-11 / IEC 61643-11 に準拠した SPD 分類 タイプ 2 / クラス II
直流最高連続電圧 (UC ) 550 V
公称放電電流 (8/20 µs) (In ) 12.5 kA
保護レベル (UP ) ≤ 2.0 kV
DC バックアップヒューズなしの短絡耐性 (ISCCR ) 200 A
直流主電源側最大過電流保護付き短絡耐性 (ISCCR ) 25 kA
最大主電源側過電流保護 35 A gG
FM 接点/接点形式 切替接点

Product 972135 was added to Notepad.

Product 972135 was added to the cart.

Part No. 972145 DG SE DC 900 FM

GTIN 4013364158658, Customs tariff No. (EU): 85363030, Gross weight: 194.00 g, PU: 1.00 ピース


Images

Additional information

過電圧避雷器 DEHNguard SE DC 900 FM
1 極モジュール式のプラグ式過電圧避雷器
直流用途用、幅 1.5TE
故障報告
EN 61643-11 に準拠したタイプ 2 避雷器
遠隔信号接点付き
高性能バリスタ技術

直流回路の使用に特別に設計されているDC スイッチングデバイス DCD
連続最高電圧:900 V dc
保護レベル:<= 3.0 kV
公称放電電流:12.5 kA

直流主電源側最大過電流保護付き短絡耐性:2000 A
DIN EN 62305-4 に準拠したエネルギー調整
Red/Line シリーズの避雷器

Brand: DEHN
タイプ: DG SE DC 900 FM
記事番号: 972145
or equivalent.

Certificates

 

Direct Current-Disconnection

When using surge arresters in d.c. applications, disconnection must be reliably ensured even if there are no zero crossings. The specifically developed DC Disconnection (DCD) technology acts as a wedge similar to a blocking valve and interrupts the direct current. Consequently, the devices of the DEHNguard SE DC series are capable of safely interrupting direct currents, thus preventing fire damage caused by d.c. switching arcs.

Technical data

EN 61643-11 / IEC 61643-11 に準拠した SPD 分類 タイプ 2 / クラス II
直流最高連続電圧 (UC ) 900 V
公称放電電流 (8/20 µs) (In ) 12.5 kA
保護レベル (UP ) ≤ 3.0 kV
DC バックアップヒューズなしの短絡耐性 (ISCCR ) 100 A
直流主電源側最大過電流保護付き短絡耐性 (ISCCR ) 25 kA
最大主電源側過電流保護 80 A gPV
FM 接点/接点形式 切替接点

Product 972145 was added to Notepad.

Product 972145 was added to the cart.


back to top