DEHNvario

可変避雷器シリーズ
  • コンパクトな接続端子により、迅速で簡単な設置が可能
  • 直接プラグインテクノロジーによるツール不要のケーブル接続
  • 接続端子ユニットを緩めて取り外すだけで、避雷器を素早く交換できます
  • DIN レールによる接地/電位均等化
  • 顧客および用途固有の過電圧保護装置

Details

雷電流および過電圧電流に耐える接地端子。
lorem ipsum
直接プラグインテクノロジーによるツール不要の簡単なケーブル接続。
lorem ipsum
オプションの内蔵ディスプレイ。
lorem ipsum
接続端子ユニットを簡単に取り外すことができ、避雷器を素早く交換できます。
lorem ipsum
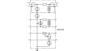
解決策の例:1 台で 3 つのインターフェイスを保護するコンパクトな 3in1 避雷器。
lorem ipsum
テストピンを使用した信号回路のテスト用統合テスト開口部。
lorem ipsum

DVR 2 BY S 150 FM

(例えば、音声警報装置やスピーカーシステム)などの電気音響設備を保護するためのコンパクトな複合型避雷器。2 線回路をガルバニック絶縁で保護し、直接または間接的なシールド接地が可能。ダイレクト差込技術による、迅速かつツール不要の導体接続。接続端子ユニットはロックを外してハウジングから取り外すことができ、避雷器の交換が容易です。遠隔信号接点(開放接点)内蔵。

1 Product

Part No. 928430 DVR 2 BY S 150 FM

GTIN 4013364261389, Customs tariff No. (EU): 85363010, Gross weight: 161.30 g, PU: 1.00 ピース


Images

Additional information

電気音響システム用コンパクトな DEHNvario 複合型避雷器
避雷器クラスタイプ 1 / P2 の
コンパクトな複合型避雷器
DEHNvario は EN 61643-21 に基づき試験済み、
IEC 61643-22 に基づいてエネルギー的に協調されています
電気音響システム保護用
(例:音声アラーム、拡声器システム)
ガルバニック絶縁によって 2 芯線を保護し、シールドの直接または間接接地に対応
直接プラグ式のため迅速かつツール不要で取り付け可能
(接続ユニットはロック解除してハウジング
から取り外せます)。
1 開放接点付き遠隔信号接点内蔵、
幅 2TE、35mm DIN レール取付け対応
公称電圧 AC: 100 V
直流最高連続電圧: 150 V
交流最高連続電圧: 110 V
70 °C での定格電流: 10 A
80℃ での定格電流: 7 A
D1 雷インパルス電流 (10/350 µs)、1導体あたり: 2.5 kA
D1 雷インパルス電流 (10/350 µs)、合計: 9 kA
C2 定格放電電流 (8/20 µs) 各導体あたり: 7.5 kA
C2 定格放電電流 (8/20 µs) 合計: 22.5 kA
導体間のカットオフ周波数: 1.4 MHz
保護等級: IP 20

Brand: DEHN
タイプ: DVR 2 BY S 150 FM
記事番号: 928430
or equivalent.

Certificates

 

Technical data

避雷器の等級 L
直流最高連続電圧 (UC ) 150 V
70 °C での定格電流 (IL ) 10 A
80℃ での定格電流 (IL ) 7 A
D1 雷インパルス電流 (10/350 µs)、1導体あたり (Iimp ) 2.5 kA
C2 定格放電電流 (8/20 µs) 合計 (In ) 22.5 kA
導体間のカットオフ周波数 (fG ) 1.4 MHz

Product 928430 was added to Notepad.

Product 928430 was added to the cart.


DVR BNC RS485 230

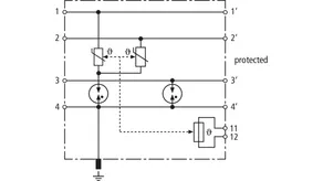
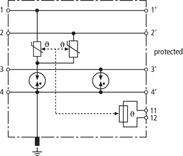
アナログカメラシステムを保護するためのコンパクトな 3in1 過電圧避雷器。ビデオ信号(BNC コネクタ)、データ信号 (RS485)、および電源 (230 V AC) を保護するためのものです。ダイレクト差込技術による、迅速かつツール不要の導体接続。接続端子ユニットはロックを外してハウジングから取り外すことができ、避雷器の交換が容易です。簡単な過負荷インジケータ付き (230 V)。

1 Product

Part No. 928440 DVR BNC RS485 230

GTIN 4013364280809, Customs tariff No. (EU): 85363010, Gross weight: 185.50 g, PU: 1.00 ピース


Images

Additional information

アナログカメラシステム用コンパクトな過電圧避雷器 DEHNvario
避雷器クラス T2 / タイプ 2
のコンパクトな 3in1 過電圧避雷器
DEHNvario は、EN / IEC 61643-11 および
IEC 61643-21 に基づき試験済み、
IEC 61643-22 に従ってエネルギー協調されています
ビデオ信号(BNC コネクタ)、
データ信号 (RS485)、
および電源 (230 V AC) を保護するためのものです
直接プラグ式のため迅速かつツール不要で取り付け可能
(接続ユニットはロック解除して
ハウジングから取り外せます)。
35 mm DIN レール取り付け用、幅 2 TE

避雷器の等級:
供給タイプ 2 / クラス II
データタイプ 2 / P1
ビデオタイプ 2 / P2
公称電圧:
230 V AC 供給
データ 5 V DC
ビデオ 5 V DC
連続最高電圧:
255 V AC 供給
データ 8 V DC
ビデオ 6.4 V DC
定格電流:
10 A 供給
データ 0.5 A
ビデオ 100 mA
定格放電電流:(8/20)
5 kA 対応、各導体
合計 10 kA
カットオフ周波数:
データ 100 MHz
ビデオ 300 MHz @ 75 Ohm
保護等級:IP 20

Brand: DEHN
タイプ: DVR BNC RS485 230
記事番号: 928440
or equivalent.

 

Technical data

ビデオ (BNC)
避雷器の等級 U
直流最高連続電圧 (UC ) 6.4 V
定格電流 (IL ) 0.1 A
C2 定格放電電流 (8/20 µs) シールドPG (In ) 10 kA
300 MHz (75 Ohm) の挿入損失 ≤ 3.0 dB
入力/出力接続 BNC ソケット / BNC ソケット
データ (RS485)
避雷器の等級 T
直流最高連続電圧 (UC ) 8 V
定格電流 (IL ) 0.5 A
C2 定格放電電流 (8/20 µs) 合計 (In ) 10 kA
導体間のカットオフ周波数 (fG ) 100 MHz
電源 (230 V)
避雷器の等級 タイプ 2 / クラス II
交流最高連続電圧 [L-N] (UC ) 255 V (50 / 60 Hz)
交流最高連続電圧 [N-PE] (UC ) 255 V (50 / 60 Hz)
定格電流 (IL ) 10 A
公称放電電流 (8/20 µs) (In ) 5 kA
最大放電電流 (8/20 µs) (I最大 ) 10 kA
保護レベル [L-N] (UP ) ≤ 1.5 kV
保護レベル [N-PE] (UP ) ≤ 1.5 kV

Product 928440 was added to Notepad.

Product 928440 was added to the cart.


back to top